功能块算法
1 输入块
| 序号 | 代码 | 名称 |
|---|---|---|
| 1 | DI | 数字量物理输入 |
| 2 | DO | 数字量物理输出(输入侧) |
| 3 | AI | 模拟量物理输入 |
| 4 | AO | 模拟量逻辑输出(输入侧) |
| 5 | SD | 数字量系统状态 |
| 6 | SA | 模拟量系统状态 |
| 7 | NDI | 数字量网络输入 |
| 8 | NAI | 模拟量网络输入 |
| 9 | HDS | 数字量 HMI 开关输入 |
| 10 | HDP | 数字量 HMI 脉冲输入 |
| 11 | HAI | 模拟量 HMI 输入 |
| 12 | LD | 数字量逻辑输入 |
| 13 | LA | 模拟量逻辑输入 |
| 14 | LW | 整形量逻辑输入 |
2 输出块
| 序号 | 代码 | 名称 |
|---|---|---|
| 21 | DO | 数字量物理输出 |
| 22 | AO | 模拟量物理输出 |
| 23 | NDO | 数字量网络通信输出 |
| 24 | NAO | 模拟量网络通信输出 |
| 25 | LD | 数字量逻辑输出 |
| 26 | LA | 模拟量逻辑输出 |
| 27 | LW | 整形量逻辑输出 |
3 逻辑运算
| 序号 | 代码 | 名称 |
|---|---|---|
| 41 | AND | 与 |
| 42 | OR | 或 |
| 43 | NOT | 非 |
| 44 | XOR | 异或 |
| 45 | SSR | 置位优先触发器 |
| 46 | SRR | 复位优先触发器 |
| 47 | SR | 保持触发器 |
| 48 | DGC | 开关量输入统计 |
| 49 | PAC | PAC |
| 50 | ANDW | 双字逻辑与运算 |
| 51 | ORW | 双字逻辑或运算 |
| 52 | NOTW | 双字逻辑非运算 |
| 53 | XORW | 双字逻辑异或运算 |
| 54 | M/N | 位数量判断 |
与运算
| 名称 | 与运算 | 代码 | AND | 序号 | 41 |
|---|
图形

功能块描述
(1) 对开关量输入进行逻辑与运算。
(2) 最多允许6个输入。
(3) 当所有输入值均为1时,输出值才为1,否则输出值为0。
输入说明
| 序号 | 标记名 | 数据类型 | 缺省值 | 可视缺省值 | 描述 |
|---|---|---|---|---|---|
| 1 | X1 | BOOL | 1 | 1 | 输入1 |
| 2 | X2 | BOOL | 1 | 1 | 输入2 |
| 3 | X3 | BOOL | 1 | 1 | 输入3 |
| 4 | X4 | BOOL | 1 | 0 | 输入4 |
| 5 | X5 | BOOL | 1 | 0 | 输入5 |
| 6 | X6 | BOOL | 1 | 0 | 输入6 |
输出说明
| 序号 | 标记名 | 数据类型 | 可视缺省值 | 描述 |
|---|---|---|---|---|
| 1 | Y | BOOL | 1 | 输出 |
工作区说明
无
质量及异常说明
无
算法说明
AND(XI)→Y (I=1~6)
无连线默认为 1
算法举例
X1=1,X2=1,X3=1, Y=1
X1=1,X2=1,X3=0, Y=0
X1=1,X2=0,X3=0, Y=0
功能块解释

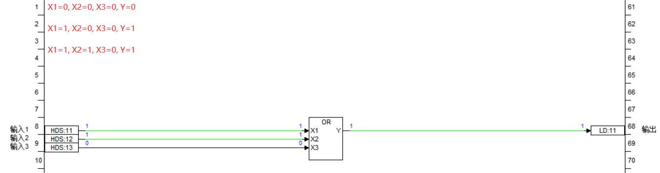
或运算
| 名称 | 或运算 | 代码 | OR | 序号 | 42 |
|---|
图形

功能块描述
(1) 对开关量输入进行逻辑或运算。
(2) 最多允许6个输入。
(3) 当所有输入值均为0时,输出值才为0。
输入说明
| 序号 | 标记名 | 数据类型 | 缺省值 | 可视缺省值 | 描述 |
|---|---|---|---|---|---|
| 1 | X1 | Bool | 0 | 1 | 输入1 |
| 2 | X2 | Bool | 0 | 1 | 输入2 |
| 3 | X3 | Bool | 0 | 1 | 输入3 |
| 4 | X4 | Bool | 0 | 0 | 输入4 |
| 5 | X5 | Bool | 0 | 0 | 输入5 |
| 6 | X6 | Bool | 0 | 0 | 输入6 |
输出说明
| 序号 | 标记名 | 数据类型 | 可视缺省值 | 描述 |
|---|---|---|---|---|
| 1 | Y | Bool | 0 | 输出 |
工作区说明
无
质量及异常说明
无
算法说明
OR(XI)→Y (I=16)
无连线默认为 0
算法举例
X1=0,X2=0,X3=0, Y=0
X1=1,X2=0,X3=0, Y=1
X1=1,X2=1,X3=0, Y=1
功能块解释

非
| 名称 | 非 | 代码 | NOT | 序号 | 43 |
|---|
图形

功能块描述
(1) 对开关量输入进行取非运算。
输入说明
| 序号 | 标记名 | 数据类型 | 缺省值 | 可视缺省值 | 描述 |
|---|---|---|---|---|---|
| 1 | X1 | Bool | 0 | 1 | 输入1 |
输出说明
| 序号 | 标记名 | 数据类型 | 可视缺省值 | 描述 |
|---|---|---|---|---|
| 1 | Y | Bool | 1 | 输出 |
工作区说明
无
质量及异常说明
无
算法说明
NOT(X)→Y
时序图

算法举例
X1=1, Y=0
X1=0, Y=1
功能块解释

异或
| 名称 | 异或 | 代码 | XOR | 序号 | 44 |
|---|
图形

功能块描述
(1)对两个输入量进行异或运算。
输入说明
| 序号 | 标记名 | 数据类型 | 缺省值 | 可视缺省值 | 描述 |
|---|---|---|---|---|---|
| 1 | X1 | Bool | 0 | 1 | 输入1 |
| 2 | X2 | Bool | 0 | 1 | 输入2 |
输出说明
| 序号 | 标记名 | 数据类型 | 可视缺省值 | 描述 |
|---|---|---|---|---|
| 1 | Y | Bool | 1 | 输出 |
工作区说明
无
质量及异常说明
无
算法说明
XOR(X1,X2)→Y
时序图

算法举例
若 X1=1,X2=1 则 Y=0
若 X1=0,X2=1 则 Y=1
若 X1=1,X2=0 则 Y=1
若 X1=1,X2=1 则 Y=0
功能块解释

置位优先触发器
| 名称 | 置位优先触发器 | 代码 | SSR | 序号 | 45 |
|---|
图形

功能块描述
(1)当置位信号和复位信号同时存在时,优先执行置位功能。
输入说明
| 序号 | 标记名 | 数据类型 | 缺省值 | 可视缺省值 | 描述 |
|---|---|---|---|---|---|
| 1 | S/td> | Bool | 0 | 1 | 置位 |
| 2 | R | Bool | 0 | 1 | 复位 |
输出说明
| 序号 | 标记名 | 数据类型 | 可视缺省值 | 描述 |
|---|---|---|---|---|
| 1 | YS | Bool | 1 | 置位输出 |
| 2 | YR | Bool | 1 | 复位输出 |
工作区说明
| 序号 | 标记名 | 数据类型 | 数据长度(位) |
|---|---|---|---|
| 1 | YLast | Bool | 1 |
质量及异常说明
无
时序图

| S | R | YS | YR |
|---|---|---|---|
| 0 | 0 | YLast | YLast |
| 0 | 1 | 0 | 1 |
| 1 | 0 | 1 | 0 |
| 1 | 1 | 1 | 0 |
功能块解释

复位优先触发器
| 名称 | 复位优先触发器 | 代码 | SRR | 序号 | 46 |
|---|
图形

功能块描述
输入说明
| 序号 | 标记名 | 数据类型 | 缺省值 | 可视缺省值 | 描述 |
|---|---|---|---|---|---|
| 1 | S/td> | Bool | 0 | 1 | 置位 |
| 2 | R | Bool | 0 | 1 | 复位 |
输出说明
| 序号 | 标记名 | 数据类型 | 可视缺省值 | 描述 |
|---|---|---|---|---|
| 1 | YS | Bool | 1 | 置位输出 |
| 2 | YR | Bool | 1 | 复位输出 |
工作区说明
| 序号 | 标记名 | 数据类型 | 数据长度(位) |
|---|---|---|---|
| 1 | YLast | Bool | 1 |
质量及异常说明
无
时序图

真值表
| S | R | YS | YR |
|---|---|---|---|
| 0 | 0 | YLast | YLast |
| 0 | 1 | 0 | 1 |
| 1 | 0 | 1 | 0 |
| 1 | 1 | 0 | 1 |
功能块解释

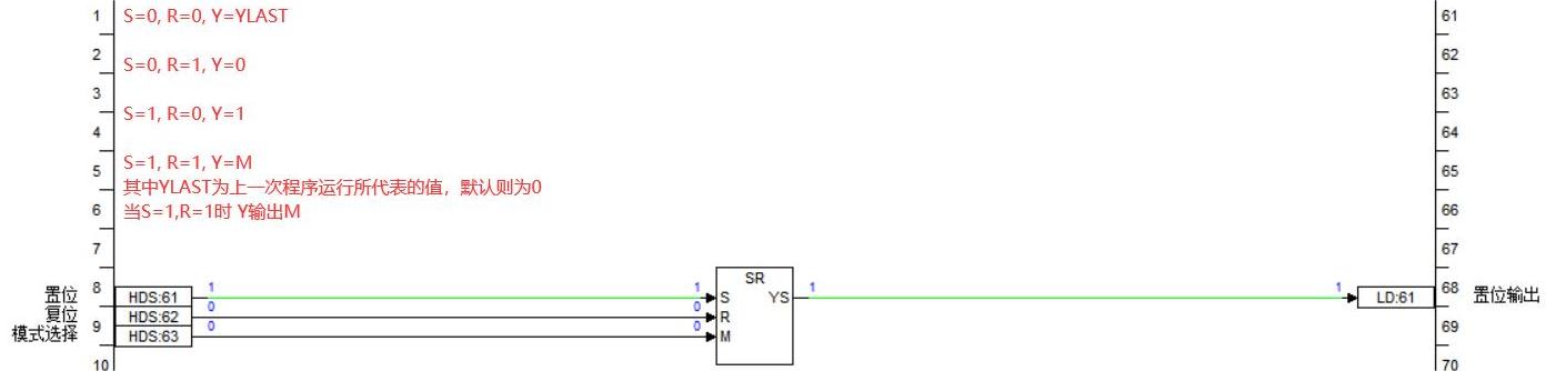
保持触发器
| 名称 | 保持触发器 | 代码 | SR | 序号 | 47 |
|---|
图形

功能块描述
(1) 当置位信号和复位信号同时存在时,输出M状态。
输入说明
| 序号 | 标记名 | 数据类型 | 缺省值 | 可视缺省值 | 描述 |
|---|---|---|---|---|---|
| 1 | S | Bool | 0 | 1 | 置位 |
| 2 | R | Bool | 0 | 1 | 复位 |
| 3 | M | Bool | 0 | 0 | 模式选择 |
输出说明
| 序号 | 标记名 | 数据类型 | 可视缺省值 | 描述 |
|---|---|---|---|---|
| 1 | YS | Bool | <1/td> | 置位输出 |
工作区说明
| 序号 | 标记名 | 数据类型 | 数据长度(位) |
|---|---|---|---|
| 1 | YLast | Bool | 1 |
质量及异常说明
无
时序图

真值表
| S | R | YS |
|---|---|---|
| 0 | 0 | YLast |
| 0 | 1 | 0 |
| 1 | 0 | 1 |
| 1 | 1 | M |
功能块解释

开关量输入统计
| 名称 | 开关量输入统计 | 代码 | DGC | 序号 | 48 |
|---|
图形

功能块描述
(1) 统计输入的布尔量的个数。 (2) 最多允许6个输入。
输入说明
| 序号 | 标记名 | 数据类型 | 缺省值 | 可视缺省值 | 描述 |
|---|---|---|---|---|---|
| 1 | X1 | Bool | 0 | 1 | 输入1 |
| 2 | X2 | Bool | 0 | 1 | 输入2 |
| 3 | X3 | Bool | 0 | 1 | 输入3 |
| 4 | X4 | Bool | 0 | 0 | 输入4 |
| 5 | X5 | Bool | 0 | 0 | 输入5 |
| 6 | X6 | Bool | 0 | 0 | 输入6 |
输出说明
| 序号 | 标记名 | 数据类型 | 可视缺省值 | 描述 |
|---|---|---|---|---|
| 1 | Y | INT | 1 | 输出 |
工作区说明
无
质量及异常说明
无
时序图

功能块解释

开关量转模拟量
| 名称 | 开关量转模拟量 | 代码 | PAC | 序号 | 49 |
|---|
图形

功能块描述
(1) 将输入的开关量信号转换为整形数据后输出到Y;
(2) 每个开关量输入信号对应输出Y的一个bit位,X1为最低位,X32为最高位;
(3) 最多允许32个输入。
输入说明
| 序号 | 标记名 | 数据类型 | 缺省值 | 可视缺省值 | 描述 |
|---|---|---|---|---|---|
| 1 | X1 | Bool | 0 | 1 | 输入1 |
| 2 | X2 | Bool | 0 | 1 | 输入2 |
| 3 | X3 | Bool | 0 | 1 | 输入3 |
| 4 | X4 | Bool | 0 | 0 | 输入4 |
| ... | ... | ... | ... | ... | ... |
| 6 | X32 | Bool | 0 | 0 | 输入32 |
输出说明
| 序号 | 标记名 | 数据类型 | 可视缺省值 | 描述 |
|---|---|---|---|---|
| 1 | Y | INT | 1 | 输出 |
工作区说明
无
质量及异常说明
无
算法说明

逻辑图

功能块解释

双字逻辑与运算
| 名称 | 双字逻辑与运算 | 代码 | ANDW | 序号 | 50 |
|---|
图形

功能块描述
(1) 将X1, X1+1 和X2, X2+1 中指定的数据进行逻辑与,并且把结果送到Y,Y+1
输入说明
| 序号 | 标记名 | 数据类型 | 缺省值 | 可视缺省值 | 描述 |
|---|---|---|---|---|---|
| 1 | X1 | INT | 0 | 1 | 输入1 |
| 2 | X2 | INT | 0 | 1 | 输入2 |
输出说明
| 序号 | 标记名 | 数据类型 | 可视缺省值 | 描述 |
|---|---|---|---|---|
| 1 | Y | INT | 1 | 输出 |
工作区说明
无
质量及异常说明
无
算法说明
(X1, X1+1)AND (X2, X2+1) → (Y, Y+1)
真值表
| X1,X1+1 | X2,X2+1 | Y,Y+1 |
|---|---|---|
| 0 | 0 | 0 |
| 1 | 0 | 0 |
| 0 | 1 | 0 |
| 1 | 1 | 1 |
功能块解释

双字逻辑或运算
| 名称 | 双字逻辑或运算 | 代码 | ORW | 序号 | 51 |
|---|
图形

功能块描述 (1) 将X1, X1+1 和X2, X2+1 中指定的数据进行逻辑或,并且把结果送到Y,Y+1。
输入说明
| 序号 | 标记名 | 数据类型 | 缺省值 | 可视缺省值 | 描述 |
|---|---|---|---|---|---|
| 1 | X1 | INT | 0 | 1 | 输入1 |
| 2 | X2 | INT | 0 | 1 | 输入2 |
输出说明
| 序号 | 标记名 | 数据类型 | 可视缺省值 | 描述 |
|---|---|---|---|---|
| 1 | Y | INT | 1 | 输出 |
工作区说明
无
质量及异常说明
无
算法说明
(X1, X1+1)OR (X2, X2+1) → (Y, Y+1)
真值表
| X1,X1+1 | X2,X2+1 | Y,Y+1 |
|---|---|---|
| 0 | 0 | 0 |
| 1 | 0 | 1 |
| 0 | 1 | 1 |
| 1 | 1 | 1 |
功能块解释

双字逻辑非运算
| 名称 | 代码 | 序号 |
|---|
图形

功能块描述
(1) 将X1, X1+1中所有取反,并且把结果送到Y,Y+1。
输入说明
| 序号 | 标记名 | 数据类型 | 缺省值 | 可视缺省值 | 描述 |
|---|---|---|---|---|---|
| 1 | X | INT | 0 | 1 | 输入1 |
输出说明
| 序号 | 标记名 | 数据类型 | 可视缺省值 | 描述 | |
|---|---|---|---|---|---|
| 1 | Y | INT | 1 | 输出 |
工作区说明
无
质量及异常说明
无
算法说明
NOT(X1, X1+1) → (Y, Y+1)
真值表
| X1 , X1+1 | Y , Y+1 |
|---|---|
| 0 | 1 |
| 1 | 0 |
功能块解释

双字逻辑异或运算
| 名称 | 双字逻辑异或运算 | 代码 | XORW | 序号 | 53 |
|---|
图形

功能块描述
(1) 将X1, X1+1 和X2, X2+1 中指定的数据进行逻辑异或,并且把结果送到Y,Y+1。
输入说明
| 序号 | 标记名 | 数据类型 | 缺省值 | 可视缺省值 | 描述 |
|---|---|---|---|---|---|
| 1 | X1 | INT | 0 | 1 | 输入1 |
| 2 | X2 | INT | 0 | 1 | 输入2 |
输出说明
| 序号 | 标记名 | 数据类型 | 可视缺省值 | 描述 |
|---|---|---|---|---|
| 1 | Y | INT | 1 | 输出 |
工作区说明
无
质量及异常说明
无
算法说明
(X1, X1+1)^(X2, X2+1) →(Y, Y+1)
真值表
| X1,X1+1 | X2,X2+1 | Y,Y+1 |
|---|---|---|
| 0 | 0 | 0 |
| 1 | 0 | 1 |
| 0 | 1 | 1 |
| 1 | 1 | 0 |
功能块解释

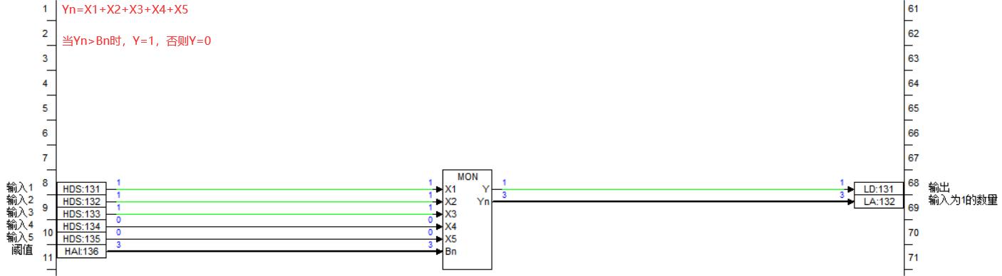
位数量判断
| 名称 | 位数量判断 | 代码 | MON | 序号 |
|---|
图形

功能块描述
(1) 对输入的布尔量进行个数进行统计,并和Bn做比较后输出。
(2) 最多允许5个输入。
输入说明
| 序号 | 标记名 | 数据类型 | 缺省值 | 可视缺省值 | 描述 |
|---|---|---|---|---|---|
| 1 | X1 | Bool | 0 | 1 | 输入1 |
| 2 | X2 | Bool | 0 | 1 | 输入2 |
| 3 | X3 | Bool | 0 | 1 | 输入3 |
| 4 | X4 | Bool | 0 | 0 | 输入4 |
| 5 | X5 | Bool | 0 | 0 | 输入5 |
| 6 | Bn | int | 0 | 1 | 阈值 |
输出说明
| 序号 | 标记名 | 数据类型 | 可视缺省值 | 描述 |
|---|---|---|---|---|
| 1 | Y | Bool | 1 | M>Bn |
| 2 | Yn | int | 1 | 输入为1的数量 |
工作区说明
无
质量及异常说明
无
算法说明
(1) Yn:统计输入为1的数量。
(2) Y:当Yn>=BN时,Y=1,否则Y=0
功能块解释

4 算术运算
| 序号 | 代码 | 名称 |
|---|---|---|
| 61 | ADD | 加法 |
| 62 | ADD6 | 6 加法 |
| 63 | SUM | 复杂加法 |
| 64 | SUB | 减法 |
| 65 | MUL | 乘法 |
| 66 | MMUL | 复杂乘法 |
| 67 | DIV | 除法 |
| 68 | MDIV | 复杂除法 |
| 69 | PWR | 幂运算 |
| 70 | UPC | 取位 |
| 71 | AVE | 条件平均值 |
| 72 | AVG | 平均值 |
| 73 | INT | 取整 |
| 74 | QUO | 余商运算 |
| 75 | EXP | 指数运算 |
| 76 | LOG | 自然对数 |
| 77 | SIN | 正弦 |
| 78 | COS | 余弦 |
| 79 | TAN | 正切 |
| 80 | OSIN | 反正弦 |
| 81 | OCOS | 反余弦 |
| 82 | OTAN | 反正切 |
| 83 | ABS | 绝对值 |
| 84 | ROOT | 开根号 |
| 85 | SQRT | 复杂开方运算 |
| 86 | POLY | 多项式 |
加法
| 名称 | 加法 | 代码 | ADD | 序号 | 61 |
|---|
图形

功能块描述
(1) 对两个输入进行加法运算。
输入说明
| 序号 | 标记名 | 数据类型 | 缺省值 | 可视缺省值 | 描述 |
|---|---|---|---|---|---|
| 1 | X1 | FLOAT | 0.0 | 1 | 输入1 |
| 2 | X2 | FLOAT | 0.0 | 1 | 输入2 |
输出说明
| 序号 | 标记名 | 数据类型 | 可视缺省值 | 描述 |
|---|---|---|---|---|
| 1 | Y | FLOAT | 1 | 输出 |
工作区说明
无
质量及异常说明
无
算法说明
Y= X1+ X2
功能块解释

6 加法
| 名称 | 6 加法 | 代码 | ADD6 | 序号 | 62 |
|---|
图形

功能块描述
(1) 对多个输入进行加法运算。
(2) 最多允许6个输入。
输入说明
| 序号 | 标记名 | 数据类型 | 缺省值 | 可视缺省值 | 描述 |
|---|---|---|---|---|---|
| 1 | X1 | FLOAT | 0.0 | 1 | 输入1 |
| 2 | X2 | FLOAT | 0.0 | 1 | 输入2 |
| 3 | X3 | FLOAT | 0.0 | 1 | 输入3 |
| 4 | X4 | FLOAT | 0.0 | 0 | 输入4 |
| 5 | X5 | FLOAT | 0.0 | 0 | 输入5 |
| 6 | X6 | FLOAT | 0.0 | 0 | 输入6/td> |
输出说明
| 序号 | 标记名 | 数据类型 | 可视缺省值 | 描述 |
|---|---|---|---|---|
| 1 | Y | FLOAT | 1 | 输出 |
工作区说明
无
质量及异常说明
无
功能块解释

复杂加法
| 名称 | 复杂加法 | 代码 | SUM | 序号 | 63 |
|---|
图形

功能块描述
(1) 将输入数据Xn放大Kn倍后,和常数C做加法运算。
输入说明
| 序号 | 标记名 | 数据类型 | 缺省值 | 可视缺省值 | 描述 |
|---|---|---|---|---|---|
| 1 | X1 | FLOAT | 0.0 | 1 | 输入1 |
| 2 | K1 | FLOAT | 1.0 | 1 | 增益1 |
| 3 | X2 | FLOAT | 0.0 | 1 | 输入2 |
| 4 | K2 | FLOAT | 1.0 | 1 | 增益2 |
| 5 | C | FLOAT | 0.0 | 1 | 偏置 |
输出说明
| 序号 | 标记名 | 数据类型 | 可视缺省值 | 描述 |
|---|---|---|---|---|
| 1 | Y | FLOAT | 1 | 输出 |
工作区说明
无
质量及异常说明
无
算法说明
Y= K1X1 + K2X2 + C
功能块解释

减法
| 名称 | 减法 | 代码 | SUB | 序号 | 64 |
|---|
图形

功能块描述
(1) 将X1,和X2做减法运算,并且把结果送给Y。
输入说明
| 序号 | 标记名 | 数据类型 | 缺省值 | 可视缺省值 | 描述 |
|---|---|---|---|---|---|
| 1 | X1 | FLOAT | 0.0 | 1 | 输入1 |
| 2 | X2 | FLOAT | 0.0 | 1 | 输入2 |
输出说明
| 序号 | 标记名 | 数据类型 | 可视缺省值 | 描述 |
|---|---|---|---|---|
| 1 | Y | FLOAT | 1 | 输出 |
工作区说明
无
质量及异常说明
无
算法说明
Y =X1-X2
功能块解释

乘法
| 名称 | 乘法 | 代码 | MUL | 序号 | 65 |
|---|
图形

功能块描述
(1) 将X1和 X2进行乘法运算,并且把结果送给Y。
输入说明
| 序号 | 标记名 | 数据类型 | 缺省值 | 可视缺省值 | 描述 |
|---|---|---|---|---|---|
| 1 | X1 | FLOAT | 0.0 | 1 | 输入1 |
| 2 | X2 | FLOAT | 0.0 | 1 | 输入2 |
输出说明
| 序号 | 标记名 | 数据类型 | 可视缺省值 | 描述 |
|---|---|---|---|---|
| 1 | Y | FLOAT | 1 | 输出 |
工作区说明
无
质量及异常说明
无
算法说明
Y =X1*X2
功能块解释

复杂乘法
| 名称 | 复杂乘法 | 代码 | MMUL | 序号 | 66 |
|---|
图形

功能块描述
(1)带有增益和偏置的乘法计算,并将结果输出到Y
输入说明
| 序号 | 标记名 | 数据类型 | 缺省值 | 可视缺省值 | 描述 |
|---|---|---|---|---|---|
| 1 | X1 | FLOAT | 0.0 | 1 | 输入1 |
| 2 | K1 | FLOAT | 1.0 | 0 | 增益1 |
| 3 | C1 | FLOAT | 0 | 0 | 偏置1 |
| 4 | X2 | FLOAT | 0.0 | 1 | 输入2 |
| 5 | K2 | FLOAT | 1.0 | 0 | 增益2 |
| 6 | C2 | FLOAT | 0 | 0 | 偏置2 |
输出说明
| 序号 | 标记名 | 数据类型 | 可视缺省值 | 描述 |
|---|---|---|---|---|
| 1 | Y | FLOAT | 1 | 输出 |
工作区说明
无
质量及异常说明
无
算法说明
Y = (k1X1+C1)(k2*X2+C2)
功能块解释

除法
| 名称 | 除法 | 代码 | DIV | 序号 | 67 |
|---|
图形

功能块描述
(1)将X1和 X2进行除法运算,并且把结果送给Y。
输入说明
| 序号 | 标记名 | 数据类型 | 缺省值 | 可视缺省值 | 描述 |
|---|---|---|---|---|---|
| 1 | X1 | FLOAT | 0.0 | 1 | 输入1 |
| 2 | X2 | FLOAT | 0.0 | 1 | 输入2 |
输出说明
| 序号 | 标记名 | 数据类型 | 可视缺省值 | 描述 |
|---|---|---|---|---|
| 1 | Y | FLOAT | 1 | 输出 |
工作区说明
无
质量及异常说明
X2=0.0,保持当前值,参数错误
算法说明
(1) X2=0,Y=Ylast
(2) Y=X1/X2
功能块解释

复杂除法
| 名称 | 复杂除法 | 代码 | MDIV | 序号 | 68 |
|---|
图形

功能块描述
(1) 除数和被除数带有增益和偏置的除法运算,并将计算结果输出到Y
输入说明
| 序号 | 标记名 | 数据类型 | 缺省值 | 可视缺省值 | 描述 |
|---|---|---|---|---|---|
| 1 | X1 | FLOAT | 0.0 | 1 | 输入1 |
| 2 | K1 | FLOAT | 1.0 | 0 | 增益1 |
| 3 | C1 | FLOAT | 0 | 0 | 偏置1 |
| 4 | X2 | FLOAT | 0.0 | 1 | 输入2 |
| 5 | K2 | FLOAT | 1.0 | 0 | 增益2 |
| 6 | C2 | FLOAT | 0 | 0 | 偏置2 |
输出说明
| 序号 | 标记名 | 数据类型 | 可视缺省值 | 描述 |
|---|---|---|---|---|
| 1 | Y | FLOAT | 1 | 输出 |
工作区说明
| 序号 | 标记名 | 数据类型 | 数据长度(位) |
|---|---|---|---|
| 1 | YLast | FLOAT | 2 |
质量及异常说明
(1)除数(K2*X2+C2)不能为0,当=0时,报功能块算法错误;
算法说明
(1)若除数(K2*X2+C2)=0,则Y=Ylast
(2)Y=(k1X1+C1)/(k2X2+C2)
功能块解释

幂运算
| 名称 | 幂运算 | 代码 | PWR | 序号 | 69 |
|---|
图形

功能块描述
(1) 取输出到Y。
输入说明
| 序号 | 标记名 | 数据类型 | 缺省值 | 可视缺省值 | 描述 |
|---|---|---|---|---|---|
| 1 | X1 | FLOAT | 0.0 | 1 | 输入1 |
| 2 | X2 | FLOAT | 0.0 | 1 | 输入2 |
输出说明
| 序号 | 标记名 | 数据类型 | 可视缺省值 | 描述 |
|---|---|---|---|---|
| 1 | Y | FLOAT | 1 | 输出 |
工作区说明
无
质量及异常说明
无
算法说明
当 a=0,b<0 时,Y=Ylast
否则:Y= ab
功能块解释

取位
| 名称 | 取位 | 代码 | UPC | 序号 | 70 |
|---|
图形

功能块描述
(1) 取整形输入的2个位。
输入说明
| 序号 | 标记名 | 数据类型 | 缺省值 | 可视缺省值 | 描述 |
|---|---|---|---|---|---|
| 1 | X | INT | 0 | 1 | 输入 |
| 2 | S | INT | 0 | 1 | 起始位 |
输出说明
| 序号 | 标记名 | 数据类型 | 可视缺省值 | 描述 |
|---|---|---|---|---|
| 1 | Y1 | Bool | 1 | 输出1 |
| 2 | Y2 | Bool | 1 | 输出2 |
工作区说明
无
质量及异常说明
无
算法说明

功能块解释

条件平均值
| 名称 | 条件平均值 | 代码 | AVE | 序号 | 71 |
|---|
图形

功能块描述
(1) 按照计算条件对输入信号进行连续的均值计算。
(2) 当触发条件C=1时,输出连续均值到Y。
(3) 当内部触发T=1时,对之前的值进行复位并开始新的计算周期
输入说明
| 序号 | 标记名 | 数据类型 | 缺省值 | 可视缺省值 | 描述 |
|---|---|---|---|---|---|
| 1 | X | Float | 0.0 | 1 | 输入 |
| 2 | C | Bool | 0 | 1 | 输出触发条件 |
| 3 | T | Bool | 0 | 1 | 内部复位触发 |
| 4 | DT | Float | 1.0 | 0 | 计算周期(单位:s) |
输出说明
| 序号 | 标记名 | 数据类型 | 可视缺省值 | 描述 |
|---|---|---|---|---|
| 1 | Y | Float | 1 | 输出 |
工作区说明
无
质量及异常说明
(1) 当采样周期大于计算周期时,报功能块算法错误。
注意: 内部工作变量区应该为实数的两倍。
采样频率越高,计算精度越低。
算法说明
无
功能块解释

平均值
| 名称 | 平均值 | 代码 | AVG | 序号 | 72 |
|---|
图形

功能块描述
(1) 求X1~X6的有效输入的平均值,只计算输入有连线部分,没有连线的不计算
输入说明
| 序号 | 标记名 | 数据类型 | 缺省值 | 可视缺省值 | 描述 |
|---|---|---|---|---|---|
| 1 | X1 | Float | 0.0 | 1 | 输入1 |
| 2 | X2 | Float | 0.0 | 1 | 输入2 |
| 3 | X3 | Float | 0.0 | 1 | 输入3 |
| 4 | X4 | Float | 0.0 | 0 | 输入4 |
| 5 | X5 | Float | 0.0 | 0 | 输入5 |
| 6 | X6 | Float | 0.0 | 0 | 输入6/td> |
输出说明
| 序号 | 标记名 | 数据类型 | 可视缺省值 | 描述 |
|---|---|---|---|---|
| 1 | Y | Float | 1 | 输出 |
工作区说明
| 序号 | 标记名 | 数据类型 | 数据长度(位) |
|---|---|---|---|
| 1 | YLast | Float | 2 |
质量及异常说明
(1)N不能为0,当N=0时,报功能块算法错误
算法说明
(1) Y=(X1+X2+X3+X4+X5+X6)/N
N为实际连线输入的个数;
功能块解释

取整
| 名称 | 取整 | 代码 | INT | 序号 | 73 |
|---|
图形

功能块描述
(1) 按照M值的要求,对X进行取整运算,并输出到Y。
输入说明
| 序号 | 标记名 | 数据类型 | 缺省值 | 可视缺省值 | 描述 |
|---|---|---|---|---|---|
| 1 | X | Float | 0.0 | 1 | 输入 |
| 2 | M | INT | 0 | 1 | 模式 |
输出说明
| 序号 | 标记名 | 数据类型 | 可视缺省值 | 描述 |
|---|---|---|---|---|
| 1 | Y | INT | 1 | 输出 |
工作区说明
质量及异常说明
(1) M的取值只能为0,1,2
(2) 当M取值为0,1,2之外的值时,M=1。
算法说明
(1) M=0,Y= Trunc(X),取整(舍弃小数点的值)
(2) M=1,Y=round(X),四舍五入
(3) M=2,Y=Roundup(X),进位取整
示例:若X=2.4,当M=0时,Y=2
M=1时,Y=2
M=2时,Y=3
功能块解释

余商运算
| 名称 | 余商运算 | 代码 | QUO | 序号 | 74 |
|---|
图形

功能块描述
(1) 输入数据按照一定的规律进行除法运算,取余数和商输出
输入说明
| 序号 | 标记名 | 数据类型 | 缺省值 | 可视缺省值 | 描述 |
|---|---|---|---|---|---|
| 1 | X1 | INT | 0 | 1 | 输入1 |
| 2 | K1 | INT | 1 | 1 | X1的增益 |
| 3 | C1 | INT | 0 | 1 | X1的偏置 |
| 4 | X2 | INT | 0 | 1 | 输入2 |
| 5 | K2 | INT | 1 | 1 | X2的增益 |
| 6 | C2 | INT | 0 | 1 | X2的偏置 |
输出说明
| 序号 | 标记名 | 数据类型 | 可视缺省值 | 描述 |
|---|---|---|---|---|
| 1 | YQUO | INT | 1 | 商 |
| 2 | YREM | INT | 1 | 余数 |
工作区说明
| 序号 | 标记名 | 数据类型 | 数据长度(位) |
|---|---|---|---|
| 1 | YQUOlast | INT | 1 |
| 2 | YREMlast | INT | 1 |
质量及异常说明
(1) 除数(k2X2+C2)不能为0,当(k2X2+C2)=0.0时报功能块算法错误。
算法说明
(1)当(k2X2+C2)=0.0时;
YMOD(n)=YMOD(n-1)
YQUO(n)=YQUO(n-1)
(2)当(k2X2+C2)<>0时;
YQUO为(k1X1+C1)/(k2X2+C2)的商
YREM为(k1X1+C1)/(k2X2+C2)的余数
功能块解释

指数运算
| 名称 | 指数运算 | 代码 | EXP | 序号 | 75 |
|---|
图形

功能块描述
(1) 求以e为底X的指数。
输入说明
| 序号 | 标记名 | 数据类型 | 缺省值 | 可视缺省值 | 描述 |
|---|---|---|---|---|---|
| 1 | X1 | Float | 0.0 | 1 | 输入 |
输出说明
| 序号 | 标记名 | 数据类型 | 可视缺省值 | 描述 |
|---|---|---|---|---|
| 1 | Y | Float | 1 | 输出 |
工作区说明
无
质量及异常说明
无
算法说明
Y=eX
功能块解释

自然对数
| 名称 | 自然对数 | 代码 | LOG | 序号 | 76 |
|---|
图形

功能块描述
(1) 求以e为底X的对数,并输出到Y。
输入说明
| 序号 | 标记名 | 数据类型 | 缺省值 | 可视缺省值 | 描述 |
|---|---|---|---|---|---|
| 1 | X1 | Float | 0.0 | 1 | 输入 |
输出说明
| 序号 | 标记名 | 数据类型 | 可视缺省值 | 描述 |
|---|---|---|---|---|
| 1 | Y | Float | 1 | 输出 |
工作区说明
| 序号 | 标记名 | 数据类型 | 数据长度(位) |
|---|---|---|---|
| 1 | YLast | Float | 2 |
质量及异常说明
(1)当X<=0.0时,报功能块算法错误
算法说明
(1) 当X<=0.0,Y=Ylast。
(2) Y=LnX。
功能块解释

正弦
| 名称 | 正弦 | 代码 | SIN | 序号 | 77 |
|---|
图形

功能块描述
(1) 按照一定的规律求输入数据的正弦函数,并输出到Y。
输入说明
| 序号 | 标记名 | 数据类型 | 缺省值 | 可视缺省值 | 描述 |
|---|---|---|---|---|---|
| 1 | X1 | Float | 0.0 | 1 | 角度值 |
| 2 | K1 | Float | 1.0 | 1 | 增益 |
| 3 | C1 | Float | 0.0 | 1 | 初相位 |
| 4 | K | Float | 1.0 | 1 | 幅值 |
输出说明
| 序号 | 标记名 | 数据类型 | 可视缺省值 | 描述 |
|---|---|---|---|---|
| 1 | Y | Float | 1 | 输出 |
工作区说明
无
质量及异常说明
无
算法说明
(1) Y =Ksin(k1X1+C1)
功能块解释

余弦
| 名称 | 余弦 | 代码 | COS | 序号 | 78 |
|---|
图形

功能块描述
(1) 按照一定的规律求输入数据的余弦函数,并输出到Y。
输入说明
| 序号 | 标记名 | 数据类型 | 缺省值 | 可视缺省值 | 描述 |
|---|---|---|---|---|---|
| 1 | X1 | Float | 0.0 | 1 | 角度值 |
| 2 | K1 | Float | 1.0 | 1 | 增益 |
| 3 | C1 | Float | 0.0 | 1 | 初相位 |
| 4 | K | Float | 1.0 | 1 | 幅值 |
输出说明
| 序号 | 标记名 | 数据类型 | 可视缺省值 | 描述 |
|---|---|---|---|---|
| 1 | Y | Float | 1 | 输出 |
工作区说明
无
质量及异常说明
无
算法说明
(1) Y =Kcos(k1X1+C1)
功能块解释

正切
| 名称 | 正切 | 代码 | TAN | 序号 | 79 |
|---|

图形
功能块描述
(1) 按照一定的规律求输入数据的正切函数,并输出到Y。
输入说明
| 序号 | 标记名 | 数据类型 | 缺省值 | 可视缺省值 | 描述 |
|---|---|---|---|---|---|
| 1 | X1 | Float | 0.0 | 1 | 角度值 |
| 2 | K1 | Float | 1.0 | 1 | 增益 |
| 3 | C1 | Float | 0.0 | 1 | 初相位 |
| 4 | K | Float | 1.0 | 1 | 幅值 |
输出说明
| 序号 | 标记名 | 数据类型 | 可视缺省值 | 描述 |
|---|---|---|---|---|
| 1 | Y | Float | 1 | 输出 |
工作区说明
无
质量及异常说明
无
算法说明
(1) Y =Ktan(k1X1+C1)
功能块解释

反正弦
| 名称 | 反正弦 | 代码 | OSIN | 序号 | 80 |
|---|
图形

功能块描述
(1) 按照一定的规律求输入数据的反正弦函数,并输出到Y。
输入说明
| 序号 | 标记名 | 数据类型 | 缺省值 | 可视缺省值 | 描述 |
|---|---|---|---|---|---|
| 1 | X | Float | 0.0 | 1 | 输入 |
| 2 | K | Float | 1.0 | 1 | 幅值 |
输出说明
| 序号 | 标记名 | 数据类型 | 可视缺省值 | 描述 |
|---|---|---|---|---|
| 1 | Y | Float | 1 | 角度 |
工作区说明
| 序号 | 标记名 | 数据类型 | 数据长度(位) |
|---|---|---|---|
| 1 | YLast | Float | 2 |
质量及异常说明
(1) K不能为0,否则报功能块算法错误
算法说明
(1) K=0时,Y=Ylast
(2) X/K>1或X/K<-1时,Y=Ylast
(3) K<>0时,Y=asin(X/k)
功能块解释

反余弦
| 名称 | 反余弦 | 代码 | OCOS | 序号 | 81 |
|---|
图片

功能块描述
(1) 按照一定的规律求输入数据的反余弦函数,并输出到Y。
输入说明
| 序号 | 标记名 | 数据类型 | 缺省值 | 可视缺省值 | 描述 |
|---|---|---|---|---|---|
| 1 | X | Float | 0.0 | 1 | 输入 |
| 2 | K | Float | 1.0 | 1 | 幅值 |
输出说明
| 序号 | 标记名 | 数据类型 | 可视缺省值 | 描述 |
|---|---|---|---|---|
| 1 | Y | Float | 1 | 角度 |
工作区说明
| 序号 | 标记名 | 数据类型 | 数据长度(位) |
|---|---|---|---|
| 1 | YLast | Float | 2 |
质量及异常说明
(1) K不能为0,否则报功能块算法错误
算法说明
(1) K=0时,Y=Ylast
(2) X/K>1或X/K<-1时,Y=Ylast
(3) K<>0时,Y=acos(X/k)
功能块解释

反正切
| 名称 | 反正切 | 代码 | OTAN | 序号 | 82 |
|---|

功能块描述
(1) 按照一定的规律求输入数据的反正切函数,并输出到Y。
输入说明
| 序号 | 标记名 | 数据类型 | 缺省值 | 可视缺省值 | 描述 |
|---|---|---|---|---|---|
| 1 | X | Float | 0.0 | 1 | 输入 |
| 2 | K | Float | 1.0 | 1 | 幅值 |
输出说明
| 序号 | 标记名 | 数据类型 | 可视缺省值 | 描述 |
|---|---|---|---|---|
| 1 | Y | Float | 1 | 角度 |
工作区说明
| 序号 | 标记名 | 数据类型 | 数据长度(位) |
|---|---|---|---|
| 1 | YLast | Float | 2 |
质量及异常说明
(1) K不能为0,否则报功能块算法错误
算法说明
(1)K=0时,Y=Ylast
(2)K<>0时,Y=atan(X/k)
功能块解释

绝对值
| 名称 | 绝对值 | 代码 | ABS | 序号 | 83 |
|---|
图形

功能块描述
(1) 取输入值的绝对值并输出到Y。
输入说明
| 序号 | 标记名 | 数据类型 | 缺省值 | 可视缺省值 | 描述 |
|---|---|---|---|---|---|
| 1 | X | Float | 0.0 | 1 | 输入 |
输出说明
| 序号 | 标记名 | 数据类型 | 可视缺省值 | 描述 |
|---|---|---|---|---|
| 1 | Y | Float | 1 | 输出 |
工作区说明
无
质量及异常说明
无
算法说明
Y=|X|
功能块解释

开根号
| 名称 | 开根号 | 代码 | ROOT | 序号 | 84 |
|---|
图形

功能块描述
(1)取输入值开根号后输出到Y。
输入说明
| 序号 | 标记名 | 数据类型 | 缺省值 | 可视缺省值 | 描述 |
|---|---|---|---|---|---|
| 1 | X | Float | 0.0 | 1 | 输入, X>=0 |
输出说明
| 序号 | 标记名 | 数据类型 | 可视缺省值 | 描述 |
|---|---|---|---|---|
| 1 | Y | Float | 1 | 输出 |
工作区说明
无
质量及异常说明
(1) X的取值必须大于等于0,当X<0时,报功能块算法错误;
算法说明
(1) 当X>=0时,Y=√X。
(2) 当X<0时,Y=Ylast。
功能块解释

复杂开方运算
| 名称 | 复杂开方运算 | 代码 | SQRT | 序号 | 85 |
|---|

功能块描述
Y=K*(k1*X+C1)1/2
输入说明
| 序号 | 标记名 | 数据类型 | 缺省值 | 可视缺省值 | 描述 |
|---|---|---|---|---|---|
| 1 | X | Float | 0.0 | 1 | 输入,X>=0 |
| 2 | K | Float | 1.0 | 0 | 总增益 |
| 3 | K1 | Float | 1.0 | 0 | 输入增益 |
| 4 | C1 | Float | 0.0 | 0 | 输入偏置 |
输出说明
| 序号 | 标记名 | 数据类型 | 可视缺省值 | 描述 |
|---|---|---|---|---|
| 1 | Y | Float | 1 | 输出 |
工作区说明
无
质量及异常说明
(1)(k1X+C1)的取值必须大于等于0,当(k1X+C1)<0时,报功能块算法错误;
算法说明
(1)当(k1X+C1)>=0时,Y= K k1* X C1 。
(2)当(k1*X+C1)<0时,Y=Ylast。
功能块解释

多项式
| 名称 | 多项式 | 代码 | POLY | 序号 | 86 |
|---|
图形

功能块描述
本功能块对输入变量进行五次多项式运算,输出到Y
输入说明
| 序号 | 标记名 | 数据类型 | 缺省值 | 可视缺省值 | 描述 |
|---|---|---|---|---|---|
| 1 | X | Float | 1.0 | 1 | 输入 |
| 2 | C0 | Float | 1.0 | 1 | 系数0 |
| 3 | C1 | Float | 1.0 | 1 | 系数1 |
| 4 | C2 | Float | 1.0 | 1 | 系数2 |
| 5 | C3 | Float | 1.0 | 1 | 系数3 |
| 6 | C4 | Float | 1.0 | 1 | 系数4 |
输出说明
| 序号 | 标记名 | 数据类型 | 可视缺省值 | 描述 |
|---|---|---|---|---|
| 1 | Y | Float | 1 | 输出 |
工作区说明
无
质量及异常说明
无
算法说明
Y= C0 + C1X + C2X2 + C3X3 + C4X4
功能块解释

5 比较运算
| 序号 | 代码 | 名称 |
|---|---|---|
| 101 | CMP | 比较 |
| 102 | LES | 小于 |
| 103 | HLM | 区间外 |
| 104 | HMH | 高限迟滞 |
| 105 | LMH | 低限迟滞 |
| 106 | HLH | 高低限迟滞 |
| 107 | DHL | 偏差区间外 |
| 108 | MAX | 取大值 |
| 109 | MIN | 取小值 |
| 110 | MED | 取中值 |
| 111 | LMT | 高低限限幅器 |
| 112 | RHL | 斜率监视器 |
| 113 | MAT | 模拟量侦测器 |
| 114 | LIA | 限值报警 |
大于
| 名称 | 比较 | 代码 | CMP | 序号 | 101 |
|---|
图形

功能块描述
对2个输入值进行大小比较运算,并将结果输出到Y;
输入说明
| 序号 | 标记名 | 数据类型 | 缺省值 | 可视缺省值 | 描述 |
|---|---|---|---|---|---|
| 1 | X1 | Float | 0.0 | 1 | 输入1 |
| 2 | X2 | Float | 0.0 | 1 | 输入2 |
输出说明
| 序号 | 标记名 | 数据类型 | 可视缺省值 | 描述 |
|---|---|---|---|---|
| 1 | Y | Bool | 1 | 输出 |
工作区说明
无
质量及异常说明
无
算法说明
(1)若X1>X2,则Y=1,否则Y=0
功能块解释

小于
| 名称 | 小于 | 代码 | LES | 序号 | 102 |
|---|
图形

功能块描述
(1) 对2个输入值进行大小比较运算,并将结果输出到Y;
输入说明
| 序号 | 标记名 | 数据类型 | 缺省值 | 可视缺省值 | 描述 |
|---|---|---|---|---|---|
| 1 | X1 | Float | 0.0 | 1 | 输入1 |
| 2 | X2 | Float | 0.0 | 1 | 输入2 |
输出说明
| 序号 | 标记名 | 数据类型 | 可视缺省值 | 描述 |
|---|---|---|---|---|
| 1 | Y | Bool | 1 | 输出 |
工作区说明
无
质量及异常说明
无
算法说明
(1)若X1<X2,则Y=1,否则Y=0
功能块解释

区间外
| 名称 | 区间外 | 代码 | HLM | 序号 | 103 |
|---|
图形

功能块描述
(1) 判断输入值是否处于规定的区间外
输入说明
| 序号 | 标记名 | 数据类型 | 缺省值 | 可视缺省值 | 描述 |
|---|---|---|---|---|---|
| 1 | X | Float | 0.0 | 1 | 输入值 |
| 2 | H | Float | 0.0 | 1 | 上限值 |
| 3 | L | Float | 0.0 | 1 | 下限值 |
输出说明
| 序号 | 标记名 | 数据类型 | 可视缺省值 | 描述 |
|---|---|---|---|---|
| 1 | Y | Bool | 1 | 输出 |
工作区说明
无
质量及异常说明
无
算法说明
(1)若X>H或X< L时,则Y=1,否则Y=0
功能块解释

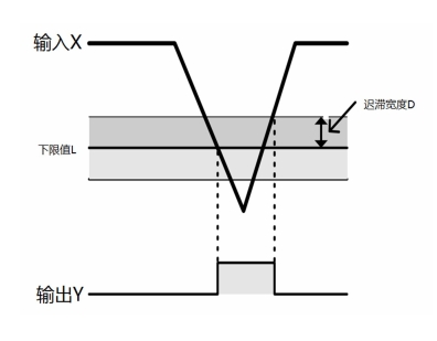
高限迟滞
| 名称 | 高限迟滞 | 代码 | HMH | 序号 | 104 |
|---|
图形

功能块描述
(1) 当输入值超过设定的上限值时输出为1。
(2) 通过对报警迟滞值的设置,防止输入在报警值周围波动而产生的重复报警
信号。
输入说明
| 序号 | 标记名 | 数据类型 | 缺省值 | 可视缺省值 | 描述 |
|---|---|---|---|---|---|
| 1 | X | Float | 0.0 | 1 | 输入 |
| 2 | H | Float | 10.0 | 1 | 上限 |
| 3 | D | Float | 1.0 | 1 | 迟滞宽度 |
输出说明
| 序号 | 标记名 | 数据类型 | 可视缺省值 | 描述 |
|---|---|---|---|---|
| 1 | Y | Bool | 1 | 输出 |
工作区说明
无
质量及异常说明
迟滞值D的设置必须大于等于0,当D<0时。报功能块算法错误
算法说明
(1) 当X>=H时,Y=1。
(2) 当X<(H-D)时,Y=0
动作图

功能块解释

低限迟滞
| 名称 | 低限迟滞 | 代码 | LMH | 序号 | 105 |
|---|
图形

功能块描述
(1) 当输入值低于设定的下限值时输出为1。
(2) 通过对报警迟滞值的设置,防止输入在报警值周围波动而产生的重复报警信
号。
输入说明
| 序号 | 标记名 | 数据类型 | 缺省值 | 可视缺省值 | 描述 |
|---|---|---|---|---|---|
| 1 | X | Float | 0.0 | 1 | 输入 |
| 2 | L | Float | 2.0 | 1 | 下限 |
| 3 | D | Float | 1.0 | 1 | 迟滞宽度 |
输出说明
| 序号 | 标记名 | 数据类型 | 可视缺省值 | 描述 |
|---|---|---|---|---|
| 1 | Y | Bool | 1 | 输出 |
工作区说明
无
质量及异常说明
迟滞值D的设置必须大于等于0,当D<0时。报功能块算法错误
算法说明
(1) 当X<=L时,Y=1。
(2) 当X>(L+D)时,Y=0
动作图

功能块解释

高低限迟滞
| 名称 | 高低限迟滞 | 代码 | HLH | 序号 | 106 |
|---|
图形

功能块描述
(1) 当输入值超过设定的上限值或低于设定的下限值时输出为1。
(2) 通过对报警迟滞值的设置,防止输入在报警值周围波动而产生的重复报警
信号。
输入说明
| 序号 | 标记名 | 数据类型 | 缺省值 | 可视缺省值 | 描述 |
|---|---|---|---|---|---|
| 1 | X | Float | 0.0 | 1 | 输入 |
| 2 | H | Float | 10.0 | 1 | 上限 |
| 3 | L | Float | 2.0 | 1 | 下限 |
| 4 | D | Float | 1.0 | 1 | 迟滞宽度 |
输出说明
| 序号 | 标记名 | 数据类型 | 可视缺省值 | 描述 |
|---|---|---|---|---|
| 1 | Y | Bool | 1 | 输出 |
工作区说明
无
质量及异常说明
(1) 迟滞值D的设置必须大于等于0,当D<0时,报功能块算法错误。
(2) H必须要大于L,否则报功能块算法错误。
(3) L+D < H-D,否则报功能块算法错误。
算法说明
(1) 当X>=H时,Y=1。
(2) 当X<(H-D)时,Y=0
(3) 当X<=L时,Y=1。
(4) 当X>(L+D)时,Y=0
动作图

功能块解释

偏差区间外
| 名称 | 偏差区间外 | 代码 | DHL | 序号 | 107 |
|---|
图形

功能块描述
(1)用于判断输入的偏差值是否处于偏差高底限(H / L)之外。
输入说明
| 序号 | 标记名 | 数据类型 | 缺省值 | 可视缺省值 | 描述 |
|---|---|---|---|---|---|
| 1 | X | Float | 0.0 | 1 | 输入1 |
| 2 | X2 | Float | 0.0 | 1 | 输入2 |
| 3 | H | Float | 10.0 | 1 | 上限 |
| 4 | L | Float | 2.0 | 1 | 下限 |
输出说明
| 序号 | 标记名 | 数据类型 | 可视缺省值 | 描述 |
|---|---|---|---|---|
| 1 | Y | Bool | 1 | 输出 |
工作区说明
无
质量及异常说明
(1) H必须要大于L,否则报功能块算法错误。
算法说明
(1) 当X1-X2>=H时或X1-X2=<L时,Y=1,否则Y=0。
动作图

功能块解释

取大值
| 名称 | 取大值 | 代码 | MAX | 序号 | 108 |
|---|
图形

功能块描述
(1) 取输入值中的最大值输出。
(2) 最多允许3个输入。
输入说明
| 序号 | 标记名 | 数据类型 | 缺省值 | 可视缺省值 | 描述 |
|---|---|---|---|---|---|
| 1 | X | Float | 0.0 | 1 | 输入1 |
| 2 | X2 | Float | 0.0 | 1 | 输入2 |
| 3 | X3 | Float | 0.0 | 1 | 输入3 |
输出说明
| 序号 | 标记名 | 数据类型 | 可视缺省值 | 描述 |
|---|---|---|---|---|
| 1 | Y | Bool | 1 | 输出 |
工作区说明
无
质量及异常说明
无
算法说明
MAX(X1,X2,X3) →Y
动作图

功能块解释

取小值
| 名称 | 取小值 | 代码 | MIN | 序号 | 109 |
|---|
图形

功能块描述
(1) 取输入值中的最小值输出。
(2) 最多允许3个输入。
输入说明
| 序号 | 标记名 | 数据类型 | 缺省值 | 可视缺省值 | 描述 |
|---|---|---|---|---|---|
| 1 | X | Float | 0.0 | 1 | 输入1 |
| 2 | X2 | Float | 0.0 | 1 | 输入2 |
| 3 | X3 | Float | 0.0 | 1 | 输入3 |
输出说明
| 序号 | 标记名 | 数据类型 | 可视缺省值 | 描述 |
|---|---|---|---|---|
| 1 | Y | Bool | 1 | 输出 |
工作区说明
无
质量及异常说明
无
算法说明
MIN(X1,X2,X3) →Y
动作图

功能块解释

取中值
| 名称 | 取中值 | 代码 | MED | 序号 | 110 |
|---|
图形

功能块描述
(1) 取输入值中的中间值输出。
(2) 最多允许3个输入。
输入说明
| 序号 | 标记名 | 数据类型 | 缺省值 | 可视缺省值 | 描述 |
|---|---|---|---|---|---|
| 1 | X | Float | 0.0 | 1 | 输入1 |
| 2 | X2 | Float | 0.0 | 1 | 输入2 |
| 3 | X3 | Float | 0.0 | 1 | 输入3 |
输出说明
| 序号 | 标记名 | 数据类型 | 可视缺省值 | 描述 |
|---|---|---|---|---|
| 1 | Y | Bool | 1 | 输出 |
工作区说明
无
质量及异常说明
无
算法说明
MED(X1,X2,X3) →Y
动作图

功能块解释

高低限限幅器
| 名称 | 高低限限幅器 | 代码 | LMT | 序号 | 111 |
|---|
图形

功能块描述
(1) 将输入值限定在规定的区间内进行输出。
(2) 用于过程输入的范围限制。
输入说明
| 序号 | 标记名 | 数据类型 | 缺省值 | 可视缺省值 | 描述 |
|---|---|---|---|---|---|
| 1 | X | Float | 0.0 | 1 | 输入值 |
| 2 | H | Float | 0.0 | 1 | 上限值 |
| 3 | L | Float | 0.0 | 1 | 下限值 |
输出说明
| 序号 | 标记名 | 数据类型 | 可视缺省值 | 描述 |
|---|---|---|---|---|
| 1 | Y | Bool | 1 | 输出 |
工作区说明
无
质量及异常说明
(1)H必须要大于L,否则报功能块算法错误。
算法说明
(1) X>=H,Y=H
(2) X<=L,Y=L
(3) H>X>L,Y=X
动作图

功能块解释

斜率监视器
| 名称 | 斜率监视器 | 代码 | RHL | 序号 | 112 |
|---|
图形

功能块描述
(1) 当输入X的变化率超过设定值R时,输出Y=1。
(2) 用于判断输入信号的瞬间变化率是否超限。
输入说明
| 序号 | 标记名 | 数据类型 | 缺省值 | 可视缺省值 | 描述 |
|---|---|---|---|---|---|
| 1 | X | Float | 0.0 | 1 | 输入 |
| 2 | Rc | Float | 0.0 | 1 | 变化率/s |
输出说明
| 序号 | 标记名 | 数据类型 | 可视缺省值 | 描述 |
|---|---|---|---|---|
| 1 | Y | Bool | 1 | 输出 |
工作区说明
无
质量及异常说明
无
算法说明
(1)当|(X-Xlast)/(T1000)|>R时,Y=1。
(2)当|(X-Xlast)/(T1000)|≤R时,Y=0。
其中:T为采样周期(ms)
动作图

功能块解释

模拟量侦测器
| 名称 | 模拟量侦测器 | 代码 | MAT | 序号 | 113 |
|---|
图形

功能块描述
输入说明
| 序号 | 标记名 | 数据类型 | 缺省值 | 可视缺省值 | 描述 |
|---|---|---|---|---|---|
| 1 | X | Float | 0.0 | 1 | 输入 |
| 2 | SV | Float | 0.0 | 1 | 设定值 |
| 3 | M | INT | 0 | 1 | 输出模式 |
| 4 | R | Bool | 0 | 1 | 复位 |
输出说明
| 序号 | 标记名 | 数据类型 | 可视缺省值 | 描述 |
|---|---|---|---|---|
| 1 | Max | Float | 1 | 最大值 |
| 2 | Min | Float | 1 | 最小值 |
| 3 | AVE | Float | 1 | 平均值 |
| 4 | Mout | Float | 1 | 模式输出 |
工作区说明
无
质量及异常说明
无
算法说明
动作图
功能块解释

限值报警
| 名称 | 限值报警 | 代码 | LIA | 序号 | 114 |
|---|
图形

功能块描述
(1) 用于判断输入值X是否在正常范围内;
输入说明
| 序号 | 标记名 | 数据类型 | 缺省值 | 可视缺省值 | 描述 |
|---|---|---|---|---|---|
| 1 | X | Float | 0 | 1 | 输入值 |
| 2 | HH | Float | 0 | 1 | 高高报设定值 |
| 3 | HHE | Bool | 0 | 1 | 高高报使能 |
| 4 | HI | Float | 0 | 1 | 高报设定值 |
| 5 | HIE | Bool | 0 | 1 | 高报使能 |
| 6 | LO | Float | 0 | 1 | 低报设定值 |
| 7 | LOE | Bool | 0 | 1 | 低报使能 |
| 8 | LL | Float | 0 | 1 | 低低报设定值 |
| 9 | LLE | Bool | 0 | 1 | 低低报使能 |
| 10 | ALLE | Bool | 0 | 1 | 全部报警使能 |
| 11 | DB | Float | 0 | 1 | 死区 |
输出说明
| 序号 | 标记名 | 数据类型 | 可视缺省值 | 描述 |
|---|---|---|---|---|
| 1 | YHH | Bool | 1 | 高高报 |
| 2 | YHI | Bool | 1 | 高报 |
| 3 | YLO | Bool | 1 | 低报 |
| 4 | YLL | Bool | 1 | 低低报 |
| 5 | ERR | Bool | 1 | 参数错误(为1时,说明参数有误) |
工作区说明
无
质量及异常说明
(1) 死区DB必须≥0;若死区<0,按死区=0计算;
(2) HH>HI>LO>LL,否则报功能块算法错误;
算法描述
(1) 当输入X>HH且HHE=1且ALLE=1,则输出YHH=1;当X<HH-DB或HHE=0或ALLE=0,则输出YHH=0;
(2) 当输入X>HI且HIE=1且ALLE=1,则输出YHI=1;当X<HI-DB或HIE=0或YHH=1或ALLE=0,则输出YHI=0;
(3) 当输入X<LO且LOE=1且ALLE=1,则输出YLO=1;当X>LO+DB或LOE=0或YLL=1或ALLE=0,则输出YLO=0;
(4) 当输入X<LL且LLE=1且ALLE=1,则输出YLL=1;当X>LL+DB或LLE=0或ALLE=0,则输出YLL=0;
功能块解释

条件选择
| 名称 | 条件选择(暂无) | 代码 | CASE | 序号 |
|---|
图形

功能块描述
无
输入说明
无
输出说明
无
工作区说明
无
质量及异常说明
无
算法说明
无
动作图
无
6 定时器计数器
| 序号 | 代码 | 名称 |
|---|---|---|
| 121 | OND | 延时接通 |
| 122 | OFD | 延时断开 |
| 123 | LTON | 长延时接通 |
| 124 | LTOF | 长延时断开 |
| 125 | OSP | 接通固定脉冲 |
| 126 | TDW | 接通脉冲 |
| 127 | TON | 上升沿脉冲 |
| 128 | TOF | 下将沿脉冲 |
| 129 | CNT | 上升沿计数器 |
| 130 | MCNT | 复杂计数器 |
延时接通
| 名称 | 延时接通 | 代码 | OND | 序号 | 121 |
|---|
图形

功能块描述
(1) 当X信号从0变到1时,经过计时时间T后,输出信号Y上升为高电平并跟随X信号的复位变为0。
(2) X信号的宽度小于T时,输出Y保持为0。
(3) 当W被强制时:定时器保持剩余时间不变,解除强制后继续计时。
输入说明
| 序号 | 标记名 | 数据类型 | 缺省值 | 可视缺省值 | 描述 |
|---|---|---|---|---|---|
| 1 | X | Bool | 0 | 1 | 输入 |
| 2 | T | Float | 0.0 | 1 | 延时时间,单位:s |
输出说明
| 序号 | 标记名 | 数据类型 | 可视缺省值 | 描述 |
|---|---|---|---|---|
| 1 | Y | Bool | 1 | 输出 |
| 2 | W | Float | 1 | 剩余时间,单位:秒 |
工作区说明
无
质量及异常说明
(1) 计时时间T最大为9999999秒, 当T超过最大计时时间,功能块报输入超高限错误。
(2) 当T<0,功能块报输入超低限错误;
时序图

功能块解释

延时断开
| 名称 | 延时断开 | 代码 | OFD | 序号 | 122 |
|---|
图形

功能块描述
(1) 当X信号从0变到1时,输出Y为1,X信号从1变到0延时T后,输出Y被复位。
(2) 当W被强制时:定时器保持剩余时间不变,解除强制后继续计时。
输入说明
| 序号 | 标记名 | 数据类型 | 缺省值 | 可视缺省值 | 描述 |
|---|---|---|---|---|---|
| 1 | X | Bool | 0 | 1 | 输入 |
| 2 | T | Float | 0.0 | 1 | 延时时间,单位:s |
输出说明
| 序号 | 标记名 | 数据类型 | 可视缺省值 | 描述 |
|---|---|---|---|---|
| 1 | Y | Bool | 1 | 输出 |
| 2 | W | Float | 1 | 剩余时间,单位:秒 |
工作区说明
无
质量及异常说明
(1) 计时时间T最大为9999999秒, 当T超过最大计时时间,功能块报输入超高限错误;
(2) 当T<0,功能块报输入超低限错误.
时序图

功能块解释

长延时接通
| 名称 | 长延时接通 | 代码 | LTON | 序号 | 123 |
|---|
图形

功能块描述
(1) 当X信号从0变到1时,经过计时时间T后,输出信号Y上升为高电平并跟随X信号的复位变为0。
(2) X信号的宽度小于T时,输出Y保持为0。
(3) 当W被强制时:定时器保持剩余时间不变,解除强制后继续计时。
输入说明
| 序号 | 标记名 | 数据类型 | 缺省值 | 可视缺省值 | 描述 |
|---|---|---|---|---|---|
| 1 | X | Bool | 0 | 1 | 输入 |
| 2 | T | Float | 0.0 | 1 | 延时时间,单位:min |
输出说明
| 序号 | 标记名 | 数据类型 | 可视缺省值 | 描述 |
|---|---|---|---|---|
| 1 | Y | Bool | 1 | 输出 |
| 2 | W | Float | 1 | 剩余时间,单位:分钟 |
工作区说明
无
质量及异常说明
(1)计时时间T最大为9999999分钟, 当T超过最大计时时间,功能块报输入超高限错误。
(2)当T<0,功能块报输入超低限错误;
时序图

功能块解释

长延时断开
| 名称 | 长延时断开 | 代码 | LTOF | 序号 | 124 |
|---|
图形

功能块描述
(1) 当X信号从0变到1时,输出Y为1,X信号从1变到0经过T时间后输出Y才被复位。
(2) 当W被强制时:定时器保持剩余时间不变,解除强制后继续计时。
输入说明
| 序号 | 标记名 | 数据类型 | 缺省值 | 可视缺省值 | 描述 |
|---|---|---|---|---|---|
| 1 | X | Bool | 0 | 1 | 输入 |
| 2 | T | Float | 0.0 | 1 | 延时时间,单位:min |
输出说明
| 序号 | 标记名 | 数据类型 | 可视缺省值 | 描述 |
|---|---|---|---|---|
| 1 | Y | Bool | 1 | 输出 |
| 2 | W | Float | 1 | 剩余时间,单位:分钟 |
工作区说明
无
质量及异常说明
(1) 计时时间T最大为9999999分钟,当T超过最大计时时间,功能块报输入超高限错误。
(2) 当T<0,功能块报输入超低限错误;
时序图

与延时断开一样,只是时间单位为分钟。
功能块解释

接通固定脉冲
| 名称 | 接通固定脉冲 | 代码 | OSP | 序号 | 125 |
|---|
图形

功能块描述
(1) 当X信号从0变到1时,输出Y为1。直到达到T时间后,输出Y才被复位。
(2) 即使X保持为1的时间没有达到T时间长,Y也会输出T时间长度的1。
(3) 当W被强制时:定时器保持剩余时间不变,解除强制后继续计时。
输入说明
| 序号 | 标记名 | 数据类型 | 缺省值 | 可视缺省值 | 描述 |
|---|---|---|---|---|---|
| 1 | X | Bool | 0 | 1 | 输入 |
| 2 | T | Float | 0.0 | 1 | 延时时间,单位:s |
输出说明
| 序号 | 标记名 | 数据类型 | 可视缺省值 | 描述 |
|---|---|---|---|---|
| 1 | Y | Bool | 1 | 输出 |
| 2 | W | Float | 1 | 剩余时间,单位:秒 |
工作区说明
无
质量及异常说明
(1) 计时时间T最大为9999999秒,当T超过最大计时时间,功能块报输入超高限错误。
(2) 当T<0,功能块报输入超低限错误;
时序图

功能块解释

接通脉冲
| 名称 | 接通脉冲 | 代码 | TDW | 序号 | 126 |
|---|
图形

功能块描述
(1) 当X信号从0变到1时,输出Y为1。直到达到T时间后,输出Y才被复位。
(2) 若X保持为1的时间没有达到T时间长,Y随着X从1变到0。
(3) 当W被强制时:定时器保持剩余时间不变,解除强制后继续计时。
输入说明
| 序号 | 标记名 | 数据类型 | 缺省值 | 可视缺省值 | 描述 |
|---|---|---|---|---|---|
| 1 | X | Bool | 0 | 1 | 输入 |
| 2 | T | Float | 0.0 | 1 | 延时时间,单位:s |
输出说明
| 序号 | 标记名 | 数据类型 | 可视缺省值 | 描述 |
|---|---|---|---|---|
| 1 | Y | Bool | 1 | 输出 |
| 2 | W | Float | 1 | 剩余时间,单位:秒 |
工作区说明
无
质量及异常说明
(1)计时时间T最大为9999999秒,当T超过最大计时时间,功能块报输入超高限错误。
(2)当T<0,功能块报输入超低限错误;
时序图

功能块解释

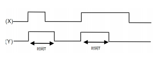
上升沿脉冲
| 名称 | 上升沿脉冲 | 代码 | TON | 序号 | 127 |
|---|
图形

功能块描述
(1) 当输入信号从0变到1时,Y产生一个周期的ON信号。
(2) 用于产生一次性的启动命令信号。
输入说明
| 序号 | 标记名 | 数据类型 | 缺省值 | 可视缺省值 | 描述 |
|---|---|---|---|---|---|
| 1 | X | Bool | 0 | 1 | 输入 |
输出说明
| 序号 | 标记名 | 数据类型 | 可视缺省值 | 描述 |
|---|---|---|---|---|
| 1 | Y | Bool | 1 | 输出 |
工作区说明
无
质量及异常说明
无
时序图

功能块解释

下降沿脉冲
| 名称 | 下降沿脉冲 | 代码 | TOF | 序号 | 128 |
|---|
图形

功能块描述
(1) 当输入信号从1变到0时,Y产生一个周期的ON信号。
输入说明
| 序号 | 标记名 | 数据类型 | 缺省值 | 可视缺省值 | 描述 |
|---|---|---|---|---|---|
| 1 | X | Bool | 0 | 1 | 输入 |
输出说明
| 序号 | 标记名 | 数据类型 | 可视缺省值 | 描述 |
|---|---|---|---|---|
| 1 | Y | Bool | 1 | 输出 |
工作区说明
无
质量及异常说明
无
时序图

功能块解释

上升沿计数器
| 名称 | 上升沿计数器 | 代码 | CNT | 序号 | 129 |
|---|
图形

功能块描述
(1) CNT 算法用于计算数字量输入点的从0转换为1的次数。
如果复位标志为1,输出复位为0。
(2) 当Y被强制时:计数器保持输出值不变,解除强制后继续计数。
输入说明
| 序号 | 标记名 | 数据类型 | 缺省值 | 可视缺省值 | 描述 |
|---|---|---|---|---|---|
| 1 | X | Bool | 0 | 1 | 输入 |
| 2 | R | Bool | 0 | 1 | 复位 |
输出说明
| 序号 | 标记名 | 数据类型 | 可视缺省值 | 描述 |
|---|---|---|---|---|
| 1 | Y | INT | 1 | 输出 |
工作区说明
无
质量及异常说明
(1) 最大计数值为+9999999,当计数值超过最大计数值时,报功能块超高限错 误。
时序图

功能块解释

复杂计数器
| 名称 | 复杂计数器 | 代码 | MCNT | 序号 | 130 |
|---|
图形

功能块描述
(1) 本功能块用于对开关信号的累计。
(2) 当R=1时,Y=Y0;
(3) 当R=0时:
当X来一个上升沿脉冲时,输出Y(n)=Y(n-1)+ STEP; 其他情况Y输出保持。
当Y>=YH,或者Y<=YL时,D=1
注意,当step的值为负数时,则加计数其实是减计数,减计数其实是加计数。
(4) 当Y被强制时:计数器保持输出值不变,解除强制后继续计数。
输入说明
| 序号 | 标记名 | 数据类型 | 缺省值 | 可视缺省值 | 描述 |
|---|---|---|---|---|---|
| 1 | X | Bool | 0 | 1 | 输入 |
| 2 | R | Bool | 0 | 1 | 复位 |
| 3 | H | Int | 100 | 0 | 计数器上限 |
| 4 | L | Int | -100 | 0 | |
| 5 | Y0 | Int | 0 | 0 | 计数器初值 |
| 6 | STEP | Int | 1 | 0 | 计数器步长 |
输出说明
| 序号 | 标记名 | 数据类型 | 可视缺省值 | 描述 |
|---|---|---|---|---|
| 1 | Y | INT | 1 | 输出 |
| 2 | D | Bool | 1 | 越界标识 |
工作区说明
无
质量及异常说明
(1) 计数值为<-8388608,或者大于8388608时,报功能块超高限错误。
时序图
无
功能块解释

7 控制类算法
| 序号 | 代码 | 名称 |
|---|---|---|
| 141 | LAG | 惯性跟踪 |
| 142 | LLG | 超前滞后函数 |
| 143 | RLT | 升降斜率跟踪器 |
| 144 | MAV | 连续平均值 |
| 145 | DLT | 延时平移器 |
| 146 | DEV | 偏差运算 |
| 147 | P | 比例 |
| 148 | PR | 带增益比例 |
| 149 | I | 积分调节 |
| 150 | D | 微分调节 |
| 151 | PI | 比例积分 |
| 152 | PID | PID 调节 |
| 153 | PDS | 脉冲调节 |
| 154 | AM | 积分调节切换器 |
| 155 | SW | 开关量选择器 |
| 156 | T | 模拟量选择器 |
| 157 | TR | 带斜率模拟量选择器 |
| 158 | TRD | 带增量的斜率选择器 |
| 159 | OLD | 前一个周期开关量 |
| 160 | OLA | 前一个周期模拟量 |
| 161 | QGD | 取数字量状态字 |
| 162 | QGA | 取模拟量状态字 |
| 163 | QSD | 数字量状态字发生器 |
| 164 | QSA | 模拟量状态字发生器 |
| 165 | TACC | 运行累计 |
| 166 | RHLA | 变化率报警 |
| 167 | DATO | 动作超时报警 |
| 168 | AATO | 调节动作超时报警 |
| 169 | NIT | 无指令跳闸报警 |
| 170 | STEP | 步进 |
| 171 | DEVS | 单输出开关量操作器 |
| 172 | DDEV | 双输出开关量操作器 |
| 173 | ADEV | 模拟量操作 |
| 174 | FO | 首出 |
| 175 | DB | 死区运算 |
| 176 | 3SEL | 三值取值 |
| 177 | 2SEL | 二值取值 |
| 178 | RMP | 斜坡跟踪 |
| 179 | BAL2 | 2 输出平衡 |
| 180 | AMA | 模拟量跟踪器 |
| 181 | DMA | 数字量跟踪器 |
| 182 | FLW | 流量计算函数 |
| 183 | ADRC | 2 阶自抗扰 |
| 184 | MFAC_PID | 自适应 PID |
| 185 | ADRCN | 多阶自抗扰 |
| 186 | MODEL3 | 阶对象模型 |
| 187 | IADRC | 积分型自抗扰 |
| 200 | TITO | 变频器操作器 |
惯性跟踪
| 名称 | 惯性跟踪 | 代码 | LAG | 序号 | 141 |
|---|
图形

功能块描述
(1) 输出量跟踪输入量的变化。
(2) 当输入量发生突变时,输出量不能突变,只能按指数规律发生变化。
(3) 当Y被强制时:输出值保持不变,解除强制后从当前值开始运算。
输入说明
| 序号 | 标记名 | 数据类型 | 缺省值 | 可视缺省值 | 描述 |
|---|---|---|---|---|---|
| 1 | X | Float | 0.0 | 1 | 被跟踪量 |
| 2 | U | Float | 0.0 | 1 | 滞后时间,(单位:s) |
| 3 | T | Bool | 0 | 1 | 惯性切换 |
输出说明
| 序号 | 标记名 | 数据类型 | 可视缺省值 | 描述 |
|---|---|---|---|---|
| 1 | Y | Float | 1 | 输出 |
工作区说明
| 序号 | 标记名 | 数据类型 | 数据长度(位) |
|---|---|---|---|
| 1 | YLast | Float | 2 |
质量及异常说明
(1) U为滞后时间,要求输入U>=0,否则报功能块算法错误;
算法说明
(1) T=0或U<=0.0时,Y=X
(2) T=1且U>0时,Y = (X-Yn-1)*t/(U+t)+Y
注:t为功能块的扫描周期。
动作图

功能块解释

超前滞后函数
| 名称 | 超前滞后函数 | 代码 | LLG | 序号 | 142 |
|---|
图形

功能块描述
(1) 输入信号按照超前滞后参数进行输出。
(2) 当Y被强制时:输出值保持不变,解除强制后从当前值开始运算。
输入说明
| 序号 | 标记名 | 数据类型 | 缺省值 | 可视缺省值 | 描述 |
|---|---|---|---|---|---|
| 1 | X | Float | 0.0 | 1 | 输入 |
| 2 | U1 | Float | 0.0 | 1 | 滞后时间常数(单位:s) |
| 3 | U2 | Float | 0.0 | 1 | 超前时间常数(单位:s) |
| 4 | T | Bool | 0 | 1 | 滞后超前切换 |
输出说明
| 序号 | 标记名 | 数据类型 | 可视缺省值 | 描述 |
|---|---|---|---|---|
| 1 | Y | Float | 1 | 输出 |
工作区说明
| 序号 | 标记名 | 数据类型 | 数据长度(位) |
|---|---|---|---|
| 1 | YLast | Float | 2 |
| 2 | XLast | Float | 2 |
质量及异常说明
(1) 超前滞后时间参数U1、U2必须大于等于0,否则报功能块算法错误。
算法说明
(1) T=0时,Y=X
(2) T=1时:
若U1<0.0或者U2<0.0,Y = Ylast;
若U1≥0.0且U2≥0.0,Y = Ylast+(X-Ylast)*t/(U1+t)+(X-Xlast)*U2/(U1+t);
注:t为功能块的扫描周期。
动作图

功能块解释

升降斜率跟踪器
| 名称 | 升降斜率跟踪器 | 代码 | RLT | 序号 | 143 |
|---|
图形

功能块描述
(1) 对输入量的变化率进行跟踪。
(2) 当T=1时,输出量等于输入量。
(3) 当Y被强制时:输出值保持不变,解除强制后从当前值开始运算。
输入说明
| 序号 | 标记名 | 数据类型 | 缺省值 | 可视缺省值 | 描述 |
|---|---|---|---|---|---|
| 1 | X | Float | 0.0 | 1 | 输入 |
| 2 | R1 | Float | 0.0 | 1 | 正向变化率(单位:分钟) |
| 3 | R2 | Float | 0.0 | 1 | 负向变化率(单位:分钟) |
| 4 | T | Bool | 0 | 1 | 斜率切换 |
输出说明
| 序号 | 标记名 | 数据类型 | 可视缺省值 | 描述 |
|---|---|---|---|---|
| 1 | Y | Float | 1 | 输出 |
工作区说明
| 序号 | 标记名 | 数据类型 | 数据长度(位) |
|---|---|---|---|
| 1 | YLast | Float | 2 |
质量及异常说明
(1) 变化率R1和R2必须大于等于0,当变化率R1和R2小于0时,报输入超低限错误。
算法说明
(1) T=0时,Y=X;
(2) T=1时:
若X>Y且R1>0.0,Y=Ylast+R1t/60.0
若X<Y且R2>0.0,Y=Ylast-R2t/60.0
其中:t为PLC扫描周期。
动作图

功能块解释

连续平均值
| 名称 | 连续平均值 | 代码 | MAV | 序号 | 144 |
|---|
图形

功能块描述
(1) 求输入在一个时间周期T内的平均值并输出。
(2) 当初始化信号INI为1时,重新计算一个时间周期内输入信号的平均值。
输入说明
| 序号 | 标记名 | 数据类型 | 缺省值 | 可视缺省值 | 描述 |
|---|---|---|---|---|---|
| 1 | X | Float | 0.0 | 1 | 输入 |
| 2 | T | Float | 0.0 | 1 | 时间周期(单位:s) |
| 3 | INI | Bool | 0 | 1 | 初始化信号 |
输出说明
| 序号 | 标记名 | 数据类型 | 可视缺省值 | 描述 |
|---|---|---|---|---|
| 1 | Y | Float | 1 | 输出 |
工作区说明
| 序号 | 标记名 | 数据类型 | 数据长度(位) |
|---|---|---|---|
| 1 | YLast | Float | 2 |
质量及异常说明
(1) 时间周期T必须大于等于0,当时间周期小于0时,报输入超低限错误。
算法说明
(1) T<0时,Y=Ylast;
(2) T=0时: INI=0时,Y=X;
INI=1时,Y=Ylast;
(3) T>0时: INI=0时,/T→Y;
INI=1时,Y=Ylast;
动作图

功能块解释

延时平移器
| 名称 | 延时平移器 | 代码 | DLT | 序号 | 145 |
|---|
图形

功能块描述
(1)输入量延时一个周期时间T后输出。
输入说明
| 序号 | 标记名 | 数据类型 | 缺省值 | 可视缺省值 | 描述 |
|---|---|---|---|---|---|
| 1 | X | Float | 0.0 | 1 | 输入 |
| 2 | T | Float | 0.0 | 1 | 时间周期(单位:s) |
输出说明
| 序号 | 标记名 | 数据类型 | 可视缺省值 | 描述 |
|---|---|---|---|---|
| 1 | Y | Float | 1 | 输出 |
工作区说明
| 序号 | 标记名 | 数据类型 | 数据长度(位) |
|---|---|---|---|
| 1 | YLast | Float | 2 |
质量及异常说明
(1) 时间周期T必须大于等于0。当时间周期小于0时,报输入超低限错误。
算法说明
无
动作图

功能块解释

偏差运算
| 名称 | 偏差运算 | 代码 | DEV | 序号 | 146 |
|---|
图形

功能块描述
(1) 用于判断两个输入值的差值是否越限,若越限则报警;
(2) 越限报警具有死区功能,防止频繁触发报警;
输入说明
| 序号 | 标记名 | 数据类型 | 缺省值 | 可视缺省值 | 描述 |
|---|---|---|---|---|---|
| 1 | X1 | Float | 0.0 | 1 | 被减数 |
| 2 | X2 | Float | 0.0 | 1 | 减数 |
| 3 | DH | Float | 100.0 | 0 | 上限 |
| 4 | DL | Float | -100.0 | 0 | 下限 |
| 5 | DB | Float | 0.0 | 0 | 死区 |
| 6 | DDB | Float | 0.0 | 0 | 报警死区 |
| 7 | K1 | Float | 1.0 | 0 | 被减数增益 |
| 8 | C1 | Float | 0.0 | 0 | 被减数偏置 |
| 9 | K2 | Float | 1.0 | 0 | 减数增益 |
| 10 | C2 | Float | 0.0 | 0 | 减数偏置 |
输出说明
| 序号 | 标记名 | 数据类型 | 可视缺省值 | 描述 |
|---|---|---|---|---|
| 1 | Y | Float | 1 | 偏差输出 |
| 2 | D | Bool | 1 | 越限指示 |
| 3 | D1 | Bool | 1 | 越上限指示 |
| 4 | D2 | Bool | 1 | 越下限指示 |
工作区说明
| 序号 | 标记名 | 数据类型 | 数据长度(位) |
|---|---|---|---|
| 1 | YLast | Float | 2 |
质量及异常说明
无
算法说明
该算法经常和PID算法元件联合使用。

如上图所示:X=(K1X1+C1)-(K2X2+C2)

DDB为上限X=DH+DB和下限X=DL-DB处的报警死区。
X>上限+DDB时,D1=1; X<上限-DDB时,DH=0; 上限-DDB<=X<=上限+DDB时,D1变;
X<下限-DDB时,D2; X>下限+DDB时,DL=0; 下限-DDB<=X<=下限+DDB时,D2变;
上下限报警D1D2有一个报警,则偏差越限D报警
功能块解释

比例
| 名称 | 比例 | 代码 | P | 序号 | 147 |
|---|
图形

功能块描述
(1)输入值乘以其增益后输出。
输入说明
| 序号 | 标记名 | 数据类型 | 缺省值 | 可视缺省值 | 描述 |
|---|---|---|---|---|---|
| 1 | X | Float | 0.0 | 1 | 输入 |
| 2 | K | Float | 1.0 | 1 | 增益 |
输出说明
| 序号 | 标记名 | 数据类型 | 可视缺省值 | 描述 |
|---|---|---|---|---|
| 1 | Y | Float | 1 | 输出 |
工作区说明
无
质量及异常说明
无
算法说明
Y=K*X
动作图

功能块解释

带增益比例
| 名称 | 带增益比例 | 代码 | PR | 序号 | 148 |
|---|
图形

功能块描述
(1) 输入值乘以其增益再经过量程转换后输出。
(2) 输入值的上下限可以设置。
输入说明
| 序号 | 标记名 | 数据类型 | 缺省值 | 可视缺省值 | 描述 |
|---|---|---|---|---|---|
| 1 | X | Float | 0.0 | 1 | 输入 |
| 2 | K | Float | 0.0 | 1 | 增益 |
| 3 | IS | Float | 0.0 | 1 | 输入量程 |
| 4 | OS | Float | 0.0 | 1 | 输出量程 |
输出说明
| 序号 | 标记名 | 数据类型 | 可视缺省值 | 描述 |
|---|---|---|---|---|
| 1 | Y | Float | 1 | 输出 |
工作区说明
无
质量及异常说明
(1)上限IS和下限OS必须大于0,否则报输入超低限错误。
(2)XKOS/IS必须小于等于9999999,否则报功能块算法错误。
算法说明
Y = X * K * OS/IS;
功能块解释

积分调节
| 名称 | 积分调节 | 代码 | I | 序号 | 149 |
|---|
图形

功能块描述
(1) 对输入值进行积分运算并输出。
(2) 当Y被强制时:输出值保持不变,解除强制后从当前值开始积分。
输入说明
| 序号 | 标记名 | 数据类型 | 缺省值 | 可视缺省值 | 描述 |
|---|---|---|---|---|---|
| 1 | X | Float | 0.0 | 1 | 输入 |
| 2 | Ti | Float | 0.0 | 1 | 积分时间(单位:s) |
| 3 | H | Float | 0.0 | 1 | 输出上限 |
| 4 | L | Float | 0.0 | 1 | 输出下限 |
| 5 | R | Bool | 0 | 1 | 复位 |
输出说明
| 序号 | 标记名 | 数据类型 | 可视缺省值 | 描述 |
|---|---|---|---|---|
| 1 | Y | Float | 1 | 输出 |
工作区说明
| 序号 | 标记名 | 数据类型 | 数据长度(位) |
|---|---|---|---|
| 1 | YLast | Float | 2 |
质量及异常说明
(1)上限H必须大于下限L,否则报功能块算法错误。
算法说明
(1)当T≤0时,积分不起作用,Y=Ylast。
(2)当T>0时,Y(n)=Ylast+X*t/Ti;
若Yn>=H时,Yn=H
若Yn<=L时,Yn=L
(3)当R=1时,Y=L。
t为功能块的扫描周期。
功能块解释

微分调节
| 名称 | 微分调节 | 代码 | 序号 |
|---|
图形

功能块描述
(1) 对输入值进行微分运算并输出。
(2) 当Y被强制时:输出值保持不变,解除强制后从当前值开始微分计算。
输入说明
| 序号 | 标记名 | 数据类型 | 缺省值 | 可视缺省值 | 描述 |
|---|---|---|---|---|---|
| 1 | X | Float | 0.0 | 1 | |
| 2 | G | Float | 0.0 | 1 | |
| 3 | U | Float | 0.0 | 1 | 微分时间(单位:s) |
| 4 | T | Bool | 0 | 1 | 微分切换 |
输出说明
| 序号 | 标记名 | 数据类型 | 可视缺省值 | 描述 |
|---|---|---|---|---|
| 1 | Y | Float | 1 | 输出 |
工作区说明
| 序号 | 标记名 | 数据类型 | 数据长度(位) |
|---|---|---|---|
| 1 | YLast | Float | 2 |
| 2 | XLast | Float | 2 |
质量及异常说明
(1)微分时间U必须大于等于0,否则报输入超低限错误。
算法说明
(1) T=0或U<0.0时:Y(n)=0.0。
(2) T=1时:
若U=0.0时,Y(n) = G*(X-Xlast) /t
若U>0.0时,Y(n) = (G*(X-Xlast)+Y) *U/(t+U)
动作图

功能块解释

比例积分
| 名称 | 比例积分 | 代码 | PI | 序号 | 151 |
|---|
图形

功能块描述
(1) 对输入值进行比例积分运算并输出。
(2) 当Y被强制时:输出值保持不变,解除强制后从当前值开始PI计算。
输入说明
| 序号 | 标记名 | 数据类型 | 缺省值 | 可视缺省值 | 描述 |
|---|---|---|---|---|---|
| 1 | X | Float | 0.0 | 1 | 输入 |
| 2 | Tr | Float | 0.0 | 1 | 被跟踪变量 |
| 3 | As | Bool | 0 | 1 | 自动开关 |
| 4 | FF | Float | 0.0 | 1 | 前馈变量 |
| 5 | K | Float | 0.0 | 1 | 总增益 |
| 6 | Kp | Float | 0.0 | 1 | 比例系数 |
| 7 | Ti | Float | 0.0 | 1 | 积分时间(单位:s) |
| 8 | H | Float | 0.0 | 1 | 输出上限(H>L)最大 |
| 9 | L | Float | 0.0 | 1 | 输出下限(H>L)最小 |
| 10 | II | Float | 0.0 | 1 | 禁增 |
| 11 | ID | Float | 0.0 | 1 | 禁减 |
输出说明
| 序号 | 标记名 | 数据类型 | 可视缺省值 | 描述 |
|---|---|---|---|---|
| 1 | Y | Float | 1 | 输出 |
| 2 | YP | Float | 0 | 比例输出 |
| 3 | YI | Float | 0 | 积分输出 |
工作区说明
| 序号 | 标记名 | 数据类型 | 数据长度(位) |
|---|---|---|---|
| 1 | YLast | Float | 2 |
质量及异常说明
(1) As=1时,比例积分模块开始执行。
(2) 若H<L,报功能块算法错误。
(3) Ti<=0.0,报输入超低限错误
(4) 输出Y被限定在H和L之间。
算法说明
无
动作图

功能块解释

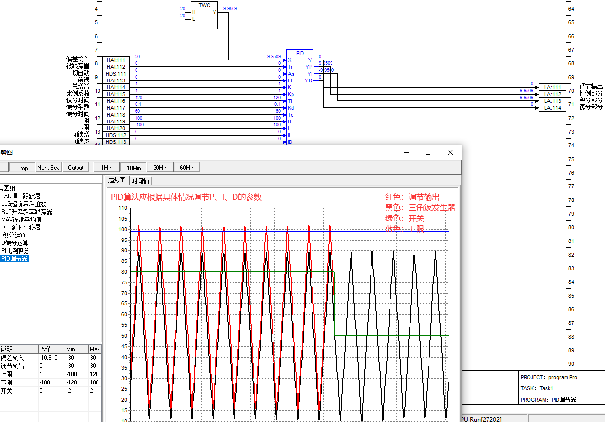
PID 调节
| 名称 | PID 调节 | 代码 | PID | 序号 | 152 |
|---|
图形

功能块描述
(1) 对输入值进行比例积分微分运算并输出。
(2) 当Y被强制时:输出值保持不变,解除强制后从当前值开始PID计算。
输入说明
| 序号 | 标记名 | 数据类型 | 缺省值 | 可视缺省值 | 描述 |
|---|---|---|---|---|---|
| 1 | X | Float | 0.0 | 1 | 输入 |
| 2 | Tr | Float | 0.0 | 1 | 被跟踪变量 |
| 3 | As | Bool | 0 | 1 | 自动开关 |
| 4 | FF | Float | 0.0 | 1 | 前馈变量 |
| 5 | K | Float | 0.0 | 0 | 总增益 |
| 6 | Kp | Float | 0.0 | 0 | 比例系数 |
| 7 | Ti | Float | 0.0 | 0 | 积分时间(单位:s) |
| 8 | Kd | Float | 0.0 | 0 | 微分系数 |
| 9 | Td | Float | 10.0 | 0 | 微分时间(单位:s) |
| 10 | H | Float | 0.0 | 0 | 输出上限(H>L)最大 |
| 11 | L | Float | 0.0 | 0 | 输出下限(H>L)最小 |
| 12 | II | Float | 0.0 | 0 | 禁增 |
| 13 | ID | Float | 0.0 | 0 | 禁减 |
输出说明
| 序号 | 标记名 | 数据类型 | 可视缺省值 | 描述 |
|---|---|---|---|---|
| 1 | Y | Float | 1 | 输出 |
| 2 | YP | Float | 0 | 比例输出 |
| 3 | YI | Float | 0 | 积分输出 |
| 4 | YD | Float | 0 | 微分输出 |
工作区说明
| 序号 | 标记名 | 数据类型 | 数据长度(位) |
|---|---|---|---|
| 1 | YLast | Float | 2 |
质量及异常说明
(1) As=1时,比例积分模块开始执行。
(2) 若H<L,报功能块算法错误。
(3) Ti<=0.0,报输入超低限错误
(4) 输出Y被限定在H和L之间。
算法说明
YP= KKpX;
YI= YIlast+KXt/(Ti1000);
YD= KdTd*(Xn-Xn-1)*1000/t;
Y=YP+YI+YD;
注:t 为扫描周期;YIlast 为上个计算周期的 YI 值;
动作图
无
功能块解释


脉冲调节
| 名称 | 脉冲调节 | 代码 | PDS | 序号 | 153 |
|---|
图形

功能块描述
(1)根据输入偏差进行增减开关输出。
输入说明
| 序号 | 标记名 | 数据类型 | 缺省值 | 可视缺省值 | 描述 |
|---|---|---|---|---|---|
| 1 | X | Float | 0.0 | 1 | 模拟量输入 |
| 2 | AI | Float | 0.0 | 1 | 模拟量反馈 |
| 3 | Dis | Bool | 0 | 1 | 禁止输入开关,为1时,
INC和DEC强制为0 |
| 4 | DB | Float | 0.0 | 1 | 死区 |
| 5 | TON | Float | 0.0 | 1 | 最小脉冲宽度(单位:s) |
输出说明
| 序号 | 标记名 | 数据类型 | 可视缺省值 | 描述 |
|---|---|---|---|---|
| 1 | INC | Bool | 1 | 增脉冲输出 |
| 2 | DEC | Bool | 1 | 减脉冲输出 |
工作区说明
| 序号 | 标记名 | 数据类型 | 数据长度(位) |
|---|---|---|---|
| 1 | YLast | Float | 2 |
质量及异常说明
(1) TON必须大于0时,否则报输入超低限错误。
算法说明
(1) 偏差=X-AI
(2) 若DB>X-AI>-DB时,INC和DEC都输出为0.
(3) 若X-AI>DB时,INC增指令输出为1,最小脉冲宽度为Ton。
(4) 若X-AI<-DB时,DEC减指令输出为1,最小脉冲宽度为Ton。
动作图
功能块解释

积分调节切换器
| 名称 | 积分调节切换器 | 代码 | AM | 序号 | 154 |
|---|
图形

功能块描述
(1) 将按钮等开关设备的ON/OFF情况以一定的变化率转换为模拟量输出。
(2) 当Y被强制时:输出值保持不变,解除强制后从当前值开始积分。
输入说明
| 序号 | 标记名 | 数据类型 | 缺省值 | 可视缺省值 | 描述 |
|---|---|---|---|---|---|
| 1 | I | Bool | 0 | 1 | 增指令 |
| 2 | D | Bool | 0 | 1 | 减指令 |
| 3 | T | Bool | 0 | 1 | 跟踪调节 |
| 4 | V | Float | 0 | 1 | 跟踪值(T=1时,Y=V) |
| 5 | H | Float | 0 | 1 | 输出上限 |
| 6 | L | Float | 0 | 1 | 输出下限 |
| 7 | R | Float | 0 | 1 | 每分钟变化率,R>=0 |
输出说明
| 序号 | 标记名 | 数据类型 | 可视缺省值 | 描述 |
|---|---|---|---|---|
| 1 | Y | Bool | 1 | 输出 |
工作区说明
| 序号 | 标记名 | 数据类型 | 数据长度(位) |
|---|---|---|---|
| 1 | YLast | Float | 2 |
质量及异常说明
(1) 输出上限H必须大于输出下限L,否则报功能块算法错误。
(2) 每分钟变化率R>=0, 否则报功能块算法错误。
算法说明
(1) T=1时,Y=V
(2) T=0时,允许对开关量输入进行积分调节。
(3) Y>H时,Y=H
(4) Y<L时,Y=L。
动作图

功能块解释

开关量选择器
| 名称 | 开关量选择器 | 代码 | SW | 序号 | 155 |
|---|
图形

功能块描述
(1)根据开关状态选择输出的开关量信号。
输入说明
| 序号 | 标记名 | 数据类型 | 缺省值 | 可视缺省值 | 描述 |
|---|---|---|---|---|---|
| 1 | Xoff | Bool | 0 | 1 | SW=0时输入1 |
| 2 | Xon | Bool | 0 | 1 | SW=1时输入2 |
| 3 | SW | Bool | 0 | 1 | 切换开关 |
输出说明
| 序号 | 标记名 | 数据类型 | 可视缺省值 | 描述 |
|---|---|---|---|---|
| 1 | Y | Bool | 1 | 输出 |
工作区说明
无
质量及异常说明
无
真值表
| 输入开关状态 | 输出Y |
|---|---|
| 0 | Xoff |
| 1 | Xon |
动作图

功能块解释

模拟量选择器
| 名称 | 模拟量选择器 | 代码 | T | 序号 | 156 |
|---|
图形

功能块描述
(1)根据开关状态选择输出的模拟量信号。
输入说明
| 序号 | 标记名 | 数据类型 | 缺省值 | 可视缺省值 | 描述 |
|---|---|---|---|---|---|
| 1 | Xoff | Float | 0.0 | 1 | SW=0时输入1 |
| 2 | Xon | Float | 0.0 | 1 | SW=1时输入2 |
| 3 | SW | Bool | 0 | 1 | 开关状态 |
输出说明
| 序号 | 标记名 | 数据类型 | 可视缺省值 | 描述 |
|---|---|---|---|---|
| 1 | Y | Bool | 1 | 输出 |
工作区说明
无
质量及异常说明
无
真值表
| 输入开关状态 | 输出Y |
|---|---|
| 0 | Xoff |
| 1 | Xon |
动作图

功能块解释

带斜率模拟量选择器
| 名称 | 带斜率模拟量选择器 | 代码 | TR | 序号 | 157 |
|---|
图形

功能块描述
(1) 根据开关状态选择输出的模拟量信号。
(2) 输出随时间按照斜率改变。
(3) 当Y被强制时:输出值保持不变,解除强制后从当前值开始运算。
输入说明
| 序号 | 标记名 | 数据类型 | 缺省值 | 可视缺省值 | 描述 |
|---|---|---|---|---|---|
| 1 | off | Float | 0.0 | 1 | SW=0时输入1 |
| 2 | on | Float | 0.0 | 1 | SW=1时输入2 |
| 3 | SW | Bool | 0 | 1 | 开关状态 |
| 4 | Ron | Float | 0.0 | 1 | OFF→ON时的斜率/s |
| 5 | Roff | Float | 0.0 | 1 | ON→OFF时的斜率/s |
输出说明
| 序号 | 标记名 | 数据类型 | 可视缺省值 | 描述 |
|---|---|---|---|---|
| 1 | Y | Bool | 1 | 输出 |
工作区说明
无
质量及异常说明
(1) 若Ron和Roff小于0时,报功能块算法错误。
真值表
| 输入开关状态 | 输出Y |
|---|---|
| 0 | on->off |
| 1 | off ->on |
动作图

功能块解释

带增量的斜率选择器
| 名称 | 带增量的斜率选择器 | 代码 | TRD | 序号 | 158 |
|---|
图形

功能块描述
(1) 根据开关状态选择输出的模拟量信号。
(2) 输出随时间按照斜率改变。
(3) 当Y被强制时:输出值保持不变,解除强制后从当前值开始运算。
输入说明
| 序号 | 标记名 | 数据类型 | 缺省值 | 可视缺省值 | 描述 |
|---|---|---|---|---|---|
| 1 | off | Float | 0.0 | 1 | SW=0时输入1 |
| 2 | on | Float | 0.0 | 1 | SW=1时输入2 |
| 3 | SW | Bool | 0 | 1 | 开关状态 |
| 4 | Ron | Float | 0.0 | 1 | OFF→ON时的斜率/s |
| 5 | Roff | Float | 0.0 | 1 | ON→OFF时的斜率/s |
输出说明
| 序号 | 标记名 | 数据类型 | 可视缺省值 | 描述 |
|---|---|---|---|---|
| 1 | Y | Bool | 1 | 输出 |
工作区说明
无
质量及异常说明
无
真值表
无
动作图
无

功能块解释

前一个周期开关量
| 名称 | 前一个周期开关量 | 代码 | OLD | 序号 | 159 |
|---|
功能块解释

前一个周期模拟量
| 名称 | 前一个周期模拟量 | 代码 | OLA | 序号 | 160 |
|---|
图形

功能块描述
(1) 输出前一个周期的模拟量。
输入说明
| 序号 | 标记名 | 数据类型 | 缺省值 | 可视缺省值 | 描述 |
|---|---|---|---|---|---|
| 1 | X | Float | 0.0 | 1 | 输入 |
输出说明
| 序号 | 标记名 | 数据类型 | 可视缺省值 | 描述 |
|---|---|---|---|---|
| 1 | Y | Float | 1 | 输出 |
工作区说明
| 序号 | 标记名 | 数据类型 | 数据长度(位) |
|---|---|---|---|
| 1 | XLast | Float | 1 |
质量及异常说明
无
真值表
Y=Xlast
动作图

功能块解释

取数字量状态字(暂无)
| 名称 | 取数字量状态字 | 代码 | QGD | 序号 | 161 |
|---|
图形

功能块描述
(1)取数字量信号的质量状态字。
输入说明
| 序号 | 标记名 | 数据类型 | 缺省值 | 可视缺省值 | 描述 |
|---|---|---|---|---|---|
| 1 | X | Bool | 0 | 1 | 输入 |
输出说明
| 序号 | 标记名 | 数据类型 | 可视缺省值 | 描述 |
|---|---|---|---|---|
| 1 | RO | Bool | 1 | 超物理上限 |
| 2 | RU | Bool | 1 | 超物理下限 |
| 3 | FS | Bool | 1 | 被强制状态 |
| 4 | CE | Bool | 1 | 计算错误 |
| 5 | UE | Bool | 1 | 超存储上限 |
| 6 | DE | Bool | 1 | 超存储下限 |
工作区说明
无
质量及异常说明
无
取模拟量状态字(暂无)
| 名称 | 取模拟量状态字(暂无) | 代码 | QGA | 序号 | 162 |
|---|
图形

功能块描述
(1)取模拟量信号的质量状态字。
输入说明
| 序号 | 标记名 | 数据类型 | 缺省值 | 可视缺省值 | 描述 |
|---|---|---|---|---|---|
| 1 | X | Bool | 0 | 1 | 输入 |
输出说明
| 序号 | 标记名 | 数据类型 | 可视缺省值 | 描述 |
|---|---|---|---|---|
| 1 | RO | Bool | 1 | 超物理上限 |
| 2 | RU | Bool | 1 | 超物理下限 |
| 3 | FS | Bool | 1 | 被强制状态 |
| 4 | CE | Bool | 1 | 计算错误 |
| 5 | UE | Bool | 1 | 超存储上限 |
| 6 | DE | Bool | 1 | 超存储下限 |
工作区说明
无
质量及异常说明
无
数字量状态字发生器
| 名称 | 数字量状态字发生器(暂无) | 代码 | QSD | 序号 | 163 |
|---|

功能块描述
(1) 取数字量输入X的坏质量信息并输出到Y。
输入说明
| 序号 | 标记名 | 数据类型 | 可视缺省值 | 描述 |
|---|---|---|---|---|
| 1 | X | Bool | 0 | 输入信号 |
| 2 | RO | Bool | 1 | 超物理上限 |
| 3 | RU | Bool | 1 | 超物理下限 |
| 4 | FS | Bool | 1 | 被强制状态 |
| 5 | CE | Bool | 1 | 计算错误 |
| 6 | UE | Bool | 1 | 超存储上限 |
| 7 | DE | Bool | 1 | 超存储下限 |
输出说明
| 序号 | 标记名 | 数据类型 | 缺省值 | 可视缺省值 | 描述 |
|---|---|---|---|---|---|
| 1 | X | Bool | 0 | 1 | 输出 |
工作区说明
无
质量及异常说明
无
模拟量状态字发生器
| 名称 | 模拟量状态字发生器(暂无) | 代码 | QSA | 序号 | 164 |
|---|
图形

功能块描述
(1)取模拟量输入X的坏质量信息并输出到Y。
输入说明
| 序号 | 标记名 | 数据类型 | 可视缺省值 | 描述 | |
|---|---|---|---|---|---|
| 1 | X | Bool | 0 | 1 | 输入信号 |
| 2 | RO | Bool | 1 | 超物理上限 | |
| 3 | RU | Bool | 1 | 超物理下限 | |
| 4 | FS | Bool | 1 | 被强制状态 | |
| 5 | CE | Bool | 1 | 计算错误 | |
| 6 | UE | Bool | 1 | 超存储上限 | |
| 7 | DE | Bool | 1 | 超存储下限 |
输出说明
| 序号 | 标记名 | 数据类型 | 缺省值 | 可视缺省值 | 描述 |
|---|---|---|---|---|---|
| 1 | X | Bool | 0 | 1 | 输出 |
工作区说明
无
质量及异常说明
无
运行累计
| 名称 | 运行累计 | 代码 | TACC | 序号 | 165 |
|---|
图形

功能块描述
(1) 累计设备的运行时间和停止时间。
(2) 可以用于统计设备的自动投入率,自动投入率为=Yon/(YON+YOFF)。当停机时,HOLD=1,不进行YOFF/YON的累计运算。
(3) 当Yon被强制时:输出值保持不变,解除强制后从当前值开始运算。
(4) 当Yoff被强制时:输出值保持不变,解除强制后从当前值开始运算。
输入说明
| 序号 | 标记名 | 数据类型 | 缺省值 | 可视缺省值 | 描述 |
|---|---|---|---|---|---|
| 1 | Run | Bool | 0 | 1 | 运行信号 |
| 2 | Hold | Bool | 0 | 1 | 保持信号 |
| 3 | R | Bool | 0 | 1 | 复位信号 |
输出说明
| 序号 | 标记名 | 数据类型 | 可视缺省值 | 描述 |
|---|---|---|---|---|
| 1 | Yon | Int | 1 | 累计为ON的时间,单位秒 |
| 2 | Yoff | Int | 1 | 累计为OFF的时间,单位秒 |
工作区说明
无
质量及异常说明
(1) Ton和Toff的最大时间为2147483647秒,当超过该值时,报功能块超高限 错误。
算法描述
(1) 当HOLD =1时,不进行当前运行时间和停止时间的累计,保持当前值。
Yon=Yonlast; Yoff=Yofflast
(2) 当HOLD=0时,开始累计运行和停止时间。
(3) 当 R=1 时,对运行时间和停止时间清零。
功能块解释

变化率报警
| 名称 | 变化率报警 | 代码 | RHLA | 序号 | 166 |
|---|
图形

功能块描述
(1)本功能块对输入参数的速率进行监控并输出。
输入说明
| 序号 | 标记名 | 数据类型 | 缺省值 | 可视缺省值 | 描述 |
|---|---|---|---|---|---|
| 1 | X | Float | 0.0 | 1 | 输入 |
| 2 | PL | Float | 0.0 | 1 | 升速变化率/s |
| 3 | NL | Float | 0.0 | 1 | 降速变化率/s |
输出说明
| 序号 | 标记名 | 数据类型 | 可视缺省值 | 描述 |
|---|---|---|---|---|
| 1 | DP | Bool | 1 | 越升速率报警 |
| 2 | v | Bool | 1 | 越降速率报警 |
工作区说明
无
质量及异常说明
PL和NL必须满足PL>=0.0,NL >=0.0,否则报功能块超低限错误。
算法描述
(1) (X-Xlast)*t/1000>PL,则DP=1
(2) (Xlast –X)*t/1000>NL,则DL=1
注:t为PLC扫描周期,单位ms。
功能块解释

动作超时报警
| 名称 | 动作超时报警 | 代码 | DATO | 序号 | 167 |
|---|
图形

功能块描述
(1)本功能块用于检测开关设备发出启动信号T时间内,设备的运行情况,并产生报警信息。
输入说明
| 序号 | 标记名 | 数据类型 | 缺省值 | 可视缺省值 | 描述 |
|---|---|---|---|---|---|
| 1 | CD | Bool | 0 | 1 | 操作命令 |
| 2 | FB | Bool | 0 | 1 | 操作反馈 |
| 3 | R | Bool | 0 | 1 | 复位信号 |
| 4 | T | Float | 0.0 | 1 | 启动时间(单位:s) |
输出说明
| 序号 | 标记名 | 数据类型 | 可视缺省值 | 描述 |
|---|---|---|---|---|
| 1 | Y | Bool | 1 | 操作超时报警 |
工作区说明
无
质量及异常说明
T必须满足T>=0.0,否则报功能块算法错误。
算法描述
(1) CD的上升沿到来时开始计时,在T时间内FB=1,则Y=0。
(2) CD的上升沿到来时开始计时,在T时间内FB=0,则Y=1产生动作超时报警信号。
功能块解释

调节动作超时报警
| 名称 | 调节动作超时报警 | 代码 | AATO | 序号 | 168 |
|---|
图形

功能块描述
(1)本功能块用于检测调节设备发出启动信号T时间内,设备的运行情况,并产生报警信息。
输入说明
| 序号 | 标记名 | 数据类型 | 缺省值 | 可视缺省值 | 描述 |
|---|---|---|---|---|---|
| 1 | REF | Float | 0 | 1 | 操作命令 |
| 2 | FB | Float | 0 | 1 | 操作反馈 |
| 3 | DB | Float | 0 | 1 | 允许偏差 |
| 4 | T | Float | 0.0 | 1 | 启动时间设定(单位:s) |
| 5 | R | Bool | 0 | 1 | 复位信号 |
输出说明
| 序号 | 标记名 | 数据类型 | 可视缺省值 | 描述 |
|---|---|---|---|---|
| 1 | Y | Bool | 1 | 操作超时报警 |
工作区说明
无
质量及异常说明
T必须满足T>=0.0,否则报功能块算法错误。
算法描述
(1)若发出操作命令REF后,在时间T内:REF+ DB >=FB >=REF- DB,则Y=0,否则 Y=1
功能块解释

无指令跳闸报警
| 名称 | 无指令跳闸报警 | 代码 | NIT | 序号 | 169 |
|---|
图形

功能块描述
(1)一般用在电机类设备,说明非DCS发出停止命令,可能是就地人员操作,或 者电气保护动作。
输入说明
| 序号 | 标记名 | 数据类型 | 缺省值 | 可视缺省值 | 描述 |
|---|---|---|---|---|---|
| 1 | CD | Bool | 0 | 1 | 操作命令 |
| 2 | FB | Bool | 0 | 1 | 操作反馈 |
| 3 | R | Bool | 0 | 1 | 复位信号 |
| 4 | T | Float | 0.0 | 1 | 启动时间(单位:s) |
输出说明
| 序号 | 标记名 | 数据类型 | 可视缺省值 | 描述 |
|---|---|---|---|---|
| 1 | Y | Bool | 1 | 操作超时报警 |
工作区说明
无
质量及异常说明
(1) T必须满足T>=0.0,否则报功能块算法错误。
算法描述
(1) 若R=0时,在T时间前(断电保持)没有发出停止命令(CD=0),原来未停止的设备变为停止(停止反馈FB=1),则Y=1。
(2) 当R=1时,则Y=0.
功能块解释

步进
| 名称 | 步进 | 代码 | STEP | 序号 | 170 |
|---|
图形

功能块描述
(1)步序逻辑算法可接受上级顺控逻辑或运行人员的启动指令。并将相应设备置为顺控方式。
输入说明
| 序号 | 标记名 | 数据类型 | 缺省值 | 可视缺省值 | 描述 |
|---|---|---|---|---|---|
| 1 | Start | Bool | 0 | 1 | 启动,步序逻辑启动 |
| 2 | Stop | Bool | 0 | 1 | 停止,所有输出清0 |
| 3 | Track | Bool | 0 | 1 | 置步允许,Track为1时,且“Mode”
信号为1~8时,将只执行第Mode步 |
| 4 | Mode | INT | 0 | 1 | 和Track配合使用,见Track说明 |
| 5 | FB1~FB8 | Bool | 0 | 1 | 第n步动作完成,第n步动作反馈信
号或第n+1步动作允许信号,达到最大步 时,也即步序逻辑结束信号 |
| 6 | BitD | INT | 0 | 1 | 跳步设定。Bit0-bit7对应Step1-Step8,
为1跳过对应的步。 |
| 7 | PS | Bool | 1 | 暂停PAUSE=1,保持当前状态,时间步进也不计时
间。当Pause=0时,则从当前步序开始步进。 |
|
| 8 | Max | INT | 8 | 1 | 设置的最大步数,必须 1≤MaxS≤8 |
| 9 | TS1~TS8 | INT | 999999 | 1 | 第n步设定时间,当步序执行时间到达该时间
时,自动转入下一步执行。当该时间设置为 大于限定时间时,该功能被废置。单位:秒。 |
| 10 | TL1~TL8 | INT | 999999 | 1 | 第n步限定时间,当步序执行时间超
过该时间时,步>序故障信号发出,步 序逻辑被暂停。再揿启动按钮,步序 重新计时执行。单位:秒。 |
| 11 | RST | Bool | 0 | 1 | 故障复位 |
输出说明
| 序号 | 标记名 | 数据类型 | 可视缺省值 | 描述 |
|---|---|---|---|---|
| 1 | Step | INT | 1 | 当前步,输出正在进行的步序号 |
| 2 | Trun | INT | 1 | 步序进行时间,输出正在执行的步序已进行的时间(秒) |
| 3 | Trst | INT | 1 | 步序剩余时间,输出正在执行的步序还剩余的时间(秒) |
| 4 | Run | Bool | 1 | 步序进行,步序逻辑正在进行输出为1 |
| 5 | Fail | Bool | 1 | 步序故障,当任一步序超时时,该信号为1 |
| 6 | End | Bool | 1 | 步序完成,当步序成功完成设定的最大步序或第八步时,输出为1 |
| 7 | SP1~SP8 | Bool | 1 | 第n步指令,第n步指令有效时为1 |
工作区说明
无
质量及异常说明
(1)Tset1~Tset8以及Tlmt1~Tlmt8时间必须大于等于0,否则报功能块算法错误。
算法描述
无
功能块解释

单输出开关量操作器
| 名称 | 单输出开关量操作器 | 代码 | DEVS | 序号 | 171 |
|---|
图形

功能块描述
(1) 单输出开关量设备操作器。
输入说明
| 序号 | 标记名 | 数据类型 | 缺省值 | 可视缺省值 | 描述 |
|---|---|---|---|---|---|
| 1 | AOP | Bool | 0 | 1 | 自动合闸信号 |
| 2 | ACL | Bool | 0 | 1 | 自动分闸信号 |
| 3 | MOP | Bool | 0 | 1 | 手动合闸 |
| 4 | MCL | Bool | 0 | 1 | 手动分闸 |
| 5 | OPP | Bool | 0 | 1 | 合闸允许 |
| 6 | CLP | Bool | 0 | 1 | 分闸允许 |
| 7 | Rst | Bool | 0 | 1 | 故障复位 |
| 8 | ToM | Bool | 0 | 1 | 切手动脉冲 |
| 9 | ToA | Bool | 0 | 1 | 切自动脉冲 |
| 10 | OP | Bool | 0 | 1 | 合闸反馈 |
| 11 | CL | Bool | 0 | 1 | 分闸反馈 |
| 12 | LOC | Bool | 0 | 1 | 就地 |
| 13 | Es | Bool | 0 | 1 | 急停 |
| 14 | T | Float | 0.0 | 1 | 操作超时设定(单位:s) |
| 15 | R | Bool | 0 | 1 | 设备检修 |
| 16 | FL | Bool | 0 | 1 | 故障信号 |
输出说明
| 序号 | 标记名 | 数据类型 | 可视缺省值 | 描述 |
|---|---|---|---|---|
| 1 | EVC | INT | 1 | 状态字 |
| 2 | OPC | Bool | 1 | 合/分闸指令:1=合闸,0=分闸 |
| 3 | Mod | Bool | 1 | 手自动模式:1为自动,0为手动 |
| 4 | OND | Bool | 1 | 合闸超时 |
| 5 | OFD | Bool | 1 | 分闸超时 |
| 6 | TRIP | Bool | 1 | 无指令跳闸 |
工作区说明
无
质量及异常说明
(1)操作超时时间T必须满足:T>=0,否则报功能块算法错误。
算法描述
(1) 禁止一切输出:LOC=1(就地)、ES=1(急停)、R=1(设备检修)
(2) 允许设备开关LOC=0(就地)、ES=0(急停)或R=0(设备检修):
自动开: 输入 OPP=1(合闸允许)、AOP=1(自动合闸)、Mop=0(手动合闸)。
输出CL =1(合闸指令)、Mod=1(自动状态)。
手动开:输入OPP =1(合闸允许)、AOP=0(自动合闸)、Mop=1(手动合闸)。
输出CL =1(合闸指令)、Mod=0(自动状态)。
自动关:输入 CLP=1(分闸允许)、Acl=1(自动分闸)、Mcl=0(手动分闸)
输出 CL=0(分闸指令)、Mod=1(自动状态)。
手动关:输入 CLP=1(分闸允许)、Acl=0(自动分闸)、Mcl=1(手动分闸)
输出 CL=0(分闸指令)、Mod=0(自动状态)。
(3) 开关超时:在发出设备开/关信号T时间内没有收到合/分反馈,则判断为开/关超时。
(4) 故障复位:当Rst=1时,对所有信号进行复位。
(5) 无指令跳闸:
(6) 切手动/切自动:TOM=1且TOA=0时,设备切换到手动运行状态
TOM=0且TOA=1时,设备切换到自动运行状态
EVC点定义:共计16位,每个位置代表不同定义
bit 0:故障信号
bit 1:紧急停止
bit2:OP合闸进行指示
bit3:CL分闸进行指示
bit4:Mod自动1/手动0指示
bit5:Rec检修指示
bit 6:Trip跳闸指示
bit 7:OPP合闸允许指示
bit 8:CLP分闸允许指示
bit 9:LOC指示
bit 10:OP合闸反馈
bit11:CL分闸反馈
bit12:开中
bit 13:关中
bit14:启动超时
bit15:停止超时
功能块解释

双输出开关量操作器
| 名称 | 双输出开关量操作器 | 代码 | DDEV | 序号 | 172 |
|---|
图形

功能块描述
(1) 双输出开关量操作器。
输入说明
| 序号 | 标记名 | 数据类型 | 缺省值 | 可视缺省值 | 描述 |
|---|---|---|---|---|---|
| 1 | AOP | Bool | 0 | 1 | 自动合闸信号 |
| 2 | ACL | Bool | 0 | 1 | 自动分闸信号 |
| 3 | MOP | Bool | 0 | 1 | 手动合闸 |
| 4 | MCL | Bool | 0 | 1 | 手动分闸 |
| 5 | OPP | Bool | 0 | 1 | 合闸允许 |
| 6 | CLP | Bool | 0 | 1 | 分闸允许 |
| 7 | Rst | Bool | 0 | 1 | 故障复位 |
| 8 | ToM | Bool | 0 | 1 | 切手动脉冲 |
| 9 | ToA | Bool | 0 | 1 | 切自动脉冲 |
| 10 | OP | Bool | 0 | 1 | 合闸反馈 |
| 11 | CL | Bool | 0 | 1 | 分闸反馈 |
| 12 | LOC | Bool | 0 | 1 | 就地 |
| 13 | Es | Bool | 0 | 1 | 急停 |
| 14 | T | Float | 0.0 | 1 | 操作超时设定(单位:s) |
| 15 | R | Bool | 0 | 1 | 检修状态监控 |
| 16 | FL | Bool | 0 | 1 | 故障信号 |
输出说明
| 序号 | 标记名 | 数据类型 | 可视缺省值 | 描述 |
|---|---|---|---|---|
| 1 | EVC | INT | 1 | 状态字 |
| 2 | OPC | Bool | 1 | 合闸指令(3s) |
| 3 | CLC | Bool | 1 | 分闸指令(3s) |
| 4 | MOD | Bool | 1 | 手自动模式 |
| 5 | OND | Bool | 1 | 合闸超时 |
| 6 | OFD | Bool | 1 | 分闸超时 |
| 7 | TRIP | Bool | 1 | 无指令跳闸 |
工作区说明
无
质量及异常说明
(1)操作超时时间T必须满足:T>=0,否则报功能块算法错误。
算法描述
(1) 禁止一切输出:Local=1(就地)、ES=1(急停)、R=1(设备检修)
(2) 允许设备开关Local=0(就地)、ES=0(急停)或R=0(设备检修):
自动开: 输入 OPP=1(合闸允许)、AOP=1(自动合闸)、Mop=0(动动合闸)
输出OP =1(合闸指令)、CL=0(分闸指令)、Mod=1(自动状态)。
手动开:输入OPP =1(合闸允许)、AOP=0(自动合闸)、Mop=1(手动合闸)。
输出OP =1(合闸指令)、CL=0(分闸指令)、Mod=0(自动状态)。
自动关:输入 CLP=1(分闸允许)、Acl=1(自动分闸)、Mcl=0(手动分闸)
输出 CL=1(分闸指令)、OP=0(合闸指令)、Mod=1(自动状态)。
手动关:输入 CLP=1(分闸允许)、Acl=0(自动分闸)、Mcl=1(手动分闸)
输出 CL=1(分闸指令)、OP=0(合闸指令)、Mod=0(自动状态)。
(3) 开关超时:在发出设备开/关信号T时间内没有收到合/分反馈,则判断为开/关超时。
(4) 故障复位:当Rst=1时,对所有信号进行复位。
(5) 无指令跳闸:
(6) 切手动/切自动:TOM=1且TOA=0时,设备切换到手动运行状态
TOM=0且TOA=1时,设备切换到自动运行状态
EVC点定义:共计16位,每个位置代表不同定义
bit 0:故障信号
bit 1:紧急停止
bit2:OPC合闸进行指示
bit3:CLC分闸进行指示
bit4:Mod自动1/手动0指示
bit5:Rec检修指示
bit 6:Trip跳闸指示
bit 7:OPP合闸允许指示
bit 8:CLP分闸允许指示
bit 9:Local指示
bit 10:OP合闸反馈
bit11:CL分闸反馈
bit12:开中
bit 13:关中
bit14:启动超时
bit15:停止超时
功能块解释

模拟量操作
| 名称 | 模拟量操作 | 代码 | ADEV | 序号 | 173 |
|---|
图形

功能块描述
(1) 模拟量设备操作器。
输入说明
| 序号 | 标记名 | 数据类型 | 缺省值 | 可视缺省值 | 描述 |
|---|---|---|---|---|---|
| 1 | AEN | Bool | 1 | 1 | 切自动允许 |
| 2 | MEN | Bool | 1 | 0 | 切手动允许 |
| 3 | TOA | Bool | 1 | 0 | 投自动 |
| 4 | TOM | Bool | 1 | 0 | 投手动 |
| 5 | MSE | Float | 0.0 | 1 | 手动设定值 |
| 6 | ASET | Float | 0.0 | 1 | 自动设定值 |
| 7 | FB | Float | 0.0 | 1 | 反馈输入 |
| 8 | FDB | Float | 0.0 | 1 | 偏差死区 |
| 9 | FTD | Float | 0.0 | 1 | 偏差报警延时(单位:s) |
| 10 | FLRST | Bool | 1 | 0 | 偏差大报警复位 |
输出说明
| 序号 | 标记名 | 数据类型 | 可视缺省值 | 描述 |
|---|---|---|---|---|
| 1 | AO | Float | 1 | 输出 |
| 2 | Mod | Bool | 1 | 手/自动状态 |
| 3 | FL | Bool | 1 | 偏差大报警 |
工作区说明
无
质量及异常说明
(1)偏差报警时间FTD必须满足:FTD>=0,否则报功能块算法错误。
算法描述
(1) 投自动: 输入MEN=0、AEN=1、TOA=1、TOM=0,输出AO=Aset、Mod=1,Mset跟踪AO。
(2) 投手动:输入MEN=1、AEN=0、TOA=0、TOM=1,输出AO=Mset、Mod=0。
(3) 偏差大报警:|FB-AO|>FDB延时超过FTD产生报警信号FL=1。
(4) 报警复位:当FLRST=1时,FL=0
功能块解释

首出
| 名称 | 首出 | 代码 | FO | 序号 | 174 |
|---|
图形

功能块描述
(1) 检测X1~X10中那个信号先变为1。
(2) 最多允许10个输入。
(3) 用于判断故障的产生原因。
输入说明
| 序号 | 标记名 | 数据类型 | 缺省值 | 可视缺省值 | 描述 |
|---|---|---|---|---|---|
| 1 | X1 | Bool | 0 | 1 | 输入1 |
| 2 | X2 | Bool | 0 | 1 | 输入2 |
| 3 | X3 | Bool | 0 | 1 | 输入3 |
| 9 | X9 | Bool | 0 | 0 | 输入9 |
| 10 | X10 | Bool | 0 | 0 | 输入 |
| 11 | Rs | Bool | 0 | 1 | 复位端 |
输出说明
| 序号 | 标记名 | 数据类型 | 可视缺省值 | 描述 |
|---|---|---|---|---|
| 1 | Y | INT | 1 | 输出 |
工作区说明
无
质量及异常说明
无
算法描述
(1) 若R=0时,判断X1~X10中先从0变为1的引脚。Y=第几个X输入。
如:Y=5,代表第X5是先变为1的。
(2) 当X1~X10都为0时或REST=1时则Y=0
功能块解释

死区运算
| 名称 | 死区运算 | 代码 | DB | 序号 | 175 |
|---|
图形

功能块描述
(1) 本功能块对输入进行死区限制,输出在死区范围内输出为0。
输入说明
| 序号 | 标记名 | 数据类型 | 缺省值 | 可视缺省值 | 描述 |
|---|---|---|---|---|---|
| 1 | X | Float | 0.0 | 1 | 输入 |
| 2 | +DB | Float | 0.0 | 1 | 正向死区 |
| 3 | -DB | Float | 0.0 | 1 | 负向死区 |
输出说明
| 序号 | 标记名 | 数据类型 | 可视缺省值 | 描述 |
|---|---|---|---|---|
| 1 | Y | INT | 1 | 输出 |
工作区说明
无
质量及异常说明
无
算法描述
(1) 若+DB>X>-DB,Y=0。
(2) 若X>+DB时,Y=X-(+DB);
(3) 若X<-DB时,Y=X-(-DB);
**动作图 **

功能块解释

三值取值
| 名称 | 三值取值 | 代码 | 3SEL | 序号 | 176 |
|---|
图形

功能块描述
(1) 根据M模式的不同,对3个输入值进行不同的运算后输出。
输入说明
| 序号 | 标记名 | 数据类型 | 缺省值 | 可视缺省值 | 描述 |
|---|---|---|---|---|---|
| 1 | X1 | Float | 0.0 | 1 | 输入1 |
| 2 | K1 | Bool | 0 | 1 | X1是否为坏点 |
| 3 | X2 | Float | 0.0 | 1 | 输入2 |
| 4 | K2 | Bool | 0 | 1 | X2是否为坏点 |
| 5 | X3 | Float | 0.0 | 1 | 输入3 |
| 6 | K3 | Bool | 0 | 1 | X3是否为坏点 |
| 7 | M | INT | 0 | 1 | 模式选择:M=0取平均值,M=1取低值,M=2
取高值,M=3取中值,M=4、5、6见算法描述。 |
| 8 | DB | Float | 0.0 | 1 | 偏差 |
输出说明
| 序号 | 标记名 | 数据类型 | 可视缺省值 | 描述 |
|---|---|---|---|---|
| 1 | Y | Float | 1 | 输出 |
| 2 | Ys | Bool | 1 | 输出不正常,建议切手动 |
| 3 | Yn | INT | 1 | 坏点的数量 |
工作区说明
| 序号 | 标记名 | 数据类型 | 数据长度(字) |
|---|---|---|---|
| 1 | YLast | Float | 2 |
质量及异常说明
无
算法描述
当M=0~3时:
(1) 如果三个都为坏点,Y(n)=Y(n-1),YS=1, Yn=3;
(2) 如果二个点为坏点,Y(n)=X(GOOD),YS=0, Yn=2;
(3) 如果一个点为坏点,Yn=1则:
(a)如另二点间偏差越限(两者之间的差的绝对值超过DB),则输出为坏点YS=1,Y(n)=Y(n-1);
(b)如另二者间偏差不越限,Y则输出随Mode=0或1或2,取两者之间的平均或低选或高选,M=3的则取高值,YS=0。
(4)如果三个点均为好点,Yn=0则:
(a)如果二个点间的偏差不越限,而另一点对这二点的偏差越限,则输出取前二点的平均值。
(b)如果二个点间的偏差越限,而另一点对这二点的偏差不越限,则输出取后一点的值(相当于取中间值)。
(c)如果三个点互相之间的偏差均越限,则输出不变Y(n)=Y(n-1),YS=1。
(d)如果三个点间的偏差均不超限,则输出将根据Mode的值取平均或低选或高选或中值。
M=4:Y=X1,YS=0
M=5: Y=X2,YS=0
M=6:Y=X3,YS=0
功能块解释

二值取值
| 名称 | 二值取值 | 代码 | 2SEL | 序号 | 177 |
|---|
图形

功能块描述
(1) 根据M模式的不同,对2个输入值进行不同的运算后输出。
输入说明
| 序号 | 标记名 | 数据类型 | 缺省值 | 可视缺省值 | 描述 |
|---|---|---|---|---|---|
| 1 | X1 | Float | 0.0 | 1 | 输入1 |
| 2 | K1 | Bool | 0 | 1 | X1是否为坏点 |
| 3 | X2 | Float | 0.0 | 1 | 输入2 |
| 4 | K2 | Bool | 0 | 1 | X2是否为坏点 |
| 5 | M | INT | 0 | 1 | 模式选择:M=0取平均值,M=1取低值,
M=2、M=3取高值,M=4选X1,M=5选X2 |
| 6 | DB | Float | 0.0 | 1 | 偏差 |
输出说明
| 序号 | 标记名 | 数据类型 | 可视缺省值 | 描述 |
|---|---|---|---|---|
| 1 | Y | Float | 1 | 输出 |
| 2 | Ys | Bool | 1 | 输出不正常,建议切手动 |
工作区说明
| 序号 | 标记名 | 数据类型 | 数据长度(字) |
|---|---|---|---|
| 1 | YLast | Float | 2 |
质量及异常说明
无
算法描述
当M=0~3时:
(1) 如果X1、X2均为坏点,则输出为坏点,输出保持不变Y(n)=Y(n-1);
YS=1
(2) 如果X1、X2中有一个点为坏点,则输出等于另一好点之值;YS=1
(3) 如果X1、X2均为好点,YS=0。
(a)如二者间偏差越限,则Ys=1,Y(n)=Y(n-1);
(b)如二者间偏差不越限,则输出随Mode=0或1或2或3,取平均或低选或高选。
M=4:Y=X1,YS=0
M=5:Y=X2,YS=0
功能块解释

斜坡跟踪
| 名称 | 斜坡跟踪 | 代码 | RMP | 序号 | 178 |
|---|
图形

功能块描述
(1) Y从当前值以一定的斜率跟踪并逼近X。
(2) 当Y被强制时:输出值保持不变,解除强制后从当前值开始运算。
输入说明
| 序号 | 标记名 | 数据类型 | 缺省值 | 可视缺省值 | 描述 |
|---|---|---|---|---|---|
| 1 | X | Float | 0.0 | 1 | |
| 2 | Hold | Bool | 0 | 1 | |
| 3 | Rst | Bool | 0 | 1 | |
| 4 | T | Float | 0.0 | 1 |
输出说明
| 序号 | 标记名 | 数据类型 | 可视缺省值 | 描述 |
|---|---|---|---|---|
| 1 | Y | Float | 1 | 输出值 |
| 2 | D | Bool | 1 | 在Y达终点时为1 |
工作区说明
| 序号 | 标记名 | 数据类型 | 数据长度(字) |
|---|---|---|---|
| 1 | YLast | Float | 2 |
质量及异常说明
(1) 变化率T必须满足T>=0.0,否则报功能块算法错误。
算法描述
| HOLD | Rst | 动作情况 |
|---|---|---|
| 0 | 0 | 输出Y以速率T从当前值趋向于目标点X |
| 0 | 1 | Y=X |
| 1 | 0 | Y=Ylast |
| 1 | 1 | Y=X |
功能块解释

2 输出平衡
| 名称 | 2 输出平衡 | 代码 | BAL2 | 序号 | 179 |
|---|
图形

功能块描述
(1) 用于调节两个设备进行PID调节时出现的输出不平衡。
输入说明
| 序号 | 标记名 | 数据类型 | 缺省值 | 可视缺省值 | 描述 |
|---|---|---|---|---|---|
| 1 | X | Float | 0.0 | 1 | 输入值 |
| 2 | DB | Float | 0.0 | 1 | 输入偏差 |
| 3 | TR1 | Float | 0.0 | 1 | 第一路跟踪量 |
| 4 | TS1 | Bool | 0 | 1 | 第一路跟踪切换开关 |
| 5 | TR2 | Float | 0.0 | 1 | 第二路跟踪量 |
| 6 | TS2 | Bool | 0 | 1 | 第二路跟踪切换开关 |
| 7 | YH | Float | 0.0 | 1 | 输出上限 |
| 8 | YL | Float | 100.0 | 1 | 输出下限 |
输出说明
| 序号 | 标记名 | 数据类型 | 可视缺省值 | 描述 |
|---|---|---|---|---|
| 1 | Y1 | Float | 1 | 第一路平衡值 |
| 2 | Y2 | Float | 1 | 第二路平衡值 |
| 3 | YDB | Float | 1 | 偏差输出 |
工作区说明
| 序号 | 标记名 | 数据类型 | 数据长度(字) |
|---|---|---|---|
| 1 | YLast | Float | 2 |
质量及异常说明
满足YH>YL,否则报功能块算法错误
算法描述
1、两输出均手动即(TS1 = =0 & TS2 == 0), 则 Y1 = TR1, Y2 = TR2;且偏差输入需要跟踪即DB=(Y1-Y2)/2
2、两输出均自动即(TS1= = 1 & TS2= = 1), 则 Y1 = X + DB, Y2 = X – DB;此时可以认为设置DB的值
3、第一个自动,第二个手动 即(TS1 ==1& TS2 == 0), 则 Y1 =2X-Y2,Y2= TR2 ; 且偏差输入需要跟踪即DB=(Y1-Y2)/2
4、第一个手动,第二个自动 即(TS1 ==0& TS2 == 1), 则 Y1 =TR1,Y2=2X-Y1 ; 且偏差输入需要跟踪即DB=(Y1-Y2)/2

功能块解释

模拟量跟踪器
| 名称 | 模拟量跟踪器 | 代码 | AMA | 序号 | 180 |
|---|
图形

功能块描述
(1) 跟踪手动/自动输入的模拟量信号并输出到Y。
输入说明
| 序号 | 标记名 | 数据类型 | 缺省值 | 可视缺省值 | 描述 |
|---|---|---|---|---|---|
| 1 | HV | Float | 0.0 | 1 | 手动设定值 |
| 2 | AV | Float | 0.0 | 1 | 自动设定值 |
| 3 | AS | Float | 1 | 1 | 手自动切换开关 |
输出说明
| 序号 | 标记名 | 数据类型 | 可视缺省值 | 描述 |
|---|---|---|---|---|
| 1 | Y | Float | 1 | 输出 |
工作区说明
| 序号 | 标记名 | 数据类型 | 数据长度(字) |
|---|---|---|---|
| 1 | YLast | Float | 2 |
质量及异常说明
无
算法描述
(1)如 AS = 0,Y = HV;(跟踪手动信号)
(2)如 AS = 1,Y =AV, 且 HV=Y;(输出和手动均跟踪自动信号)
功能块解释

数字量跟踪器
| 名称 | 数字量跟踪器 | 代码 | DMA | 序号 | 181 |
|---|
图形

功能块描述
(1) 主要用在人机界面的内存点上,目的是将上位机设置的值自动复归为0。
输入说明
| 序号 | 标记名 | 数据类型 | 缺省值 | 可视缺省值 | 描述 |
|---|---|---|---|---|---|
| 1 | D | Bool | 0 | 1 | 手动设定 |
| 2 | DT | Float | 0.0 | 1 | 手动设定时间长度(单位:s) |
输出说明
| 序号 | 标记名 | 数据类型 | 可视缺省值 | 描述 |
|---|---|---|---|---|
| 1 | Y | Bool | 1 | 手自动输出 |
工作区说明
无
质量及异常说明
(1) 手动设定时间长度必须满足DT>=0,否则报功能块算法错误。
算法描述
(1) D=0时,Y=0.0
(2) D=1时,Y=D延时DT时间将D复位为0。
功能块解释

流量计算函数
| 名称 | 流量计算函数 | 代码 | FLW | 序号 | 182 |
|---|
图形

功能块描述
(1) 算过热蒸汽密度
输入说明
| 序号 | 标记名 | 数据类型 | 缺省值 | 可视缺省值 | 描述 |
|---|---|---|---|---|---|
| 1 | △P | Float | 0 | 1 | 实测差压 |
| 2 | Tf | Float | 0 | 1 | 实测温度 |
| 3 | Pf | Float | 0 | 1 | 实测压力 |
| 4 | RD | Float | 0 | 0 | 设计密度 |
| 5 | Qe | Float | 0 | 0 | 设计刻度流量 |
| 6 | △Pe | Float | 0 | 0 | 设计刻度差压 |
| 7 | △Pmin | Float | 0 | 0 | 实测差压最小值 |
| 8 | RST | Float | 0 | 1 | 流量累计复位 |
输出说明
| 序号 | 标记名 | 数据类型 | 可视缺省值 | 描述 |
|---|---|---|---|---|
| 1 | YQ | Float | 1 | 瞬时流量 |
| 2 | YACC | Float | 1 | 累计流量 |
| 3 | Rf | Float | 1 | 密度 |
工作区说明
无
质量及异常说明
无
算法描述

为了减少干扰,当实测差压△P小于等于△Pmin时,则YQ=0
YACC就是对Yq的累计,累计时间参照MOD的参数设置。
rf就是密度输出,具体见计算公式。
8 函数发生器
| 序号 | 代码 | 名称 |
|---|---|---|
| 211 | ON | 常逻辑 1 |
| 212 | OFF | 常逻辑 0 |
| 213 | FLC | 脉冲发生器 |
| 214 | ZER | 常数 0 |
| 215 | INF | 无穷大 |
| 216 | SG | 常数发生器 |
| 217 | LIN | 线性转换器 |
| 218 | FX | 多段函数 |
| 219 | D/A | 信号转换器 |
| 220 | FT | 时间函数发生器 |
| 221 | SINC | 正弦波信号发生器 |
| 222 | TWC | 三角波发生器 |
| 223 | RAND | 随机值 |
常逻辑 1
| 名称 | 常逻辑 1 | 代码 | ON | 序号 | 211 |
|---|
图形

功能块描述
(1) 输出一个常为1的布尔量。
输入说明
无
输出说明
| 序号 | 标记名 | 数据类型 | 可视缺省值 | 描述 |
|---|---|---|---|---|
| 1 | Y | Bool | 1 | 输出布尔量1 |
工作区说明
无
质量及异常说明
无
算法说明
Y=1
功能块解释

常逻辑 0
| 名称 | 常逻辑 0 | 代码 | OFF | 序号 | 212 |
|---|
图形

功能块描述
(1) 输出一个常为0的布尔量。
输出说明
| 序号 | 标记名 | 数据类型 | 可视缺省值 | 描述 |
|---|---|---|---|---|
| 1 | Y | Bool | 1 | 输出布尔量0 |
工作区说明
无
质量及异常说明
无
算法说明
Y=0
功能块解释

脉冲发生器
| 名称 | 脉冲发生器 | 代码 | FLC | 序号 | 213 |
|---|
图形

功能块描述
(1) 产生脉冲信号,可用于报警输出。
输入说明
| 序号 | 标记名 | 数据类型 | 缺省值 | 可视缺省值 | 描述 |
|---|---|---|---|---|---|
| 1 | X | Bool | 0 | 1 | 输入 |
| 2 | Ton | Float | 1.0 | 1 | 输出为1的时间(单位:s)Ton>=0 |
| 3 | Toff | Float | 1.0 | 1 | 输出为0的时间(单位:s)Toff>=0 |
输出说明
| 序号 | 标记名 | 数据类型 | 可视缺省值 | 描述 |
|---|---|---|---|---|
| 1 | Y | Bool | 1 | 脉冲输出 |
工作区说明
无
质量及异常说明
Ton和Toff的时间长度为0.0<=on<=99999.9,否则报功能块功能块输入超高限或低
算法说明
(1)产生持续的脉冲信号
动作图

功能块解释

常数 0
| 名称 | 常数 0 | 代码 | ZER | 序号 | 214 |
|---|
图形

功能块描述
(1) 产生模拟信号的0%并输出,用于设置模拟量0值。
输入说明
无
输出说明
| 序号 | 标记名 | 数据类型 | 可视缺省值 | 描述 |
|---|---|---|---|---|
| 1 | Y | Float | 1 | 输出模拟量0 |
工作区说明
无
质量及异常说明
无
算法说明
Y=0%
功能块解释

无穷大
| 名称 | 无穷大 | 代码 | INF | 序号 | 215 |
|---|
图形

功能块描述
(1) 输出3.40*的模拟量信号并输出。
输入说明
无
输出说明
| 序号 | 标记名 | 数据类型 | 可视缺省值 | 描述 |
|---|---|---|---|---|
| 1 | Y | Float | 1 | 输出模拟量∞ |
工作区说明
无
质量及异常说明
无
算法说明
Y=∞
功能块解释

常数发生器
| 名称 | 常数发生器 | 代码 | SG | 序号 | 216 |
|---|
图形

功能块描述
(1) 用于指定模拟量信号的输出参数。
输入说明
| 序号 | 标记名 | 数据类型 | 缺省值 | 可视缺省值 | 描述 |
|---|---|---|---|---|---|
| 1 | X | Float | 0.0 | 1 | 输入模拟量参数 |
输出说明
| 序号 | 标记名 | 数据类型 | 可视缺省值 | 描述 |
|---|---|---|---|---|
| 1 | Y | Float | 1 | 输出模拟量参数 |
工作区说明
无
质量及异常说明
无
算法说明
Y=X
功能块解释

线性转换器
| 名称 | 线性转换器 | 代码 | LIN | 序号 | 217 |
|---|
图形

功能块描述
(1) 通过参数确定XY平面上的一条直线,并描出该直线上X值对应的Y值,可用于模拟量的量程转换等。
输入说明
| 序号 | 标记名 | 数据类型 | 缺省值 | 可视缺省值 | 描述 |
|---|---|---|---|---|---|
| 1 | X | Float | 0.0 | 1 | 输入 |
| 2 | X1 | Float | 0.0 | 0 | 第一个点的X轴值 |
| 3 | Y1 | Float | 1.0 | 0 | 第一个点的Y轴值 |
| 4 | X2 | Float | 1.0 | 0 | 第二个点的X轴值 |
| 5 | Y2 | Float | 0.0 | 0 | 第二个点的Y轴值 |
输出说明
| 序号 | 标记名 | 数据类型 | 可视缺省值 | 描述 |
|---|---|---|---|---|
| 1 | Y | Float | 1 |
工作区说明
无
质量及异常说明
(1) 参数X1,X2必须满足X2>X1,否则报功能块算法错误。
算法说明
(1) 若 X<=X1 则Y = Y1;
(2) 若 X>=X2 则Y = Y2;
(3) 若 X2>=X>=X1 则Y = (Y2-Y1)*(X-X1)/(X2-X1)+Y1.
动作图

功能块解释

多段函数
| 名称 | 多段函数 | 代码 | FX | 序号 | 218 |
|---|
图形

功能块描述
(1) 通过参数确定XY平面上的一条多段折线,并根据输入X找出该多段折线上对应的Y值,可用于模拟量的量程转换等。
输入说明
| 序号 | 标记名 | 数据类型 | 缺省值 | 可视缺省值 | 描述 |
|---|---|---|---|---|---|
| 1 | X | Float | 0.0 | 1 | 输入 |
| 2 | X1 | Float | 0.0 | 0 | 第一个点的X轴值 |
| 3 | Y1 | Float | 1.0 | 0 | 第一个点的Y轴值 |
| ... | ... | ... | ... | ... | ... |
| 20 | X10 | Float | 1.0 | 0 | 第十个点的X轴值 |
| 21 | Y10 | Float | 0.0 | 0 | 第十个点的Y轴值 |
输出说明
| 序号 | 标记名 | 数据类型 | 可视缺省值 | 描述 |
|---|---|---|---|---|
| 1 | Y | Float | 1 |
工作区说明
无
质量及异常说明
(1) 参数Xn必须满足Xn-1<Xn,否则报功能块算法错误。
算法说明
(1) 若 X<=X1 则Y = Y1;
(2) 若 X>=X10 则Y = Y10;
(3) 若 X10>=X>=X1 则Y(n) = (Yn-Y1)*(X-X1)/(Xn-X1)+Y1.
动作图

功能块解释

信号转换器
| 名称 | 信号转换器 | 代码 | DA | 序号 | 219 |
|---|
图形

功能块描述
(1) 将数字量信号转换为模拟量信号并输出。
输入说明
| 序号 | 标记名 | 数据类型 | 缺省值 | 可视缺省值 | 描述 |
|---|---|---|---|---|---|
| 1 | X | Bool | 0 | 1 | 输入 |
| 2 | V | Float | 0.0 | 1 | 模拟值设定 |
输出说明
| 序号 | 标记名 | 数据类型 | 可视缺省值 | 描述 |
|---|---|---|---|---|
| 1 | Y | Float | 1 |
工作区说明
无
质量及异常说明
无
算法说明
(1) 当X=0时,Y=0.0。
(2) 当X=1时,Y=V。
动作图

功能块解释

时间函数发生器(暂无)
| 名称 | 时间函数发生器(暂无) | 代码 | FT | 序号 | 220 |
|---|
图形

功能块描述
(1) 根据输入值确定Y随时间变化的函数并输出到Y。
输入说明
| 序号 | 标记名 | 数据类型 | 缺省值 | 可视缺省值 | 描述 |
|---|---|---|---|---|---|
| 1 | X | Float | 0.0 | 1 | 输入 |
| 2 | SW | Bool | 0 | 1 | 线性转换开关 |
| 3 | T1 | Float | 0.0 | 0 | 第一个时间点 |
| 4 | Y1 | Float | 0.0 | 0 | 第一个时间点对应的Y值 |
| ... | ... | ... | ... | ... | ... |
| 9 | T4 | Float | 0.0 | 0 | 第四个时间点 |
| 10 | Y4 | Float | 0.0 | 0 | 第四个时间点对应的Y值 |
输出说明
| 序号 | 标记名 | 数据类型 | 可视缺省值 | 描述 |
|---|---|---|---|---|
| 1 | Y | Float | 1 |
工作区说明
无
质量及异常说明
(1) 时间值X、T1~T4必须大于等于0,否则报功能块输入超低限错误。
(2) Tn必须满足Tn<=Tn+1, 否则报功能块算法错误。
算法说明
(1) 当S/W=0时,Y=X;
(2) 当S/W=1时,输出Y随时间变化的函数
动作图
正弦波信号发生器
| 名称 | 正弦波信号发生器 | 代码 | SINC | 序号 | 221 |
|---|
图形

功能块描述
(1) 产生一定频率和幅值的正弦波函数。
输入说明
| 序号 | 标记名 | 数据类型 | 缺省值 | 可视缺省值 | 描述 |
|---|---|---|---|---|---|
| 1 | HZ | Float | 0.0 | 1 | 输入频率 |
| 2 | A | Float | 0.0 | 1 | 峰值 |
| 3 | φ | Float | 0.0 | 1 | 初相位 |
输出说明
| 序号 | 标记名 | 数据类型 | 可视缺省值 | 描述 |
|---|---|---|---|---|
| 1 | Y | Float | 1 |
工作区说明
无
质量及异常说明
无
算法说明
y=Asin(ωx+φ)
注:
功能块解释

三角波发生器
| 名称 | 三角波发生器 | 代码 | TWC | 序号 | 222 |
|---|
图形

功能块描述
(1) 产生三角波函数。
输入说明
| 序号 | 标记名 | 数据类型 | 缺省值 | 可视缺省值 | 描述 |
|---|---|---|---|---|---|
| 1 | K | Float | 0.0 | 1 | 输入斜率 |
| 2 | H | Float | 0.0 | 1 | 上限 |
| 3 | L | Float | 0.0 | 1 | 下限 |
输出说明
| 序号 | 标记名 | 数据类型 | 可视缺省值 | 描述 |
|---|---|---|---|---|
| 1 | Y | Float | 1 |
工作区说明
无
质量及异常说明
无
算法说明
y=KX
注:扫描周期
功能块解释

随机值
| 名称 | 随机值 | 代码 | RAND | 序号 | 223 |
|---|
图形

功能块描述
(1) 产生随机值。
输入说明
| 序号 | 标记名 | 数据类型 | 缺省值 | 可视缺省值 | 描述 |
|---|---|---|---|---|---|
| 1 | Min | Float | 0.0 | 1 | 最小值 |
| 2 | Max | Float | 0.0 | 1 | 最大值 |
输出说明
| 序号 | 标记名 | 数据类型 | 可视缺省值 | 描述 |
|---|---|---|---|---|
| 1 | Y | Float | 1 |
工作区说明
无
质量及异常说明
无
算法说明
产生一个随机值
功能块解释

9 数据移位、传送
| 序号 | 代码 | 名称 |
|---|---|---|
| 231 | MOV | 数据块传送 |
| 232 | SHR | 位右移 |
| 233 | SHL | 位左移 |
| 234 | DFI | 开关量填充 |
| 235 | AFI | 模拟量填充 |
| 236 | WFI | 整形量填充 |
数据块传送
| 名称 | 数据块传送 | 代码 | MOVA | 序号 | 231 |
|---|
图形

功能块描述
(1) 将X开始的N个通道的数据传送到Y开始的n个通道中去。
输入说明
| 序号 | 标记名 | 数据类型 | 缺省值 | 可视缺省值 | 描述 |
|---|---|---|---|---|---|
| 1 | EN | Bool | 1 | 1 | 使能 |
| 2 | Len | Int | 0 | 1 | 传送数据块长度 |
| 3 | STag | Int | 0 | 1 | 源区域代码 |
| 4 | SA | Int | 0 | 1 | 源数据起始地址 |
| 5 | TTag | Int | 0 | 1 | 目标区域代码 |
| 6 | TA | Int | 0 | 1 | 目标数据起始地址 |
输出说明
| 序号 | 标记名 | 数据类型 | 可视缺省值 | 描述 |
|---|---|---|---|---|
| 1 | Y | 地址值 | 1 | 传送的目的起始地址 |
工作区说明
无
质量及异常说明
(1) 必须确保源字(X1~Xn–1)和目标字(Y~Yn–1)不超出数据区的末端。
(2) 当传送大量的字时,功能块的执行需要一定的时间。在这种情况下,如果在指令执行过程中发生电源中断,功能块的执行可能不会完成。
算法说明

脚本
缺
功能块解释

双字右移
| 名称 | 双字右移 | 代码 | SHR | 序号 | 232 |
|---|
图形

功能块描述
(1) 数据以位为单位向右移动。
输入说明
| 序号 | 标记名 | 数据类型 | 缺省值 | 可视缺省值 | 描述 |
|---|---|---|---|---|---|
| 1 | TRI | Bool | 0 | 1 | 上升沿触发 |
| 2 | X | INT | 0 | 1 | 输入 |
| 3 | EN | Bool | 0 | 1 | 补入(0/1) |
| 4 | N | INT | 0 | 1 | 移动位数 |
输出说明
工作区说明
无
质量及异常说明
无
算法说明
(1) 当TRI产生一个上升沿信号,将EN的值作为K的最高位,同时将X开始的K个通道的数据依次向右移N位,移出的位数据存放在进位标志CY中。

功能块解释


双字左移
| 名称 | 双字左移 | 代码 | SHL | 序号 | 233 |
|---|
图形

功能块描述
(1) 数据以位为单位向左移动。
输入说明
| 序号 | 标记名 | 数据类型 | 缺省值 | 可视缺省值 | 描述 |
|---|---|---|---|---|---|
| 1 | TRI | Bool | 0 | 1 | 上升沿触发 |
| 2 | X | INT | 0 | 1 | 输入 |
| 3 | EN | Bool | 0 | 1 | 补入(0/1) |
| 4 | N | INT | 0 | 1 | 移动位数 |
输出说明
无
工作区说明
无
质量及异常说明
无
算法说明
(1) 当TRI产生一个上升沿信号,将EN的值作为K的最低位,同时将X开始的K个通道的数据依次向左移N位,移出的位数据存放在进位标志CY中。

功能块解释


开关量填充
| 名称 | 开关量填充 | 代码 | DFI | 序号 | 234 |
|---|
图形

功能块描述
(1)将输入开关量批量填充到指定的内存区域。
输入说明
| 序号 | 标记名 | 数据类型 | 缺省值 | 可视缺省值 | 描述 |
|---|---|---|---|---|---|
| 1 | EN | Bool | 0 | 1 | 使能 |
| 2 | DI | Bool | 0 | 1 | 填充值 |
| 3 | AreaT | INT | 0 | 1 | 目标区域代码 |
| 4 | StartT | INT | 0 | 1 | 起始地址 |
| 5 | Len | INT | 0 | 1 | 填充长度 |
输出说明
| 序号 | 标记名 | 数据类型 | 可视缺省值 | 描述 |
|---|---|---|---|---|
| 1 | CNT | INT | 1 | 计数 |
| 2 | ER | INT | 1 | 配置错误 |
工作区说明
无
质量及异常说明
无
算法说明
(1) 目标区域代码:输入输出功能块序号。
(2) 配置错误:区域代码错误,地址错误,无使能。
功能块解释

模拟量填充
| 名称 | 模拟量填充 | 代码 | AFI | 序号 | 235 |
|---|
图形

功能块描述
(1)将输入模拟量批量填充到指定的内存区域。
输入说明
| 序号 | 标记名 | 数据类型 | 缺省值 | 可视缺省值 | 描述 |
|---|---|---|---|---|---|
| 1 | EN | Bool | 0 | 1 | 使能 |
| 2 | DI | Bool | 0 | 1 | 填充值 |
| 3 | AreaT | INT | 0 | 1 | 目标区域代码 |
| 4 | StartT | INT | 0 | 1 | 起始地址 |
| 5 | Len | INT | 0 | 1 | 填充长度 |
输出说明
| 序号 | 标记名 | 数据类型 | 可视缺省值 | 描述 |
|---|---|---|---|---|
| 1 | CNT | INT | 1 | 计数 |
| 2 | ER | INT | 1 | 配置错误 |
工作区说明
无
质量及异常说明
无
算法说明
(1)目标区域代码:输入输出功能块序号。
(2)配置错误:区域代码错误,地址错误,无使能。
功能块解释

整形量填充
| 名称 | 整形量填充 | 代码 | WFI | 序号 | 236 |
|---|
图形

功能块描述
(1)将输入整形量批量填充到指定的内存区域。
输入说明
| 序号 | 标记名 | 数据类型 | 缺省值 | 可视缺省值 | 描述 |
|---|---|---|---|---|---|
| 1 | EN | Bool | 0 | 1 | 使能 |
| 2 | DI | Bool | 0 | 1 | 填充值 |
| 3 | AreaT | INT | 0 | 1 | 目标区域代码 |
| 4 | StartT | INT | 0 | 1 | 起始地址 |
| 5 | Len | INT | 0 | 1 | 填充长度 |
输出说明
| 序号 | 标记名 | 数据类型 | 可视缺省值 | 描述 |
|---|---|---|---|---|
| 1 | CNT | INT | 1 | 计数 |
| 2 | ER | INT | 1 | 配置错误 |
工作区说明
无
质量及异常说明
无
算法说明
(1)目标区域代码:输入输出功能块序号。
(2)配置错误:区域代码错误,地址错误,无使能。
功能块解释

10 任务/程序
| 序号 | 代码 | 名称 |
|---|---|---|
| 241 | JSR_T | 子任务调用 |
| 242 | FOR_T | 子任务循环调用 |
| 243 | TXA | 子任务模拟量输入参数 |
| 244 | TYA | 子任务模拟量参数输出 |
| 245 | TXD | 子任务数字量输入参数 |
| 246 | TYD | 子任务数字量参数输出 |
| 247 | NT | 子任务实时循环次数 |
| 248 | JSR_P | 子程序调用 |
| 249 | FOR_P | 子程序循环调用 |
| 250 | PXA | 子程序模拟量输入参数 |
| 251 | PYA | 子程序模拟量参数输出 |
| 252 | PXD | 子程序数字量输入参数 |
| 253 | PYD | 子程序数字量参数输出 |
| 254 | NP | 子程序实时循环次数 |
子任务调用
| 名称 | 子任务调用 | 代码 | JSR_T | 序号 | 241 |
|---|
图形

功能块描述
(1)输入侧送至子任务243-TXA, 245-TXD
(2)输出侧来自子任务244-TYA, 246-TYD
(3)与243-TXA, 244-TYA, 245-TXD, 246-TYD配合使用
输入说明
| 序号 | 标记名 | 数据类型 | 缺省值 | 可视缺省值 | 描述 |
|---|---|---|---|---|---|
| 1 | EN | Bool | 1 | 1 | 使能 |
| 2 | TNO | INT | 0 | 1 | 任务号 |
| 3 | X1 | Float | 0 | 1 | 输入参数1 |
| ... | ... | ... | ... | ... | ... |
| 16 | X14 | Float | 0 | 1 | 输入参数14 |
| 17 | X15 | Bool | 0 | 1 | 输入参数15 |
| 18 | X16 | Bool | 0 | 1 | 输入参数16 |
输出说明
| 序号 | 标记名 | 数据类型 | 可视缺省值 | 描述 |
|---|---|---|---|---|
| 1 | Y | Float | 1 | 返回参数 |
| ... | ... | ... | ... | ... |
| 4 | Y | Float | 1 | 返回参数4 |
| 5 | Y | Bool | 1 | 返回参数5 |
工作区说明
无
质量及异常说明
无
算法说明
无
功能块解释




子任务循环
| 名称 | 子任务循环 | 代码 | FOR_T | 序号 | 242 |
|---|
图形

功能块描述
(1) 当EN=1时,每个扫描周期循环执行TNO参数对应的子任务(ES-SS)次,相当于每个扫描周期执行了一次子任务的FOR循环;
输入说明
| 序号 | 标记名 | 数据类型 | 缺省值 | 可视缺省值 | 描述 |
|---|---|---|---|---|---|
| 1 | Bool | 1 | 1 | 使能 | |
| 2 | TNO | INT | 0 | 1 | 任务号 |
| 3 | SS | INT | 0 | 1 | 起始循环数 |
| 4 | ES | INT | 0 | 1 | 结束循环数 |
输出说明
无
工作区说明
无
质量及异常说明
无
算法说明
无
功能块解释


子任务模拟量输入
| 名称 | 子任务模拟量输入 | 代码 | TXA | 序号 | 243 |
|---|
图形

功能块描述
(1)N为调用子任务的241-JSR_T功能块输入参数号,如X1参数号为1
(2)输出测来自241-JSR_T的对应参数号输入值
(3)与241-JSR_T配合使用
输入说明
| 序号 | 标记名 | 数据类型 | 缺省值 | 可视缺省值 | 描述 |
|---|---|---|---|---|---|
| 1 | N | Float | 0 | 1 | 输入参数号(1-14) |
输出说明
| 序号 | 标记名 | 数据类型 | 可视缺省值 | 描述 |
|---|---|---|---|---|
| 1 | Y | Float | 1 | 输出 |
工作区说明
无
质量及异常说明
无
算法说明
无
功能块解释

子任务模拟量输出
| 名称 | 子任务模拟量输出 | 代码 | TYA | 序号 | 244 |
|---|
图形

功能块描述
(1)X数值送至调用子任务的241-JSR_T对应参数号输出测
(2)N为调用子任务的241-JSR_T功能块输出参数号,如Y1参数号为1
(3)与241-JSR_T配合使用
输入说明
| 序号 | 标记名 | 数据类型 | 缺省值 | 可视缺省值 | 描述 |
|---|---|---|---|---|---|
| 1 | X | Float | 0 | 1 | 输入 |
| 2 | N | Float | 0 | 1 | 输入参数号(1-14) |
输出说明
| 序号 | 标记名 | 数据类型 | 可视缺省值 | 描述 |
|---|---|---|---|---|
| 1 | Y | Float | 1 | 输出 |
工作区说明
无
质量及异常说明
无
算法说明
无
功能块解释

子任务数字量输入
| 名称 | 子任务数字量输入 | 代码 | TXD | 序号 | 245 |
|---|
图形

功能块描述
(1)N为调用子任务的241-JSR_T功能块输入参数号,如X15参数号为15
(2)输出测来自241-JSR_T的对应参数号输入值
(3)与241-JSR_T配合使用
输入说明
| 序号 | 标记名 | 数据类型 | 缺省值 | 可视缺省值 | 描述 |
|---|---|---|---|---|---|
| 1 | N | Float | 0 | 1 | 输入参数号(15-16) |
输出说明
| 序号 | 标记名 | 数据类型 | 可视缺省值 | 描述 |
|---|---|---|---|---|
| 1 | Y | Bool | 1 | 输出 |
工作区说明
无
质量及异常说明
无
算法说明
无
功能块解释

子任务数字量输出
| 名称 | 子任务数字量输出 | 代码 | TYD | 序号 | 246 |
|---|
图形

功能块描述
(1)X数值送至调用子任务的241-JSR_T对应参数号输出测
(2)N为调用子任务的241-JSR_T功能块输出参数号,如Y5参数号为5
(3)与241-JSR_T配合使用
输入说明
| 序号 | 标记名 | 数据类型 | 缺省值 | 可视缺省值 | 描述 |
|---|---|---|---|---|---|
| 1 | X | Float | 0 | 1 | 输入 |
| 2 | N | Float | 0 | 1 | 输出参数号(5-6) |
输出说明
| 序号 | 标记名 | 数据类型 | 可视缺省值 | 描述 |
|---|---|---|---|---|
| 1 | Y | Bool | 1 | 输出 |
工作区说明
无
质量及异常说明
无
算法说明
无
功能块解释

子任务实时循环次数
| 名称 | 子任务实时循环次数 | 代码 | NT | 序号 | 247 |
|---|
图形

功能块描述
(1)N为调用子任务的242-FOR_T功能块循环次数;
(2)与242-FOR_T配合使用.
输入说明
无
输出说明
| 序号 | 标记名 | 数据类型 | 可视缺省值 | 描述 |
|---|---|---|---|---|
| 1 | N | INT | 1 | 实时循环次数 |
工作区说明
无
质量及异常说明
无
算法说明
无
功能块解释

子程序调用
| 名称 | 子程序调用 | 代码 | JSR_P | 序号 | 248 |
|---|
图形

功能块描述
(1)输入侧送至子任务250-PXA, 252-PXD
(2)输出侧来自子任务253-PYA, 254-PYD
(3)与250-PXA, 251-PYA, 252-PXD, 253-PYD配合使用
输入说明
| 序号 | 标记名 | 数据类型 | 缺省值 | 可视缺省值 | 描述 |
|---|---|---|---|---|---|
| 1 | EN | Bool | 1 | 1 | 使能 |
| 2 | TNO | INT | 0 | 1 | 任务号 |
| 3 | X1 | Float | 0 | 1 | 输入参数1 |
| ... | ... | ... | ... | ... | ... |
| 16 | X14 | Float | 0 | 1 | 输入参数14 |
| 17 | X15 | Bool | 0 | 1 | 输入参数15 |
| 18 | X16 | Bool | 0 | 1 | 输入参数16 |
输出说明
| 序号 | 标记名 | 数据类型 | 可视缺省值 | 描述 |
|---|---|---|---|---|
| 1 | Y | Float | 1 | 返回参数 |
| ... | ... | ... | ... | ... |
| 4 | Y | Float | 1 | 返回参数4 |
| 5 | Y | Bool | 1 | 返回参数5 |
工作区说明
无
质量及异常说明
无
算法说明
无
功能块解释
.jpg)
%E8%A2%AB%E8%B0%83%E7%94%A8%E7%9A%84%E5%AD%90%E7%A8%8B%E5%BA%8F1.jpg)
.jpg)
%E8%A2%AB%E8%B0%83%E7%94%A8%E7%9A%84%E5%AD%90%E7%A8%8B%E5%BA%8F2.jpg)
子程序循环
| 名称 | 子程序循环 | 代码 | FOR_P | 序号 | 249 |
|---|
图形

功能块描述
(1)当EN=1时,每个扫描周期循环执行TNO参数对应的子程序(ES-SS)次,相当于每个扫描周期执行了一次子程序的FOR循环;
输入说明
| 序号 | 标记名 | 数据类型 | 缺省值 | 可视缺省值 | 描述 |
|---|---|---|---|---|---|
| 1 | Bool | 1 | 1 | 使能 | |
| 2 | TNO | INT | 0 | 1 | 任务号 |
| 3 | SS | INT | 0 | 1 | 起始循环数 |
| 4 | ES | INT | 0 | 1 | 结束循环数 |
输出说明
无
工作区说明
无
质量及异常说明
无
算法说明
无
功能块解释


子程序模拟量输入
| 名称 | 子程序模拟量输入 | 代码 | PXA | 序号 | 250 |
|---|
图形

功能块描述
(1)N为调用子程序的248-JSR_P功能块输入参数号,如X1参数号为1
(2)输出测来自248-JSR_P的对应参数号输入值
(3)与248-JSR_P配合使用
输入说明
| 序号 | 标记名 | 数据类型 | 缺省值 | 可视缺省值 | 描述 |
|---|---|---|---|---|---|
| 1 | X | Float | 0 | 1 | 输入 |
| 2 | N | Float | 0 | 1 | 输入参数号(1-14) |
输出说明
| 序号 | 标记名 | 数据类型 | 可视缺省值 | 描述 |
|---|---|---|---|---|
| 1 | Y | Float | 1 | 输出 |
工作区说明
无
质量及异常说明
无
算法说明
无
功能块解释

子程序模拟量输出
| 名称 | 子程序模拟量输出 | 代码 | PYA | 序号 | 251 |
|---|
图形

功能块描述
(1)X数值送至调用子程序的248-JSR_P对应参数号输出测
(2)N为调用子程序的248-JSR_P功能块输出参数号,如Y1参数号为1
(3)与248-JSR_P配合使用
输入说明
| 序号 | 标记名 | 数据类型 | 缺省值 | 可视缺省值 | 描述 |
|---|---|---|---|---|---|
| 1 | X | Float | 0 | 1 | 输入 |
| 2 | N | Float | 0 | 1 | 输入参数号(1-4) |
输出说明
无
工作区说明
无
质量及异常说明
无
算法说明
无
功能块解释

子程序数字量输入
| 名称 | 子程序数字量输入 | 代码 | PXD | 序号 | 252 |
|---|
图形

功能块描述
(1)N为调用子程序的248-JSR_P功能块输入参数号,如X15参数号为15
(2)输出测来自248-JSR_P的对应参数号输入值
(3)与248-JSR_P配合使用
输入说明
| 序号 | 标记名 | 数据类型 | 缺省值 | 可视缺省值 | 描述 |
|---|---|---|---|---|---|
| 1 | N | Float | 0 | 1 | 输入参数号(15-16) |
输出说明
| 序号 | 标记名 | 数据类型 | 可视缺省值 | 描述 |
|---|---|---|---|---|
| 1 | Y | Bool | 1 | 输出 |
工作区说明
无
质量及异常说明
无
算法说明
无
功能块解释

子程序数字量输出
| 名称 | 子程序数字量输出 | 代码 | PYD | 序号 | 253 |
|---|
图形

功能块描述
(1)X数值送至调用子程序的248-JSR_P对应参数号输出测
(2)N为调用子程序的248-JSR_P功能块输出参数号,如Y5参数号为5
(3)与248-JSR_P配合使用
输入说明
| 序号 | 标记名 | 数据类型 | 缺省值 | 可视缺省值 | 描述 |
|---|---|---|---|---|---|
| 1 | X | Float | 0 | 1 | 输入 |
| 2 | N | Float | 0 | 1 | 输出参数号(5-6) |
输出说明
| 序号 | 标记名 | 数据类型 | 可视缺省值 | 描述 |
|---|---|---|---|---|
| 1 | Y | Bool | 1 | 输出 |
工作区说明
无
质量及异常说明
无
算法说明
无
功能块解释

子程序实时循环次数
| 名称 | 子程序实时循环次数 | 代码 | NP | 序号 | 254 |
|---|
图形

功能块描述
(1)N为调用子程序的250-FOR_P功能块循环次数
(2)与250-FOR_P配合使用
输入说明
输出说明
| 序号 | 标记名 | 数据类型 | 可视缺省值 | 描述 |
|---|---|---|---|---|
| 1 | N | INT | 1 | 实时循环次数 |
工作区说明
无
质量及异常说明
无
算法说明
无
功能块解释

11 间接寻址
| 序号 | 代码 | 名称 |
|---|---|---|
| 261 | DR | 数字量变址读 |
| 262 | AR | 模拟量变址读 |
| 263 | WR | 整形量变址读 |
| 264 | DW | 数字量变址写 |
| 265 | AW | 模拟量变址写 |
| 266 | WW | 整形量变址写 |
数字量变址读
| 名称 | 数字量变址读 | 代码 | DR | 序号 | 261 |
|---|
图形

功能块描述
(1)M为功能块序号,如DI为1, DO为21等
(2)N为对应功能块的下标地址
输入说明
| 序号 | 标记名 | 数据类型 | 缺省值 | 可视缺省值 | 描述 |
|---|---|---|---|---|---|
| 1 | EN | Bool | 0 | 1 | 使能 |
| 2 | M | INT | 0 | 1 | 区域代码 |
| 3 | N | INT | 0 | 1 | 地址 |
输出说明
| 序号 | 标记名 | 数据类型 | 可视缺省值 | 描述 |
|---|---|---|---|---|
| 1 | Y | Bool | 1 | 输出 |
工作区说明
无
质量及异常说明
无
算法说明
无
功能块解释

模拟量变址读
| 名称 | 模拟量变址读 | 代码 | AR | 序号 | 262 |
|---|
图形

功能块描述
(1)M为功能块序号,如AI为3, AO为22等
(2)N为对应功能块的下标地址
输入说明
| 序号 | 标记名 | 数据类型 | 缺省值 | 可视缺省值 | 描述 |
|---|---|---|---|---|---|
| 1 | EN | Bool | 0 | 1 | 使能 |
| 2 | M | INT | 0 | 1 | 区域代码 |
| 3 | N | INT | 0 | 1 | 地址 |
输出说明
| 序号 | 标记名 | 数据类型 | 可视缺省值 | 描述 |
|---|---|---|---|---|
| 1 | Y | Bool | 1 | 输出 |
工作区说明
无
质量及异常说明
无
算法说明
无
功能块解释

整形量变址读
| 名称 | 整形量变址读 | 代码 | WR | 序号 | 263 |
|---|
图形

功能块描述
(1)M为功能块序号,如LW为14或27等
(2)N为对应功能块的下标地址
输入说明
| 序号 | 标记名 | 数据类型 | 缺省值 | 可视缺省值 | 描述 |
|---|---|---|---|---|---|
| 1 | EN | Bool | 0 | 1 | 使能 |
| 2 | M | INT | 0 | 1 | 区域代码 |
| 3 | N | INT | 0 | 1 | 地址 |
输出说明
| 序号 | 标记名 | 数据类型 | 可视缺省值 | 描述 |
|---|---|---|---|---|
| 1 | Y | Bool | 1 | 输出 |
工作区说明
无
质量及异常说明
无
算法说明
无
功能块解释

数字量变址写
| 名称 | 数字量变址写 | 代码 | DW | 序号 | 264 |
|---|
图形

功能块描述
(1)M为功能块序号,如HDS为9, LD为12或25等
(2)N为对应功能块的下标地址
输入说明
| 序号 | 标记名 | 数据类型 | 缺省值 | 可视缺省值 | 描述 |
|---|---|---|---|---|---|
| 1 | EN | Bool | 0 | 1 | 使能 |
| 2 | X | Bool | 0 | 1 | 输入 |
| 3 | M | INT | 0 | 1 | 区域代码 |
| 4 | N | INT | 0 | 1 | 地址 |
输出说明
无
工作区说明
无
质量及异常说明
无
算法说明
无
功能块解释

模拟量变址写
| 名称 | 模拟量变址写 | 代码 | AW | 序号 | 265 |
|---|
图形

功能块描述
(1)M为功能块序号,如HAI为11, LA为13或26等
(2)N为对应功能块的下标地址
输入说明
| 序号 | 标记名 | 数据类型 | 缺省值 | 可视缺省值 | 描述 |
|---|---|---|---|---|---|
| 1 | EN | Bool | 0 | 1 | 使能 |
| 2 | X | Bool | 0 | 1 | 输入 |
| 3 | M | INT | 0 | 1 | 区域代码 |
| 4 | N | INT | 0 | 1 | 地址 |
输出说明
无
工作区说明
无
质量及异常说明
无
算法说明
无
功能块解释

整形量变址写
| 名称 | 整形量变址写 | 代码 | WW | 序号 | 266 |
|---|
图形

功能块描述
(1)M为功能块序号,如LW为14或27等
(2)N为对应功能块的下标地址
输入说明
| 序号 | 标记名 | 数据类型 | 缺省值 | 可视缺省值 | 描述 |
|---|---|---|---|---|---|
| 1 | EN | Bool | 0 | 1 | 使能 |
| 2 | X | Bool | 0 | 1 | 输入 |
| 3 | M | INT | 0 | 1 | 区域代码 |
| 4 | N | INT | 0 | 1 | 地址 |
输出说明
无
工作区说明
无
质量及异常说明
无
算法说明
无
功能块解释

12 其他
| 序号 | 代码 | 名称 |
|---|---|---|
| 291 | SEND | 数据发送器 |
| 292 | RECV | 数据接收器 |
| 293 | ComSrv | 串口通讯 |
| 294 | SPI | SPI总线通讯 |
| 295 | PorMulR | 自由串口多读 |
| 296 | PorSinR | 自由串口单读 |
| 297 | PorSinW | 自由串口单写 |
| 298 | ZMQDTU | 数据上传 |
| 299 | ZMQAlar | 数据报警 |
数据发送器
| 名称 | 数据发送器 | 代码 | SEND | 序号 | 291 |
|---|
图形

功能块描述
将本地控制站的数据发送给指定目标IP控制站。
输入说明
| 序号 | 标记名 | 数据类型 | 缺省值 | 可视缺省值 | 描述 |
|---|---|---|---|---|---|
| 1 | EN | Bool | 0 | 1 | 使能 |
| 2 | IP.1 | INT | 0 | 1 | IP第1字段,如192 |
| 3 | IP.2 | INT | 0 | 1 | IP第2字段,如168 |
| 4 | IP.3 | INT | 0 | 1 | IP第3字段,如0 |
| 5 | IP.4 | INT | 0 | 1 | IP第4字段,如1,合起来表示192.168.0.1 |
| 6 | AreaS | INT | 0 | 1 | 源区域代码 |
| 7 | StartS | INT | 0 | 1 | 源起始地址 |
| 8 | AreaT | INT | 0 | 1 | 目标区域代码 |
| 9 | StartT | INT | 0 | 1 | 目标起始地址 |
| 10 | Len | INT | 0 | 1 | 通信长度,不超过100字 |
| 11 | Buf | INT | 0 | 1 | 1-16,不能重复 |
输出说明
| 序号 | 标记名 | 数据类型 | 可视缺省值 | 描述 |
|---|---|---|---|---|
| 1 | CNT | INT | 1 | 成功通信计数 |
| 2 | S | Bool | 1 | 通信成功状态 |
| 3 | ERR | INT | 1 | 错误代码 |
工作区说明
无
质量及异常说明
如果发送的数据不同类型可能不能得到正确的结果
算法说明
无
数据接收器
| 名称 | 数据接收器 | 代码 | RECV | 序号 | 292 |
|---|
图形

功能块描述
从指定目标IP控制站读取数据,存储到本地控制站的内存中。
输入说明
| 序号 | 标记名 | 数据类型 | 缺省值 | 可视缺省值 | 描述 |
|---|---|---|---|---|---|
| 1 | EN | Bool | 0 | 1 | 使能 |
| 2 | IP.1 | INT | 0 | 1 | IP第1字段,如192 |
| 3 | IP.2 | INT | 0 | 1 | IP第2字段,如168 |
| 4 | IP.3 | INT | 0 | 1 | IP第3字段,如0 |
| 5 | IP.4 | INT | 0 | 1 | IP第4字段,如1,合起来表示192.168.0.1 |
| 6 | AreaS | INT | 0 | 1 | 源区域代码 |
| 7 | StartS | INT | 0 | 1 | 源起始地址 |
| 8 | AreaT | INT | 0 | 1 | 目标区域代码 |
| 9 | StartT | INT | 0 | 1 | 目标起始地址 |
| 10 | Len | INT | 0 | 1 | 通信长度,不超过100字 |
| 11 | Buf | INT | 0 | 1 | 1-16,不能重复 |
输出说明
| 序号 | 标记名 | 数据类型 | 可视缺省值 | 描述 |
|---|---|---|---|---|
| 1 | CNT | INT | 1 | 成功通信计数 |
| 2 | S | Bool | 1 | 通信成功状态 |
| 3 | ERR | INT | 1 | 错误代码 |
工作区说明
无
质量及异常说明
如果发送的数据不同类型可能不能得到正确的结果
算法说明
无
串口通讯
| 名称 | 串口通讯 | 代码 | ComSrv | 序号 | 293 |
|---|
图形

功能块描述
无
输入说明
| 序号 | 标记名 | 数据类型 | 缺省值 | 可视缺省值 | 描述 |
|---|---|---|---|---|---|
| 1 | EN | Bool | 0 | 1 | 触发使能 |
| 2 | Sadd | INT | 0 | 1 | 发送LW起始地址 |
| 3 | Slen | INT | 0 | 1 | 发送长度 |
| 4 | Radd | INT | 0 | 1 | 接收LW起始地址 |
| 5 | Rlen | INT | 0 | 1 | 接收长度 |
输出说明
| 序号 | 标记名 | 数据类型 | 可视缺省值 | 描述 |
|---|---|---|---|---|
| Y1 | CNT | INT | 1 | 接收字节数 |
工作区说明
无
质量及异常说明
无
算法说明
无
SPI总线通讯
| 名称 | SPI总线通讯 | 代码 | SPI | 序号 | 294 |
|---|
图形

功能块描述
无
输入说明
| 序号 | 标记名 | 数据类型 | 缺省值 | 可视缺省值 | 描述 |
|---|---|---|---|---|---|
| 1 | EN | BOOL | 0 | 1 | 发送脉冲使能 |
| 2 | CS | FLOAT | 0 | 1 | 片选引脚 |
| 3 | K | FLOAT | 0 | 1 | 系数 |
| 4 | SData | FLOAT | 0 | 1 | 发送数据 |
输出说明
| 序号 | 标记名 | 数据类型 | 可视缺省值 | 描述 |
|---|---|---|---|---|
| 1 | State | FLOAT | 1 | 发送状态 |
工作区说明
无
质量及异常说明
无
算法说明
无
自由串口多读
| 名称 | 自由串口多读 | 代码 | PorMulR | 序号 | 295 |
|---|
图形

功能块描述
无
输入说明
| 序号 | 标记名 | 数据类型 | 缺省值 | 可视缺省值 | 描述 |
|---|---|---|---|---|---|
| 1 | EN | Bool | 0 | 1 | 使能 |
| 2 | ID | INT | 0 | 1 | 设备节点号 |
| 3 | Area | INT | 0 | 1 | 数据区域 |
| 4 | Addr | INT | 0 | 1 | 起始地址 |
| 5 | Len | INT | 0 | 1 | 数据长度 |
| 6 | DriNo | INT | 0 | 1 | 驱动协议号 |
| 7 | ComNo | INT | 0 | 1 | 串口号 |
| 8 | SArea | INT | 0 | 1 | 存数据区域 |
| 9 | SAddr | INT | 0 | 1 | 存数据起始地址 |
输出说明
| 序号 | 标记名 | 数据类型 | 可视缺省值 | 描述 |
|---|---|---|---|---|
| 1 | State | INT | 1 | 通讯状态 |
| 2 | Pack | INT | 1 | 通讯包数量 |
工作区说明
无
质量及异常说明
无
算法说明
无
自由串口单独
| 名称 | 自由串口单独 | 代码 | PorSinR | 序号 | 296 |
|---|
图形

功能块描述
无
输入说明
| 序号 | 标记名 | 数据类型 | 缺省值 | 可视缺省值 | 描述 |
|---|---|---|---|---|---|
| 1 | EN | Bool | 0 | 1 | 使能 |
| 2 | ID | INT | 0 | 1 | 设备节点号 |
| 3 | Area | INT | 0 | 1 | 数据区域 |
| 4 | Addr | INT | 0 | 1 | 起始地址 |
| 5 | DriNo | INT | 0 | 1 | 驱动协议号 |
| 6 | ComNo | INT | 0 | 1 | 串口号 |
输出说明
| 序号 | 标记名 | 数据类型 | 可视缺省值 | 描述 |
|---|---|---|---|---|
| 1 | State | INT | 1 | 通讯状态 |
| 2 | Value | INT | 1 | 返回值 |
工作区说明
无
质量及异常说明
无
算法说明
无
自由串口单写
| 名称 | 自由串口单写 | 代码 | PorSinW | 序号 | 297 |
|---|
图形

功能块描述
无
输入说明
| 序号 | 标记名 | 数据类型 | 缺省值 | 可视缺省值 | 描述 |
|---|---|---|---|---|---|
| 1 | EN | Bool | 0 | 1 | 使能 |
| 2 | ID | INT | 0 | 1 | 设备节点号 |
| 3 | Area | INT | 0 | 1 | 数据区域 |
| 4 | Addr | INT | 0 | 1 | 起始地址 |
| 5 | DriNo | INT | 0 | 1 | 驱动协议号 |
| 6 | ComNo | INT | 0 | 1 | 串口号 |
| 7 | Value | INT | 0 | 1 | 写入值 |
输出说明
| 序号 | 标记名 | 数据类型 | 可视缺省值 | 描述 |
|---|---|---|---|---|
| 1 | State | INT | 1 | 通讯状态 |
| 2 | Pack | INT | 1 | 通讯包数量 |
工作区说明
无
质量及异常说明
无
算法说明
无
数据上传
| 名称 | 数据上传 | 代码 | ZMQDTU | 序号 | 298 |
|---|
图形

功能块描述
从指定目标IP控制站读取数据,存储到本地控制站的内存中。
输入说明
| 序号 | 标记名 | 数据类型 | 缺省值 | 可视缺省值 | 描述 |
|---|---|---|---|---|---|
| 1 | EN | Bool | 0 | 1 | 使能 |
| 2 | Area | INT | 0 | 1 | 数据区域 |
| 3 | Addr | INT | 0 | 1 | 起始地址 |
| 4 | Len | INT | 0 | 1 | 上传长度 |
| 5 | Time | INT | 0 | 1 | 间隔时间S |
输出说明
| 序号 | 标记名 | 数据类型 | 可视缺省值 | 描述 |
|---|---|---|---|---|
| 1 | CState | INT | 1 | 通讯状态 |
| 2 | TState | INT | 1 | 传输状态 |
工作区说明
无
质量及异常说明
无
算法说明
无
数据报警
| 名称 | 数据报警 | 代码 | ZMQAlar | 序号 | 299 |
|---|
图形

功能块描述
无
输入说明
| 序号 | 标记名 | 数据类型 | 缺省值 | 可视缺省值 | 描述 |
|---|---|---|---|---|---|
| 1 | EN | Bool | 0 | 1 | 使能 |
| 2 | Tri | INT | 0 | 1 | 触发条件 |
| 3 | Area | INT | 0 | 1 | 数据区域 |
| 4 | Index | INT | 0 | 1 | 数据下标 |
| 5 | Value | INT | 0 | 1 | 报警等级 |
输出说明
| 序号 | 标记名 | 数据类型 | 可视缺省值 | 描述 |
|---|---|---|---|---|
| 1 | CState | INT | 1 | 通讯状态 |
| 2 | TState | INT | 1 | 传输状态 |
工作区说明
无
质量及异常说明
无
算法说明
无
13 字符串函数
| 序号 | 代码 | 名称 |
|---|---|---|
| 320 | SADD | 字符串连接 |
| 321 | SCUT | 字符串截取 |
| 322 | SCMP | 字符串比较 |
| 323 | SLEN | 字符串长度 |
| 324 | SCLEAR | 字符串清空 |
| 325 | S2I | 字符串转整形 |
| 326 | I2S | 整形转字符串 |
字符串连接
| 名称 | 字符串连接/td> | 代码 | SADD | 序号 | 321 |
|---|
图形

功能块描述
(1)字符串相加
(2)SI1、SI2、SI3、SI4、SI5、SI6字符串输入地址
(3)SIO指定字符串输出地址
(4)SO字符串输出地址
输入说明
| 序号 | 标记名 | 数据类型 | 缺省值 | 可视缺省值 | 描述 |
|---|---|---|---|---|---|
| 1 | EN | BOOL | 0 | 1 | 执行条件 |
| 2 | SI1 | INT | 0 | 1 | 字符串地址1 |
| 3 | SI2 | INT | 0 | 1 | 字符串地址2 |
| 4 | SI3 | INT | 0 | 1 | 字符串地址3 |
| 5 | SI4 | INT | 0 | 1 | 字符串地址4 |
| 6 | SI5 | INT | 0 | 1 | 字符串地址5 |
| 7 | SI6 | INT | 0 | 1 | 字符串地址6 |
| 8 | SIO | INT | 0 | 1 | 结果指定输出地址 |
输出说明
| 序号 | 标记名 | 数据类型 | 缺省值 | 可视缺省值 | 描述 |
|---|---|---|---|---|---|
| 1 | SO | INT | 0 | 1 | 结果输出地址 |
工作区说明
无
质量及异常说明
无
算法说明
1、当SIO>=4097 且 SIO<=5120 时 SO=SIO
2、SIO<=4096 或者 SIO>=5121 时 SO由系统自动分配地址范围5121-7168
3、SO^、SI^表示指定地址字符串内容
4、SO^=SI1^+SI2^+SI3^+SI4^+SI5^+SI6^
字符串截取
| 名称 | 字符串截取 | 代码 | SCUT | 序号 | 322 |
|---|
图形

功能块描述
截取字符串内容
输入说明
| 序号 | 标记名 | 数据类型 | 缺省值 | 可视缺省值 | 描述 |
|---|---|---|---|---|---|
| 1 | EN | BOOL | 0 | 1 | 执行条件 |
| 2 | SI | INT | 0 | 1 | 字符串地址 |
| 3 | Index | INT | 0 | 1 | 截取起始位置 |
| 4 | Len | INT | 0 | 1 | 截取长度 |
| 4 | SIO | INT | 0 | 0 | 指定字符串输出地址 |
输出说明
| 序号 | 标记名 | 数据类型 | 缺省值 | 可视缺省值 | 描述 |
|---|---|---|---|---|---|
| 1 | SO | INT | 0 | 1 | 结果输出地址 |
工作区说明
无
质量及异常说明
无
算法说明
1、当SIO>=4097 且 SIO<=5120 时 SO=SIO 2、SIO<=4096 或者 SIO>=5121 时 SO由系统自动分配地址范围5121-7168 3、SO^、SI^表示指定地址字符串内容 4、当EN=1,SI^=“iOpenControl”,Index=2,Len=4时;SO^=“Open”
字符串比较
| 名称 | 字符串比较 | 代码 | SCMP | 序号 | 323 |
|---|
图形

功能块描述
比较字符串内容,内容一致返回 1,不一致返回 0。
输入说明
| 序号 | 标记名 | 数据类型 | 缺省值 | 可视缺省值 | 描述 |
|---|---|---|---|---|---|
| 1 | SI1 | INT | 0 | 1 | 字符串输入1地址 |
| 2 | SI2 | INT | 0 | 1 | 字符串输入2地址 |
| 3 | Index | INT | 0 | 1 | 比较起始位置 |
| 4 | Len | INT | 0 | 1 | 比较长度 |
输出说明
| 序号 | 标记名 | 数据类型 | 缺省值 | 可视缺省值 | 描述 |
|---|---|---|---|---|---|
| 1 | D | BOOL | 0 | 1 | 比较结果 |
工作区说明
无
质量及异常说明
无
算法说明
1、SI^表示指定地址字符串内容
2、如果SI1^=“iOpenControl”,SI2^=“iOpen_Control”,Index=1;
当Len=5时,D=1;
当Len=6时,D=0;
字符串长度
| 名称 | 字符串长度 | 代码 | SLEN | 序号 | 324 |
|---|
图形

功能块描述
(1)计算字符串长度
(2)SI字符串输入地址
(3)N字符串长度
返回 SI 地址内容字符串长度
输入说明
| 序号 | 标记名 | 数据类型 | 缺省值 | 可视缺省值 | 描述 |
|---|---|---|---|---|---|
| 1 | SI1 | INT | 0 | 1 | 字符串地址 |
输出说明
| 序号 | 标记名 | 数据类型 | 缺省值 | 可视缺省值 | 描述 |
|---|---|---|---|---|---|
| 1 | N | INT | 0 | 1 | 字符串长度 |
工作区说明
无
质量及异常说明
无
算法说明
返回SI地址内容字符串长度
如:字符串地址内容为:ABC123
执行后,N=6;
如:字符串地址内容为:芝麻智能
执行后,N=10;(1个汉字占2个字符)
字符串清空
| 名称 | 字符串清空 | 代码 | SCLEAR | 序号 | 325 |
|---|
图形

功能块描述
批量清空字符串内容
输入说明
| 序号 | 标记名 | 数据类型 | 缺省值 | 可视缺省值 | 描述 |
|---|---|---|---|---|---|
| 1 | EN | BOOL | 0 | 1 | 清空使能 |
| 2 | Index | INT | 0 | 1 | 字符串起始地址 |
| 3 | Len | INT | 0 | 1 | 长度 |
| 4 | Area | INT | 0 | 1 | 0:SI区;1:SO区;2:SM区 |
输出说明
| 序号 | 标记名 | 数据类型 | 缺省值 | 可视缺省值 | 描述 |
|---|---|---|---|---|---|
| 1 | N | INT | 0 | 1 | 计数 |
工作区说明
无
质量及异常说明
无
算法说明
批量清空字符串内容
如:EN=1;Index=5;Len=10;
执行后,字符串地址5-14内容被清空,N=Nn-1+1
如:EN=0;Index=5;Len=10;
执行后,停止清空,N= Nn-1
字符转整形
| 名称 | 字符转整形 | 代码 | S2I | 序号 | 326 |
|---|
图形

功能块描述
(1)字符串转换成整型数
(2)SI字符串输入地址
(3)N转换结果整型数值
输入说明
| 序号 | 标记名 | 数据类型 | 缺省值 | 可视缺省值 | 描述 |
|---|---|---|---|---|---|
| 1 | SI | INT | 0 | 1 | 字符串输入地址 |
输出说明
| 序号 | 标记名 | 数据类型 | 缺省值 | 可视缺省值 | 描述 |
|---|---|---|---|---|---|
| 1 | N | INT | 0 | 1 | 整形值 |
工作区说明
无
质量及异常说明
字符串输入地址内部包含有非数字字符,将不执行转换
算法说明
1、SI^表示指定地址字符串内容
2、当SI^=“123”时;N=123
整形转字符
| 名称 | 整形转字符 | 代码 | I2S | 序号 | 327 |
|---|

功能块描述
(1)整型数转换成字符串
(2)EN执行条件
(3)N要转换的整型数
(4)DI=1前补零;DI=0不补零
(5)LEN补零后的字符串长度
(6)SIO指定字符串输出地址
将整形值 N 转换成字符串存放再 SI 地址中
输入说明
| 序号 | 标记名 | 数据类型 | 缺省值 | 可视缺省值 | 描述 |
|---|---|---|---|---|---|
| 1 | EN | BOOL | 0 | 1 | 字符串地址 |
| 2 | N | INT | 0 | 1 | 要转换的整型数 |
| 3 | DI | BOOL | 0 | 1 | 是否前补零 |
| 4 | LEN | INT | 0 | 1 | 补零后的字符串长度 |
| 5 | SIO | INT | 0 | 1 | 指定字符串输出地址 |
输出说明
| 序号 | 标记名 | 数据类型 | 缺省值 | 可视缺省值 | 描述 |
|---|---|---|---|---|---|
| 1 | SO | INT | 0 | 1 | 字符串输出地址 |
工作区说明
无
质量及异常说明
无
算法说明
1、SO^、SIO^表示地址字符串内容 2、当EN=1,N=1234,DI=1,LEN=6时,SO^=“001234”
系统时间转字符串
| 名称 | 系统时间转字符串 | 代码 | S_TIME | 序号 | 328 |
|---|

功能块描述
(1)获取系统时间,输出指定时间格式的字符串
(2)EN执行条件
(3)AI输出时间格式
(4)AI=0时,“YYYY-MM-DD HH:MM:SS”
(5)AI=1时,“YYYY-MM-DD”
(6)AI=2时,“HH:MM:SS”
(7)AI=3时,“YY-M-D H:M:S”
(8)AI=4时,“YY-M-D”
(9)AI=5时,“H:M:S”
(10)SIO指定字符串输出地址
输入说明
| 序号 | 标记名 | 数据类型 | 缺省值 | 可视缺省值 | 描述 |
|---|---|---|---|---|---|
| 1 | EN | BOOL | 0 | 1 | 字符串地址 |
| 2 | AI | INT | 0 | 1 | 输出时间格式 |
| 3 | SIO | INT | 0 | 0 | 指定字符串输出地址 |
输出说明
| 序号 | 标记名 | 数据类型 | 缺省值 | 可视缺省值 | 描述 |
|---|---|---|---|---|---|
| 1 | SO | INT | 0 | 1 | 字符串输出地址 |
工作区说明
无
质量及异常说明
无
算法说明
1、SO^、SIO^表示地址字符串内容 2、当EN=1,AI=0时;SO^=“2016-11-11 12:30:30”
字符串中间标志区清零
| 名称 | 字符串中间标志区清零 | 代码 | SCLR | 序号 | 329 |
|---|

功能块描述
(1)字符串中间标志区清零;
(2)EN执行条件
(3)N计数值
输入说明
| 序号 | 标记名 | 数据类型 | 缺省值 | 可视缺省值 | 描述 |
|---|---|---|---|---|---|
| 1 | EN | BOOL | 0 | 1 | 执行条件 |
输出说明
| 序号 | 标记名 | 数据类型 | 缺省值 | 可视缺省值 | 描述 |
|---|---|---|---|---|---|
| 1 | N | INT | 0 | 1 | 计数 |
工作区说明
无
质量及异常说明
无
算法说明
1、当EN=1时;清空中间字符串SM区的使用标志区;N计数加1
字符串选择器
| 名称 | 字符串选择器 | 代码 | ST | 序号 | 330 |
|---|
图形

功能块描述
无
输入说明
| 序号 | 标记名 | 数据类型 | 缺省值 | 可视缺省值 | 描述 |
|---|---|---|---|---|---|
| 1 | N | INT | 0 | 1 | 整形值 |
| 2 | SI | INT | 0 | 1 | 字符串输入地址 |
输出说明
| 序号 | 标记名 | 数据类型 | 缺省值 | 可视缺省值 | 描述 |
|---|---|---|---|---|---|
| 1 | SO | INT | 0 | 1 | 转换后字符串存放地址 |
工作区说明
无
质量及异常说明
无
算法说明
无
从MES接收数据
| 名称 | 从MES接收数据 | 代码 | WebPos | 序号 | 341 |
|---|
图形

功能块描述
(1)向MES提交数据
(2)EN执行条件
(3)EID字符串输入地址(设备ID编号)
(4)UID字符串输入地址(用户ID编号)
(5)TYP字符串输入地址(数据类型)
(6)DAT字符串输入地址(需要提交的数据Joson格式)
(7)SW=0内网,SW=1外网
(8)Result 结果
(9)Code数据提交结果代码
(10)Time时间
输入说明
| 序号 | 标记名 | 数据类型 | 缺省值 | 可视缺省值 | 描述 |
|---|---|---|---|---|---|
| 1 | EN | BOOL | 0 | 1 | 执行条件 |
| 2 | EID | INT | 0 | 1 | 字符串输入地址(设备ID编号) |
| 3 | UID | INT | 0 | 1 | 字符串输入地址(用户ID编号) |
| 4 | TYP | INT | 0 | 1 | 字符串输入地址(数据类型) |
| 5 | DAT | INT | 0 | 1 | 字符串输入地址(要提交的数据) |
| 6 | SW | BOOL | 0 | 1 | SW=0内网,SW=1外网 |
输出说明
| 序号 | 标记名 | 数据类型 | 缺省值 | 可视缺省值 | 描述 |
|---|---|---|---|---|---|
| 1 | Result | INT | 0 | 1 | 结果 |
| 1 | Code | INT | 0 | 1 | 数据提交结果代码 |
| 1 | Time | INT | 0 | 1 | 时间(ms) |
工作区说明
无
质量及异常说明
无
算法说明
1、当EN=1时,执行向MES接收数据;
2、Code代码含义:
1001:md5摘要效验失败
1002:缺少部份参数信息
1003:业务数据解析失败
1004:无效的设备编号
5000:系统内部异常
5001:远程调用失败
65533:未注册的设备;即DicXWB软件中找不到设备对应的授权码
65534:WebService接口创建失败
65535: WebService接口没响应;
向MES提交数据
| 名称 | 字符串选择器 | 代码 | PosWeb | 序号 | 342 |
|---|
图形

功能块描述
(1)向MES提交数据
(2)EN执行条件
(3)EID字符串输入地址(设备ID编号)
(4)UID字符串输入地址(用户ID编号)
(5)TYP字符串输入地址(数据类型)
(6)DAT字符串输入地址(需要提交的数据Joson格式)
(7)IO=0内网,IO=1外网
(8)CID通信ID编号,每个指令CID号不能重复;取值范围1-50
(9)Done数据提交成功标志
(10)Busy数据提交执行中标志
(11)Code数据提交结果代码
(12)CNT提交次数计数,不管提交有没有成功,每提交一次自加1;
输入说明
| 序号 | 标记名 | 数据类型 | 缺省值 | 可视缺省值 | 描述 |
|---|---|---|---|---|---|
| 1 | EN | BOOL | 0 | 1 | 执行条件 |
| 2 | EID | INT | 0 | 1 | 字符串输入地址(设备ID编号) |
| 3 | UID | INT | 0 | 1 | 字符串输入地址(用户ID编号) |
| 4 | TYP | INT | 0 | 1 | 字符串输入地址(数据类型) |
| 5 | DAT | INT | 0 | 1 | 字符串输入地址(要提交的数据) |
| 6 | SW | BOOL | 0 | 1 | SW=0内网,SW=1外网 |
| 7 | CID | BOOL | 0 | 1 | SW=通信ID编号;取值范围1-500内网,SW=1外网 |
输出说明
| 序号 | 标记名 | 数据类型 | 缺省值 | 可视缺省值 | 描述 |
|---|---|---|---|---|---|
| 1 | Done | BOOL | 0 | 1 | 数据提交成功标志 |
| 2 | Busy | BOOL | 0 | 1 | 数据提交执行中标志 |
| 3 | Code | INT | 0 | 1 | 数据提交结果代码 |
| 4 | CNT | INT | 0 | 1 | 时间(ms) |
工作区说明
无
质量及异常说明
无
算法说明
1、当EN=1时,执行向MES接收数据;
2、Code代码含义:
1001:md5摘要效验失败
1002:缺少部份参数信息
1003:业务数据解析失败
1004:无效的设备编号
5000:系统内部异常
5001:远程调用失败
65533:未注册的设备;即DicXWB软件中找不到设备对应的授权码
65534:WebService接口创建失败
65535: WebService接口没响应;
14 数据类型转换
| 序号 | 代码 | 名称 |
|---|---|---|
| 351 | W2F | 字转化为浮点 |
| 352 | W2L | 字转化为长整型 |
| 353 | W2B | 字转化为字节 |
字转化为浮点
| 名称 | 字转化为浮点 | 代码 | W2F | 序号 | 351 |
|---|
图形

功能块描述
无
输入说明
| 序号 | 标记名 | 数据类型 | 缺省值 | 可视缺省值 | 描述 |
|---|---|---|---|---|---|
| 1 | WL | FLOAT | 0 | 1 | 低位字 |
| 2 | WH | FLOAT | 0 | 1 | 高位字 |
输出说明
| 序号 | 标记名 | 数据类型 | 缺省值 | 可视缺省值 | 描述 |
|---|---|---|---|---|---|
| 1 | F | FLOAT | 0 | 1 | 浮点数 |
工作区说明
无
质量及异常说明
无
算法说明
无
字转化为长整型
| 名称 | 字转化为长整型 | 代码 | W2L | 序号 | 352 |
|---|
图形

功能块描述
无
输入说明
| 序号 | 标记名 | 数据类型 | 缺省值 | 可视缺省值 | 描述 |
|---|---|---|---|---|---|
| 1 | WL | FLOAT | 0 | 1 | 低位字 |
| 2 | WH | FLOAT | 0 | 1 | 高位字 |
输出说明
| 序号 | 标记名 | 数据类型 | 缺省值 | 可视缺省值 | 描述 |
|---|---|---|---|---|---|
| 1 | L | INT | 0 | 1 | 长整型 |
工作区说明
无
质量及异常说明
无
算法说明
无
字转化为字符
| 名称 | 字转化为字符 | 代码 | W2B | 序号 | 353 |
|---|
图形

功能块描述
无
输入说明
| 序号 | 标记名 | 数据类型 | 缺省值 | 可视缺省值 | 描述 |
|---|---|---|---|---|---|
| 1 | W | FLOAT | 0 | 1 | 输入字 |
输出说明
| 序号 | 标记名 | 数据类型 | 缺省值 | 可视缺省值 | 描述 |
|---|---|---|---|---|---|
| 1 | BL | FLOAT | 0 | 1 | 低位字节 |
| 2 | BH | FLOAT | 0 | 1 | 高位字节 |
工作区说明
无
质量及异常说明
无
算法说明
无
15 运动控制
| 序号 | 代码 | 名称 |
|---|---|---|
| 371 | INI | 模式控制 |
| 372 | CTBL | 比较表载入 |
| 373 | PRV | 读高速计数器 PV 值 |
| 374 | PULS | 设置脉冲 |
| 375 | SPED | 速度输出 |
| 376 | PLS2 | 脉冲输出 |
| 377 | ACC | 加速度控制 |
| 378 | ORG | 原点搜索/返回 |
| 379 | PWM | 占空比可变脉冲 |
| 385 | FOC | FOC电机控制 |
模式控制
| 名称 | 模式控制 | 代码 | INI | 序号 | 371 |
|---|
图形

功能块描述
启动与高速计时器比较表比较
停止与高速计时器比较表比较
改变高速计数器的当前值(PV)
改变中断输入的 PV 值 ( 计数器模式)
改变脉冲输出的 PV 值
停止脉冲输出。
输入说明
| 序号 | 标记名 | 数据类型 | 缺省值 | 可视缺省值 | 描述 |
|---|---|---|---|---|---|
| 1 | EN | BOOL | 0 | 1 | 使能 |
| 2 | P | Hex | 0 | 1 | 端口号 |
| 3 | C | INT | 0 | 1 | 控制字 |
| 4 | PV | INT | 0 | 1 | PV值(C=0003起作用) |
输出说明
无
工作区说明
无
质量及异常说明
无
算法说明
端口定义P:0001Hex——>脉冲输出1
0002Hex——>脉冲输出2
0011Hex——>高速计数器1
0012Hex——>高速计数器2
0013Hex——>高速计数器3
0014Hex——>高速计数器4
0015Hex——>高速计数器5
0016Hex——>高速计数器6
控制字C:0001Hex——>启动比较(脉冲触发)
HISP_COUNT_COMPARE(比较设定值来自CTBL设置)
0002Hex——>停止比较(脉冲触发)
HISP_COUNT_COMPARE(目标值个数设置为0)
0003Hex——>改变PV值(脉冲触发)
HISP_PV_SET
0004Hex——>停止脉冲输出(脉冲触发)
HISP_PULSE_OUT(脉冲数量设置为0)
比较函数说明:
HISP_COUNT_COMPARE(计数号,目标值个数,目标值#1,比较方式#1,中断号#1
目标值#2,比较方式#2,中断号#1,
目标值#3,比较方式#3,中断号#2
目标值#4,比较方式#4,中断号#3
目标值#5,比较方式#5,中断号#4
目标值#6,比较方式#6,中断号#5) 注:范围比较可认为 2 个目标值的比较。
计数号==高数计数器
目标值个数:进行比较的目标值个数
比较方式:0、上升触发,1、下降触发
v中断号:跳转到中断程序可带入中断的数值,进行中断程序的判断执行
设定 PV 值:
HISP_PV_SET(计数号,预设值)
计数号:与端口号定义一致
对于高数计数器改变统计的 PV 值
对于高速脉冲改变输出的脉冲值
脉冲输出:
HISP_PULSE_OUT(脉冲号,脉冲频率(浮点型),脉冲数量,占空比(浮点型))——>返回当前输出脉冲数量
脉冲号:对应的端子位置
脉冲频率:1 个脉冲周期的倒数
脉冲数量:按照脉冲频率发出去脉冲个数(0 时不输出脉冲,1 时一直输出脉冲)
占空比:1 个周期内 on 与 off 的比例。
比较表载入
| 名称 | 比较表载入 | 代码 | CTBL | 序号 | 372 |
|---|
图形

功能块描述
对高速计数器的当前值(PV)执行目标值比较。
输入说明
| 序号 | 标记名 | 数据类型 | 缺省值 | 可视缺省值 | 描述 |
|---|---|---|---|---|---|
| 1 | P | Hex | 0 | 1 | 端口号 |
| 2 | C | INT | 0 | 1 | 控制字 |
| 3 | Target1 | INT | 0 | 1 | 目标值1 |
| 4 | Mode1 | BOOL | 0 | 1 | 目标值1触发方式 |
| 5 | Break1 | INT | 0 | 1 | 目标值1中断号 |
| 6 | Target2 | INT | 0 | 1 | 目标值2 |
| 7 | Mode2 | BOOL | 0 | 1 | 目标值2触发方式 |
| 8 | Break2 | INT | 0 | 1 | 目标值2中断号 |
| 9 | Target3 | INT | 0 | 0 | 目标值3 |
| 10 | Mode3 | BOOL | 0 | 0 | 目标值3触发方式 |
| 11 | Break3 | INT | 0 | 0 | 目标值3中断号 |
| 12 | Target4 | INT | 0 | 0 | 目标值4 |
| 13 | Mode4 | BOOL | 0 | 0 | 目标值4触发方式 |
| 14 | Break4 | INT | 0 | 0 | 目标值4中断号 |
| 15 | Target5 | INT | 0 | 0 | 目标值5 |
| 16 | Mode5 | BOOL | 0 | 0 | 目标值5触发方式 |
| 17 | Break5 | INT | 0 | 0 | 目标值5中断号 |
| 18 | Target6 | INT | 0 | 0 | 目标值6 |
| 19 | Mode6 | BOOL | 0 | 0 | 目标值6触发方式 |
| 20 | Break6 | INT | 0 | 0 | 目标值6中断号 |
输出说明
无
工作区说明
无
质量及异常说明
无
算法说明
端口定义P:0011Hex——>高速计数器1
0012Hex——>高速计数器2
0013Hex——>高速计数器3
0014Hex——>高速计数器4
0015Hex——>高速计数器5
0016Hex——>高速计数器6
控制字C:0001Hex——>注册一个目标值比较表并启动比较操作。
HISP_COUNT_COMPARE
0002Hex——>注册一个目标值比较表。(由INI启动比较)
0003Hex——>注册一个范围比较表并执行一个比较操作。
0004Hex——>注册一个范围比较表。(由INI启动比较)
Mode1~6:0——>递增触发
1——>递减触发
比较函数说明:
HISP_COUNT_COMPARE(计数号,目标值个数,目标值#1,比较方式#1,中断号#1
目标值#2,比较方式#2,中断号#1,
目标值#3,比较方式#3,中断号#2
目标值#4,比较方式#4,中断号#3
目标值#5,比较方式#5,中断号#4
目标值#6,比较方式#6,中断号#5) 注:范围比较可认为 2 个目标值的比较。
计数号==高数计数器
目标值个数:进行比较的目标值个数
比较方式:0、上升触发,1、下降触发
中断号:跳转到中断程序可带入中断的数值,进行 X#中断程序的判断执行
读高速计数器 PV 值
| 名称 | 读高速计数器 PV 值 | 代码 | PRV | 序号 | 373 |
|---|
图形

功能块描述
1、读取高速计数器的当前值
2、读取脉冲输出的当前值
3、读取中断输入 ( 计数器模式 ) 的当前值
输入说明
| 序号 | 标记名 | 数据类型 | 缺省值 | 可视缺省值 | 描述 |
|---|---|---|---|---|---|
| 1 | P | Hex | 0 | 1 | 端口号 |
| 2 | C | INT | 0 | 1 | 控制字 |
输出说明
| 序号 | 标记名 | 数据类型 | 缺省值 | 可视缺省值 | 描述 |
|---|---|---|---|---|---|
| 1 | D | INT | 0 | 0 | 输出 |
工作区说明
无
质量及异常说明
无
算法说明
端口定义P:0001Hex——>脉冲输出1
0002Hex——>脉冲输出2
0011Hex——>高速计数器1
0012Hex——>高速计数器2
0013Hex——>高速计数器3
0014Hex——>高速计数器4
0015Hex——>高速计数器5
0016Hex——>高速计数器6
1000 Hex——>Hex PWM(891) 输出 0
控制字C:0001Hex——>读入PV值
HISP_COUNT_READ
0002Hex——>读取状态
0003Hex——>读范围比较状态
0004Hex——>读脉冲输入频率(P=0001或0002)
(HISP_PULSE_OUT-上一时刻输出值)/扫描时间
0005Hex——>读高速计数器频率—10ms采样(P=0011~0016)
(HISP_COUNT_READ-上一时刻PV)/10ms
0006Hex——>读高速计数器频率—100ms采样(P=0011~0016)
(HISP_COUNT_READ-上一时刻PV)/100ms
0007Hex——>读高速计数器频率—1s采样(P=0011~0016)
(HISP_COUNT_READ-上一时刻PV)/1000ms
读高速计数器 PV 值:
HISP_COUNT_READ:(计数号,输入方式,触发方式(无意义),计数模式,循环值)——>返回计数值 PV
1)计数号==高数计数器
2)输入方式:1、增量输入(1 个输入信号)

2、差分相位输入(x4)(3 个输入信号)

3、加/减脉冲输入(3 个输入信号)

4、脉冲+方向(2 个输入信号)

输入信号与输入端子对应关系:

3)触发方式:0、上升沿触发,1、下降沿触发
4)计数模式:1、线型模式,2、循环模式
设置脉冲
| 名称 | 设置脉冲 | 代码 | PULS | 序号 | 374 |
|---|
图形

功能块描述
设置脉冲输出的脉冲数。
输入说明
| 序号 | 标记名 | 数据类型 | 缺省值 | 可视缺省值 | 描述 |
|---|---|---|---|---|---|
| 1 | P | INT | 0 | 1 | 端口定义 |
| 2 | C | INT | 0 | 1 | 控制字 |
| 3 | N | INT | 0 | 1 | 脉冲数 |
输出说明
无
工作区说明
无
质量及异常说明
无
算法说明
端口定义P:0001Hex——>脉冲输出1
0002Hex——>脉冲输出2
脉冲类型T:0001Hex——>相对
0002Hex——>绝对
相对:移动脉冲个数=脉冲的设定数量
绝对:移动脉冲数量=脉冲的设定数量-PV值
速度输出
| 名称 | 速度输出 | 代码 | SPED | 序号 | 375 |
|---|
图形

功能块描述
指定频率并执行无加速或减速的脉冲输出。
输入说明
| 序号 | 标记名 | 数据类型 | 缺省值 | 可视缺省值 | 描述 |
|---|---|---|---|---|---|
| 1 | EN | BOOL | 0 | 1 | 使能 |
| 2 | Mode | BOOL | 0 | 1 | 脉冲输出方式 |
| 3 | Dire | BOOL | 0 | 1 | 方向 |
| 4 | Pattern | BOOL | 0 | 1 | 连续/独立指定 |
| 5 | HZ | INT | 0 | 1 | 脉冲频率 |
输出说明
| 序号 | 标记名 | 数据类型 | 缺省值 | 可视缺省值 | 描述 |
|---|---|---|---|---|---|
| 1 | SPED | INT | 0 | 0 | 脉冲输出 |
工作区说明
无
质量及异常说明
无
算法说明
脉冲输出方式MODE:0001Hex——>脉冲+方向
方向Dire:0——>顺时针,1——>逆时针
顺时针时方向端子输出1, 逆时针时方向端子输出0,
运动模式Pattern:0——>连续,1——>独立
连续模式:当连续模式操作启动时,脉冲输出将一直持续到从程序使其停止为止。
独立模式:当独立模式操作启动时,脉冲输出将一直持续到已输出指定数量的脉冲为止。
连续:HISP_PULSE_OUT脉冲数量设置为1
独立:A=目标(设定)脉冲- HISP_PULSE_OUT(已经输出的脉冲数量)
当A>0时:方向不变,脉冲数量=| A |
当A<0时:方向变反,脉冲数量=| A |
脉冲输出:
HISP_PULSE_OUT(脉冲号,脉冲频率(浮点型),脉冲数量,占空比(浮点型))——>返回当前输出脉冲数量
脉冲号:对应的端子位置
脉冲频率:1 个脉冲周期的倒数
脉冲数量:按照脉冲频率发出去脉冲个数(0 时不输出脉冲,1 时一直输出脉冲)
占空比:1 个周期内 on 与 off 的比例。
脉冲输出
| 名称 | 脉冲输出 | 代码 | PLS2 | 序号 | 376 |
|---|
图形

功能块描述
1、设置脉冲频率
2、设置加速度/减速度,并执行脉冲输出(用不同的加速度/减速度 )
仅定位控制允许进行。
输入说明
| 序号 | 标记名 | 数据类型 | 缺省值 | 可视缺省值 | 描述 |
|---|---|---|---|---|---|
| 1 | EN | BOOL | 0 | 1 | 使能 |
| 2 | P | INT | 0 | 1 | 端口定义 |
| 3 | Mode | BOOL | 0 | 1 | 脉冲输出方式 |
| 4 | Dire | BOOL | 0 | 1 | 方向 |
| 5 | Pattern | BOOL | 0 | 1 | 脉冲数相对/绝对指定 |
| 6 | HZ | INT | 0 | 1 | 启动频率 |
| 7 | RR | INT | 0 | 1 | 加速率 |
| 8 | RD | INT | 0 | 1 | 减速率 |
| 9 | TV | INT | 0 | 1 | 目标频率 |
| 10 | PM | INT | 0 | 1 | 脉冲数量 |
输出说明
| 序号 | 标记名 | 数据类型 | 缺省值 | 可视缺省值 | 描述 |
|---|---|---|---|---|---|
| 1 | PLU2 | INT | 0 | 0 | 脉冲输出 |
工作区说明
无
质量及异常说明
无
算法说明
端口定义P:0001Hex——>脉冲输出1
0002Hex——>脉冲输出2
脉冲输出方式MODE:0001Hex——>脉冲+方向
方向Dire:0——>顺时针,1——>逆时针
顺时针时方向端子输出1, 逆时针时方向端子输出0,
脉冲数量模式Pattern:0——>相对,1——>绝对
相对脉冲:移动脉冲数量=脉冲设定数量
方向:不变
绝对脉冲:移动脉冲数量=|脉冲设定数量-PV值(已经输出的脉冲数量)|
方向:不变(目标脉冲>PV)
变反(目标脉冲<PV)

RRT=(TV-HZ)/(RR/4);加速时间ms
RDT=(TV-HZ)/(RR/4);减速时间ms
RR_NUM=HZ*(RRT+RDT)+ (TV-HZ)* RRT/2;加速到目标频率所需脉冲数
RD_NUM=HZ*(RRT+RDT)+ (TV-HZ)* RDT/2;减速到目标频率所需脉冲数
If(RR_NUM + RD_NUM <TV)梯形模式
{
RRHZ=HZ+ RR*(CT/4);
RDHZ=TV- RD*(CT/4);
IF(PULS_OUT< RR_NUM)
{
PULS_OUT = PULS_OUT + HISP_PULSE_OUT(1,RRHZ,1,50)加速
}
Else if (PULS_OUT<PM- RD_NUM)
{
PULS_OUT = PULS_OUT + HISP_PULSE_OUT(1,TV,1,50)恒速
}
ELSE IF (PULS_OUT < PM )
{
PULS_OUT = PULS_OUT + HISP_PULSE_OUT(1,RDHZ,1,50)减速
}
ELSE IF(PULS_OUT >= PM)
{
PULS_OUT = PULS_OUT + HISP_PULSE_OUT(1,0,0,50)停止
}
Else三角形模式
{
IF(PULS_OUT< RR_NUM)
{
PULS_OUT = PULS_OUT + HISP_PULSE_OUT(1,RRHZ,1,50)加速
}
IF(PULS_OUT>PM- RR_NUM)
{
PULS_OUT = PULS_OUT + HISP_PULSE_OUT(1,RDHZ,1,50)减速
}
IF(PULS_OUT>=PM)
{
PULS_OUT = PULS_OUT + HISP_PULSE_OUT(1,0,0,50)停止
}
}
脉冲输出:
HISP_PULSE_OUT(脉冲号,脉冲频率(浮点型),脉冲数量,占空比(浮点型))——>返回当前输出脉冲数量
脉冲号:对应的端子位置
脉冲频率:1 个脉冲周期的倒数
脉冲数量(移动脉冲数量):按照脉冲频率发出去脉冲个数(0 时不输出脉冲,1 时一直输出脉冲)
占空比:1 个周期内 on 与 off 的比例。
加速度控制
| 名称 | 加速度控制 | 代码 | ACC | 序号 | 377 |
|---|
图形

功能块描述
1、设置脉冲频率
2、设置加速度/减速度,并执行脉冲输出(用相同的加速度/减速度 ) 定位和速度控
制均允许进行。
输入说明
| 序号 | 标记名 | 数据类型 | 缺省值 | 可视缺省值 | 描述 |
|---|---|---|---|---|---|
| 1 | EN | Bool | 0 | 1 | 使能 |
| 2 | P | INT | 0 | 1 | 端口定义 |
| 3 | Mode | Bool | 0 | 1 | 脉冲输出方式 |
| 4 | Dire | Bool | 0 | 1 | 方向 |
| 5 | Pattern | Bool | 0 | 1 | 速度模式连续/独立 |
| 6 | R | INT | 0 | 1 | 加减速率 |
| 7 | TV | INT | 0 | 1 | 目标频率 |
输出说明
| 序号 | 标记名 | 数据类型 | 缺省值 | 可视缺省值 | 描述 |
|---|---|---|---|---|---|
| 1 | ACC | INT | 0 | 0 | 脉冲输出 |
工作区说明
无
质量及异常说明
无
算法说明
端口定义P:0001Hex——>脉冲输出1
0002Hex——>脉冲输出2
脉冲输出方式MODE:0001Hex——>脉冲+方向
方向Dire:0——>顺时针,1——>逆时针
顺时针时方向端子输出1, 逆时针时方向端子输出0,
速度模式Pattern:0——>连续,1——>独立
连续模式速度控制:当连续模式操作启动时,脉冲输出将一直持续到从程序使其停止为止。
独立模式位置控制:当独立模式操作启动时,脉冲输出将一直持续到已输出指定数量的脉冲为止。
HZ=(HISP_PULSE_OUT-上一时刻输出值)/扫描时间//当前脉冲输出频率
IF(Pattern==0)//连续模式
{
IF(HZ<TV)
{
RHZ=HZ+ R*(CT/4);
}
Else if(HZ>TV)
{
RHZ=HZ- R*(CT/4);
}
Else if(HZ=TV)
{
RHZ=TV;
}
HISP_PULSE_OUT(1,RHZ,1,50)变化速率
}
IF(Pattern==1)//独立模式
{
RT=| TV-HZ |/(R/4)
R_NUM= |TV-HZ|* RT/2;加速或减速到目标频率所需脉冲数
IF(PULS_OUT<设定脉冲数量- R_NUM)
{
RHZ= HZ+R
}
ELSE IF(PULS_OUT> R_NUM)
{
RHZ= HZ-R
}
PULS_OUT = PULS_OUT + HISP_PULSE_OUT(1,RHZ,1,50)变化速率
}
脉冲输出:
HISP_PULSE_OUT(脉冲号,脉冲频率(浮点型),脉冲数量,占空比(浮点型))——>返回当前输出脉冲数量
v
脉冲号:对应的端子位置
脉冲频率:1 个脉冲周期的倒数
脉冲数量(移动脉冲数量):按照脉冲频率发出去脉冲个数(0 时不输出脉冲,1 时一直输出脉冲)
占空比:1 个周期内 on 与 off 的比例。
原点搜索
| 名称 | 原点搜索 | 代码 | ORG | 序号 | 378 |
|---|
图形

功能块描述
用于执行原点搜索和返回。
输入说明
| 序号 | 标记名 | 数据类型 | 缺省值 | 可视缺省值 | 描述 |
|---|---|---|---|---|---|
| 1 | EN | Bool | 0 | 1 | 使能 |
| 2 | P | INT | 0 | 1 | 端口定义 |
| 3 | FUN | INT | 0 | 1 | 功能选择 |
| 4 | Mode | Bool | 0 | 1 | 脉冲输出方式 |
输出说明
| 序号 | 标记名 | 数据类型 | 缺省值 | 可视缺省值 | 描述 |
|---|---|---|---|---|---|
| 1 | ORG | INT | 0 | 0 | 脉冲输出 |
工作区说明
无
质量及异常说明
无
算法说明
端口定义P:0001Hex——>脉冲输出1
0002Hex——>脉冲输出2
功能选择FUN: 0001Hex——>原点搜索
0002Hex——>原点返回
脉冲输出方式MODE:0001Hex——>脉冲+方向



占空比可变脉冲
| 名称 | 占空比可变脉冲 | 代码 | PWM | 序号 | 379 |
|---|
图形

功能块描述
用于输出占空比可变的脉冲。
输入说明
| 序号 | 标记名 | 数据类型 | 缺省值 | 可视缺省值 | 描述 |
|---|---|---|---|---|---|
| 1 | EN | Bool | 0 | 1 | 使能 |
| 2 | P | INT | 0 | 1 | 端口定义 |
| 3 | F | INT | 0 | 1 | 频率 |
| 4 | D | Bool | 0 | 1 | 占空比 |
输出说明
| 序号 | 标记名 | 数据类型 | 缺省值 | 可视缺省值 | 描述 |
|---|---|---|---|---|---|
| 1 | PWM | INT | 0 | 0 | 脉冲输出 |
工作区说明
无
质量及异常说明
无
算法说明
端口定义P:1000Hex——>脉冲输出0(占空比以1%为增量;频率:以0.1HZ为增量)
1100Hex——>脉冲输出0(占空比以1%为增量;频率:以1HZ为增量)
频率F: 2.0~6553.5HZ之间(0014~FFFF Hex,以0.1HZ为增量单位)还是2~32000HZ之间(0002~7D00 Hex,已2HZ为增量单位)
占空比D:0%~100.0%(以0.1%为增量单位,0~03E8 Hex)
D指定PWM输出的占空比,即输出为ON的时间所占的百分比
脉冲输出:
HISP_PULSE_OUT(脉冲号,脉冲频率(浮点型),脉冲数量,占空比(浮点型))——>返回当前输出脉冲数量
脉冲号:对应的端子位置
脉冲频率:1 个脉冲周期的倒数
脉冲数量(移动脉冲数量):按照脉冲频率发出去脉冲个数(0 时不输出脉冲,1 时一直输出脉冲)
占空比:1 个周期内 on 与 off 的比例。
脉冲转速
| 名称 | 脉冲转速 | 代码 | RPM | 序号 | 380 |
|---|
图形

功能块描述
无
输入说明
| 序号 | 标记名 | 数据类型 | 缺省值 | 可视缺省值 | 描述 |
|---|---|---|---|---|---|
| 1 | PN | FLOAT | 0 | 1 | 脉冲数 |
| 2 | T | FLOAT | 0 | 1 | 间隔时间 |
| 3 | K | FLOAT | 1 | 1 | 系数 |
输出说明
| 序号 | 标记名 | 数据类型 | 缺省值 | 可视缺省值 | 描述 |
|---|---|---|---|---|---|
| 1 | RPM | FLOAT | 0 | 1 | 转速 |
工作区说明
无
质量及异常说明
无
算法说明
无
脉冲间隔时间
| 名称 | 脉冲间隔时间 | 代码 | PNT | 序号 | 381 |
|---|
图形

功能块描述
用于输出占空比可变的脉冲。
输入说明
| 序号 | 标记名 | 数据类型 | 缺省值 | 可视缺省值 | 描述 |
|---|---|---|---|---|---|
| 1 | PN | INT | 0 | 1 | 脉冲数 |
| 2 | MAXT | FLOAT | 0 | 1 | 最大时间 |
| 3 | K | FLOAT | 1 | 1 | 系数 |
| 4 | Port | INT | 0 | 1 | 引脚 |
输出说明
| 序号 | 标记名 | 数据类型 | 缺省值 | 可视缺省值 | 描述 |
|---|---|---|---|---|---|
| 1 | HZ | FLOAT | 0 | 0 | 频率 |
工作区说明
无
质量及异常说明
无
算法说明
无
储存量偏差
| 名称 | 储存量偏差 | 代码 | NDP | 序号 | 382 |
|---|
图形

功能块描述
输入说明
| 序号 | 标记名 | 数据类型 | 缺省值 | 可视缺省值 | 描述 |
|---|---|---|---|---|---|
| 1 | N1 | INT | 0 | 1 | 电机脉冲数 |
| 2 | N2 | INT | 0 | 1 | 光电脉冲数 |
| 3 | TS | FLOAT | 0 | 1 | 偏差切换 |
输出说明
| 序号 | 标记名 | 数据类型 | 缺省值 | 可视缺省值 | 描述 |
|---|---|---|---|---|---|
| 1 | rpm | INT | 0 | 1 | 储量 |
| 2 | rpm | INT | 0 | 1 | 偏差增量 |
工作区说明
无
质量及异常说明
无
算法说明
无
累计储量
| 名称 | 累计储量 | 代码 | ACCL | 序号 | 383 |
|---|
图形

功能块描述
输入说明
| 序号 | 标记名 | 数据类型 | 缺省值 | 可视缺省值 | 描述 |
|---|---|---|---|---|---|
| 1 | EN | BOOL | 0 | 1 | 使能 |
| 2 | PN | FLOAT | 0 | 1 | 脉冲数 |
| 3 | C | FLOAT | 0 | 1 | 周长 |
| 4 | Rst | BOOL | 0 | 1 | 复位 |
| 5 | L0 | FLOAT | 0 | 1 | 初始值 |
| 6 | SW | BOOL | 0 | 1 | 开关 |
输出说明
| 序号 | 标记名 | 数据类型 | 缺省值 | 可视缺省值 | 描述 |
|---|---|---|---|---|---|
| 1 | ACCL | FLOAT | 0 | 0 | 累计长度 |
| 1 | State | FLOAT | 0 | 1 | 累计/停止 |
工作区说明
无
质量及异常说明
无
算法说明
无
G2 极值
| 名称 | G2 极值 | 代码 | EXT | 序号 | 384 |
|---|
图形

功能块描述
用于输出占空比可变的脉冲。
输入说明
| 序号 | 标记名 | 数据类型 | 缺省值 | 可视缺省值 | 描述 |
|---|---|---|---|---|---|
| 1 | SN | BOOL | 0 | 1 | 使能 |
| 2 | G2 | FLOAT | 0 | 1 | G2输入 |
| 3 | Tim | FLOAT | 0 | 1 | 时间 |
输出说明
| 序号 | 标记名 | 数据类型 | 缺省值 | 可视缺省值 | 描述 |
|---|---|---|---|---|---|
| 1 | Do | BOOL | 0 | 1 | 完成标志 |
| 2 | Max | FLOAT | 0 | 1 | 最大值 |
| 3 | Min | FLOAT | 0 | 1 | 最小值 |
工作区说明
无
质量及异常说明
无
算法说明
无
FOC 电机控制
| 名称 | FOC 电机控制 | 代码 | FOC | 序号 | 385 |
|---|
图形

功能块描述
用于输出占空比可变的脉冲。
输入说明
| 序号 | 标记名 | 数据类型 | 缺省值 | 可视缺省值 | 描述 |
|---|---|---|---|---|---|
| 1 | Start/Stop | BOOL | 0 | 1 | 启停开关 |
| 2 | Tref | FLOAT | 0 | 1 | 扭矩设定 |
| 3 | Sref | INT | 0 | 1 | 速度设定 |
| 4 | Mode | BOOL | 0 | 1 | 模式切换 |
| 5 | TH | FLOAT | 0 | 1 | 最高扭矩 |
| 6 | TL | FLOAT | 0 | 1 | 最低扭矩 |
| 7 | SH | FLOAT | 0 | 1 | 最高速度 |
| 8 | SL | FLOAT | 0 | 1 | 端口定义 |
输出说明
| 序号 | 标记名 | 数据类型 | 缺省值 | 可视缺省值 | 描述 |
|---|---|---|---|---|---|
| 1 | Iqd.q | FLOAT | 0 | 1 | 扭矩输出 |
| 2 | Speed | FLOAT | 0 | 1 | 速度输出 |
| 3 | State | FLOAT | 0 | 1 | 电机状态 |
| 4 | Code | INT | 0 | 1 | 错误代码 |
工作区说明
无
质量及异常说明
无
算法说明
无
15 变量区指令
| 序号 | 代码 | 名称 |
|---|---|---|
| 701 | T+T | 标签变量相加 |
| 702 | T-T | 标签变量相减 |
| 703 | T×T | 标签变量相乘 |
| 704 | T÷T | 标签变量相除 |
| 705 | T=T | 标签变量比较 |
| 706 | TRM | 字符串修剪 |
| 707 | VSP | 堆叠进站 |
| 708 | VSF | 先进先出 |
| 710 | LEN | 字符串长度 |
| 712 | CUT | 字符串裁剪 |
| 720 | TSV | 变量赋值 |
| 721 | TOB | 输出布尔值 |
| 722 | TOI | 输出整形数 |
| 723 | TOR | 输出浮点数 |
| 725 | TSB | 赋值布尔值 |
| 726 | TSI | 赋值整型值 |
| 727 | TSR | 赋值浮点值 |
| 728 | TSA | 赋值ASCII字符 |
| 730 | MOV | 变量传送 |
| 751 | OFV | 批量对象组包 |
| 752 | AFV | 批量数组组包 |
| 753 | OSV | 单个对象组包 |
| 754 | ASV | 单个数组组包 |
| 760 | OGV | 输出对象值 |
| 761 | AGV | 输出数组值 |
| 762 | FOV | 批量输出对象值 |
| 765 | OCP | 对象值比较 |
| 777 | TOD | 变量通信输出 |
标签变量相加
| 名称 | 标签变量相加 | 代码 | T+T | 序号 | 701 |
|---|
图形

功能块描述
(1)T1——被加数的变量
(2)T2——加数的变量
(3)X——结果变量
输入说明
| 序号 | 标记名 | 数据类型 | 缺省值 | 可视缺省值 | 描述 |
|---|---|---|---|---|---|
| 1 | T1 | INT | 0 | 1 | 被加数变量 |
| 2 | T2 | INT | 0 | 1 | 加数变量 |
| 3 | X | INT | 0 | 1 | 结果变量 |
输出说明
| 序号 | 标记名 | 数据类型 | 缺省值 | 可视缺省值 | 描述 |
|---|---|---|---|---|---|
| 1 | Y | INT | 0 | 1 | 输出 |
正确输出变量号X,错误输出0
工作区说明
无
质量及异常说明
无
算法说明
T1= 4,T2=5,X=6,Y=6
标签变量相减
| 名称 | 标签变量相减 | 代码 | T-T | 序号 | 702 |
|---|
图形

功能块描述
(1)T1——被减数变量
(2)T2——减数变量
(3)X——结果变量
输入说明
| 序号 | 标记名 | 数据类型 | 缺省值 | 可视缺省值 | 描述 |
|---|---|---|---|---|---|
| 1 | T1 | INT | 0 | 1 | 被减数变量 |
| 2 | T2 | INT | 0 | 1 | 减数变量 |
| 3 | X | INT | 0 | 1 | 结果变量 |
输出说明
| 序号 | 标记名 | 数据类型 | 缺省值 | 可视缺省值 | 描述 |
|---|---|---|---|---|---|
| 1 | Y | INT | 0 | 1 | 输出 |
正确输出变量号X,错误输出0
工作区说明
无
质量及异常说明
无
算法说明
T1= 4,T2=5,X=6,Y=6
标签变量相乘
| 名称 | 标签变量相乘 | 代码 | T×T | 序号 | 703 |
|---|
图形

功能块描述
(1)T1——被乘数变量
(2)T2——乘数变量
(3)X——结果变量
输入说明
| 序号 | 标记名 | 数据类型 | 缺省值 | 可视缺省值 | 描述 |
|---|---|---|---|---|---|
| 1 | T1 | INT | 0 | 1 | 被乘数变量 |
| 2 | T2 | INT | 0 | 1 | 乘数变量 |
| 3 | X | INT | 0 | 1 | 结果变量 |
输出说明
| 序号 | 标记名 | 数据类型 | 缺省值 | 可视缺省值 | 描述 |
|---|---|---|---|---|---|
| 1 | Y | INT | 0 | 1 | 输出 |
正确输出变量号X,错误输出0
工作区说明
无
质量及异常说明
无
算法说明
T1= 4,T2=5,X=6,Y=6
标签变量相除
| 名称 | 标签变量相除 | 代码 | T÷T | 序号 | 704 |
|---|
图形

功能块描述
(1)T1——被除数变量
(2)T2——除数变量
(3)X——结果变量
输入说明
| 序号 | 标记名 | 数据类型 | 缺省值 | 可视缺省值 | 描述 |
|---|---|---|---|---|---|
| 1 | T1 | INT | 0 | 1 | 被除数变量 |
| 2 | T2 | INT | 0 | 1 | 除数变量 |
| 3 | X | INT | 0 | 1 | 结果变量 |
输出说明
| 序号 | 标记名 | 数据类型 | 缺省值 | 可视缺省值 | 描述 |
|---|---|---|---|---|---|
| 1 | Y | INT | 0 | 1 | 输出 |
正确输出变量号X,错误输出0
工作区说明
无
质量及异常说明
无
算法说明
T1= 4,T2=5,X=6,Y=6
标签变量比较
| 名称 | 标签变量比较 | 代码 | T÷T | 序号 | 705 |
|---|
图形

功能块描述
可用于比较两个变量间的数据(整型、字符串、数组等)是否一致。
(1)EN——使能
(2)T1——变量1
(3)T2——变量2
输入说明
| 序号 | 标记名 | 数据类型 | 缺省值 | 可视缺省值 | 描述 |
|---|---|---|---|---|---|
| 1 | EN | BOOL | 0 | 1 | 使能 |
| 2 | X1 | INT | 0 | 1 | 变量1 |
| 3 | X2 | INT | 0 | 1 | 变量2 |
输出说明
正确输出临时地址,错误输出0
输出结果可通过LT功能块显示于变量表。(注:若是数组比较,变量行的类型也需要为数组,且大小与比较数组相同)
工作区说明
无
质量及异常说明
无
算法说明
无
字符串修剪
| 名称 | 字符串修剪 | 代码 | TRM | 序号 | 706 |
|---|
图形

功能块描述
用于指定模拟量信号的输出参数。
输入说明
| 序号 | 标记名 | 数据类型 | 缺省值 | 可视缺省值 | 描述 |
|---|---|---|---|---|---|
| 1 | T | INT | 0 | 0 | 被修剪变量 |
| 2 | X | INT | 0 | 1 | 结果变量 |
输出说明
| 序号 | 标记名 | 数据类型 | 可视缺省值 | 描述 |
|---|---|---|---|---|
| 1 | Y | INT | 1 | 输出 |
正确输出X,错误输出0。
工作区说明
无
质量及异常说明
无
算法说明
无
堆叠进站
| 名称 | 堆叠进站 | 代码 | VSP | 序号 | 707 |
|---|
图形

功能块描述
(1)执行EN从0变为1时,功能块才能正常运作。
(2)变量号 T需要大于0且需要是整型数组。
(3)可以多个功能块使用同一个队列变量。
(4)堆叠容量等于变量号T的数组大小-2。
(5)进站编号自定义,不能为0。
输入说明
| 序号 | 标记名 | 数据类型 | 缺省值 | 可视缺省值 | 描述 |
|---|---|---|---|---|---|
| 1 | EN | Bool | 0 | 1 | 执行 |
| 2 | T | INT | 0 | 1 | 队列变量号 |
| 3 | V | INT | 0 | 1 | 进站编号 |
输出说明
| 序号 | 标记名 | 数据类型 | 可视缺省值 | 描述 |
|---|---|---|---|---|
| 1 | Y | BOOL | 1 | 输出是否正确 |
| 2 | N | INT | 1 | 输出数量 |
工作区说明
无
质量及异常说明
无
算法说明
无
先进先出
| 名称 | 先进先出 | 代码 | VSF | 序号 | 708 |
|---|
图形

功能块描述
执行EN从0变为1时,功能块才能正常运作。
与707配合使用。
输入说明
| 序号 | 标记名 | 数据类型 | 缺省值 | 可视缺省值 | 描述 |
|---|---|---|---|---|---|
| 1 | EN | Bool | 0 | 1 | 执行 |
| 2 | T | INT | 0 | 1 | 队列变量 |
输出说明
| 序号 | 标记名 | 数据类型 | 可视缺省值 | 描述 |
|---|---|---|---|---|
| 1 | Y | INT | 1 | 输出最早进入的编号 |
工作区说明
无
质量及异常说明
无
算法说明
无
字符串长度
| 名称 | 字符串长度 | 代码 | LEN | 序号 | 710 |
|---|
图形

功能块描述
字符串变量T有输入时,功能块才能正常运作。
输入说明
| 序号 | 标记名 | 数据类型 | 缺省值 | 可视缺省值 | 描述 |
|---|---|---|---|---|---|
| 1 | T | INT | 0 | 1 | 字符串变量 |
输出说明
| 序号 | 标记名 | 数据类型 | 可视缺省值 | 描述 |
|---|---|---|---|---|
| 1 | T | INT | 1 | 输出长度 |
工作区说明
无
质量及异常说明
无
算法说明
无
字符串裁剪
| 名称 | 字符串裁剪 | 代码 | CUT | 序号 | 712 |
|---|
图形

功能块描述
(1)执行EN为1时,功能块才能正常运作。
(2)开始位数S从1开始。
(3)放置变量、数组下标默认为0。
(4)放置变量为0则输出到临时变量区。
输入说明
| 序号 | 标记名 | 数据类型 | 缺省值 | 可视缺省值 | 描述 |
|---|---|---|---|---|---|
| 1 | EN | Bool | 1 | 0 | 执行 |
| 2 | T | INT | 0 | 1 | 字符串变量 |
| 3 | S | INT | 0 | 1 | 开始位数 |
| 3 | S | INT | 0 | 1 | 截取长度 |
| 3 | S | INT | 0 | 0 | 放置变量 |
| 3 | S | INT | 0 | 0 | 数组下标 |
输出说明
| 序号 | 标记名 | 数据类型 | 可视缺省值 | 描述 |
|---|---|---|---|---|
| 1 | Y | INT | 1 | 输出参数 |
工作区说明
无
质量及异常说明
无
算法说明
无
原点搜索
| 名称 | 变量赋值 | 代码 | TSV | 序号 | 720 |
|---|
图形

功能块描述
注:变量不为数组时I(数组下标)为0
(1)使能EN为1时,功能块才执行。
(2)X——目标变量
(3)V——设置值
(4)I——数组下标
输入说明
| 序号 | 标记名 | 数据类型 | 缺省值 | 可视缺省值 | 描述 |
|---|---|---|---|---|---|
| 1 | EN | BOOL | 0 | 1 | 使能 |
| 2 | X | INT | 0 | 1 | 目标变量 |
| 3 | V | FLOAT | 0 | 1 | 设置值 |
| 4 | I | INT | 0 | 1 | 数组下标 |
输出说明
| 序号 | 标记名 | 数据类型 | 缺省值 | 可视缺省值 | 描述 |
|---|---|---|---|---|---|
| 1 | Y | INT | 0 | 0 | 输出变量 |
正确输出变量X,错误输出0
工作区说明
无
质量及异常说明
无
算法说明
无
输出布尔值
| 名称 | 输出布尔值 | 代码 | TOB | 序号 | 721 |
|---|
图形

功能块描述
(1)使能EN为1,且变量输入大于0,功能块才执行。
(2)数组下标I默认为0,从0开始。
(3)变量为数组时数组下标输入需要的值。
输入说明
| 序号 | 标记名 | 数据类型 | 缺省值 | 可视缺省值 | 描述 |
|---|---|---|---|---|---|
| 1 | EN | Bool | 0 | 1 | 使能 |
| 2 | T | INT | 0 | 1 | 变量输入 |
| 3 | I | INT | 0 | 1 | 数组下标 |
输出说明
| 序号 | 标记名 | 数据类型 | 缺省值 | 可视缺省值 | 描述 |
|---|---|---|---|---|---|
| 1 | Y | BOOL | 0 | 1 | 输出模拟量参数 |
正确输出变量数据的1/0的布尔值,错误输出0。
工作区说明
无
质量及异常说明
无
算法说明
无
输出整形数
| 名称 | 输出整形数 | 代码 | TOI | 序号 | 722 |
|---|
图形

功能块描述
(1)使能EN为1,且变量输入大于0,功能块才执行。
(2)数组下标I默认为0,从0开始。
(3)变量为数组时数组下标输入需要的值。
输入说明
| 序号 | 标记名 | 数据类型 | 缺省值 | 可视缺省值 | 描述 |
|---|---|---|---|---|---|
| 1 | EN | Bool | 0 | 1 | 使能 |
| 2 | T | INT | 0 | 1 | 变量输入 |
| 3 | I | INT | 0 | 1 | 数组下标 |
输出说明
| 序号 | 标记名 | 数据类型 | 缺省值 | 可视缺省值 | 描述 |
|---|---|---|---|---|---|
| 1 | Y | INT | 0 | 1 | 输出模拟量参数 |
正确输出变量数据的整型值,错误输出0。
工作区说明
无
质量及异常说明
无
算法说明
无
输出浮点数
| 名称 | 输出浮点数 | 代码 | TOR | 序号 | 723 |
|---|
图形

功能块描述
(1)使能EN为1,且变量输入大于0,功能块才执行。
(2)数组下标I默认为0,从0开始。
(3)变量为数组时数组下标输入需要的值。
输入说明
| 序号 | 标记名 | 数据类型 | 缺省值 | 可视缺省值 | 描述 |
|---|---|---|---|---|---|
| 1 | EN | Bool | 0 | 1 | 使能 |
| 2 | T | INT | 0 | 1 | 变量输入 |
| 3 | I | INT | 0 | 1 | 数组下标 |
正确输出变量数据的浮点型值,错误输出0。
输出说明
| 序号 | 标记名 | 数据类型 | 缺省值 | 可视缺省值 | 描述 |
|---|---|---|---|---|---|
| 1 | Y | FLOAT | 0 | 1 | 输出模拟量参数 |
工作区说明
无
质量及异常说明
无
算法说明
无
赋值布尔值
| 名称 | 赋值布尔值 | 代码 | TSB | 序号 | 725 |
|---|
图形

功能块描述
可以写入布尔类型的数据值。
使能为1,功能块才执行。
输入说明
| 序号 | 标记名 | 数据类型 | 缺省值 | 可视缺省值 | 描述 |
|---|---|---|---|---|---|
| 1 | EN | BOOL | 0 | 1 | 使能 |
| 2 | X | BOOL | 0 | 1 | 布尔值 |
输出说明
正确输出临时地址,错误输出0。
工作区说明
无
质量及异常说明
无
算法说明
无
赋值整型值
| 名称 | 赋值整型值 | 代码 | TSI | 序号 | 726 |
|---|
图形

功能块描述
可以写入整数型的数据值。
使能为1,功能块才执行。
输入说明
| 序号 | 标记名 | 数据类型 | 缺省值 | 可视缺省值 | 描述 |
|---|---|---|---|---|---|
| 1 | EN | BOOL | 0 | 1 | 使能 |
| 2 | X | INT | 0 | 1 | 整数值 |
输出说明
正确输出临时地址,错误输出0。
工作区说明
无
质量及异常说明
无
算法说明
无
赋值浮点值
| 名称 | 赋值浮点值 | 代码 | TSR | 序号 | 727 |
|---|
图形

功能块描述
可以写入浮点型的数据值。
使能为1,功能块才执行。
输入说明
| 序号 | 标记名 | 数据类型 | 缺省值 | 可视缺省值 | 描述 |
|---|---|---|---|---|---|
| 1 | EN | Bool | 0 | 0 | 使能 |
| 2 | X | FLOAT | 0 | 1 | 浮点数值 |
输出说明
正确输出临时地址,错误输出0。
工作区说明
无
质量及异常说明
无
算法说明
无
赋值ASCII字符
| 名称 | 赋值ASCII字符 | 代码 | TSA | 序号 | 728 |
|---|
图形

功能块描述
使能为1,功能块才执行。
可以对照ASCLL码对照表写入ASCLL字符的数据值。
输入说明
| 序号 | 标记名 | 数据类型 | 缺省值 | 可视缺省值 | 描述 |
|---|---|---|---|---|---|
| 1 | EN | BOOL | 0 | 1 | 使能 |
| 2 | X | INT | 0 | 1 | ASCLL值 |
输出说明
正确输出临时地址,错误输出0。
工作区说明
无
质量及异常说明
无
算法说明
无
变量传送
| 名称 | 变量传送 | 代码 | MOV | 序号 | 730 |
|---|
图形

功能块描述
用于执行原点搜索和返回。
输入说明
| 序号 | 标记名 | 数据类型 | 缺省值 | 可视缺省值 | 描述 |
|---|---|---|---|---|---|
| 1 | EN | BOOL | 0 | 1 | 使能 |
| 2 | S | INT | 0 | 1 | 原地变量 |
| 3 | O | INT | 0 | 1 | 原地起始 |
| 4 | D | INT | 0 | 1 | 目的变量 |
| 5 | I | INT | 0 | 1 | 目的起始 |
| 6 | L | INT | 0 | 1 | 长度 |
输出说明
| 序号 | 标记名 | 数据类型 | 缺省值 | 可视缺省值 | 描述 |
|---|---|---|---|---|---|
| 1 | Y | INT | 0 | 1 | 输出 |
工作区说明
无
质量及异常说明
无
算法说明
无
批量数组组包
| 名称 | 批量数组组包 | 代码 | AFV< /td> | 序号 | 752 |
|---|
图形

功能块描述
可实现单个组包和批量组包。(注:若数据没有超过10K的临时变量,则默认对象变量为0)
(1)使能EN为1时,功能块才能正常运作。
(2)T——对象变量
(3)V——Value变量
输入说明
| 序号 | 标记名 | 数据类型 | 缺省值 | 可视缺省值 | 描述 |
|---|---|---|---|---|---|
| 1 | EN | BOOL | 0 | 0 | 使能 |
| 2 | T | INT | 0 | 1 | 对象变量 |
| 3 | V | INT | 0 | 1 | Value变量 |
输出说明
正确输出临时变量地址,错误输出0。
工作区说明
无
质量及异常说明
无
算法说明
无
单个对象组包
| 名称 | 单个对象组包 | 代码 | OSV | 序号 | 753 |
|---|
图形

功能块描述
可实现单个组包。(注:若数据没有超过10K的临时变量,则默认对象变量为0)
(1)使能EN为1时,功能块才能正常运作。
(2)T——对象变量
(3)K——Key变量
(4)V——Value变量
输入说明
| 序号 | 标记名 | 数据类型 | 缺省值 | 可视缺省值 | 描述 |
|---|---|---|---|---|---|
| 1 | EN | BOOL | 0 | 1 | 使能 |
| 2 | T | INT | 0 | 1 | 对象变量 |
| 3 | K | INT | 0 | 1 | Key变量 |
| 4 | V | INT | 0 | 1 | Value变量 |
输出说明
正确输出临时变量地址,错误输出0。
工作区说明
无
质量及异常说明
无
算法说明
无
单个数组组包
| 名称 | 单个数组组包 | 代码 | ASV | 序号 | 754 |
|---|
图形

功能块描述
可实现单个组包和批量组包。(注:若数据没有超过10K的临时变量,则默认对象变量为0)
(1)使能EN为1时,功能块才能正常运作。
(2)T——对象变量
(3)V——Value变量
(4)I——数组下标
输入说明
| 序号 | 标记名 | 数据类型 | 缺省值 | 可视缺省值 | 描述 |
|---|---|---|---|---|---|
| 1 | EN | BOOL | 0 | 1 | 使能 |
| 2 | T | INT | 0 | 1 | 对象变量 |
| 3 | V | INT | 0 | 1 | Value变量 |
| 4 | I | INT | 0 | 1 | 数组下标 |
输出说明
正确输出临时变量地址,错误输出0。
工作区说明
无
质量及异常说明
无
算法说明
无
输出对象值
| 名称 | 输出对象值 | 代码 | OGV | 序号 | 760 |
|---|
图形

功能块描述
(1)使能EN为1时,功能块才能正常运作。
(2)T——对象变量
(3)K——Key变量
(4)X——结果变量
(注:若数据没有超过10K的临时变量,则默认结果变量为0)
输入说明
| 序号 | 标记名 | 数据类型 | 缺省值 | 可视缺省值 | 描述 |
|---|---|---|---|---|---|
| 1 | EN | BOOL | 0 | 1 | 使能 |
| 2 | T | INT | 0 | 1 | 对象变量 |
| 3 | K | INT | 0 | 1 | Key变量 |
| 4 | X | INT | 0 | 1 | 结果变量 |
输出说明
正确输出临时变量地址,错误输出0。
工作区说明
无
质量及异常说明
无
算法说明
无
输出数组值
| 名称 | 输出数组值 | 代码 | AGV | 序号 | 761 |
|---|
图形

功能块描述
(1)使能EN为1时,功能块才能正常运作。
(2)T——数组变量
(3)1——数组下标
(4)X——结果变量
(注:若数据没有超过10K的临时变量,则默认结果变量为0)
输入说明
| 序号 | 标记名 | 数据类型 | 缺省值 | 可视缺省值 | 描述 |
|---|---|---|---|---|---|
| 1 | EN | BOOL | 0 | 0 | 使能 |
| 2 | T | INT | 0 | 1 | 数组变量 |
| 3 | I | INT | 0 | 1 | 数组下标 |
| 4 | X | INT | 0 | 1 | 结果变量 |
输出说明
正确输出临时变量地址/结果变量X,错误输出0。
工作区说明
无
质量及异常说明
无
算法说明
EN = 1,T=10,I=11,X=12,Y=12
批量输出对象值
| 名称 | 批量输出对象值 | 代码 | FOV | 序号 | 762 |
|---|
图形

功能块描述
(1)使能EN为1时,功能块才能正常运作。
(2)T——对象变量
(3)K——Key变量
(4)X——结果变量
输入说明
| 序号 | 标记名 | 数据类型 | 缺省值 | 可视缺省值 | 描述 |
|---|---|---|---|---|---|
| 1 | EN | BOOL | 0 | 1 | 使能 |
| 2 | T | INT | 0 | 1 | 对象变量 |
| 3 | K | INT | 0 | 1 | Key 数组变量 |
| 4 | X | BOOL | 0 | 1 | 结果变量 |
输出说明
正确输出1,错误输出0。
工作区说明
无
质量及异常说明
无
算法说明
EN = 1,T=10,K=11,X=12,Y=12
对象值比较
| 名称 | 对象值比较 | 代码 | TOD | 序号 | 765 |
|---|
图形

功能块描述
(1)使能EN为1时,功能块才能正常运作。
(2)T——对象变量
(3)K——Key变量
(4)V——对比数组变量
输入说明
| 序号 | 标记名 | 数据类型 | 缺省值 | 可视缺省值 | 描述 |
|---|---|---|---|---|---|
| 1 | EN | BOOL | 0 | 1 | 使能 |
| 2 | T | INT | 0 | 1 | 对象变量 |
| 3 | D | INT | 0 | 1 | 功能选择 |
| 4 | R | BOOL | 0 | 0 | 对比数组变量 |
输出说明
| 序号 | 标记名 | 数据类型 | 缺省值 | 可视缺省值 | 描述 |
|---|---|---|---|---|---|
| 1 | Y | INT | 0 | 1 | 结果数组变量 |
| 2 | I | INT | 0 | 1 | 匹配序号 |
工作区说明
无
质量及异常说明
无
算法说明
无
变量通信输出
| 名称 | 变量通信输出 | 代码 | TOD | 序号 | 777 |
|---|
图形

功能块描述
(1)使能EN为1时,功能块才能正常运作。
(2)T——发送变量
(3)D——驱动变量
(4)R——复位
输入说明
| 序号 | 标记名 | 数据类型 | 缺省值 | 可视缺省值 | 描述 |
|---|---|---|---|---|---|
| 1 | EN | BOOL | 0 | 1 | 使能 |
| 2 | T | INT | 0 | 1 | 发送变量 |
| 3 | D | INT | 0 | 1 | 驱动变量 |
| 4 | R | BOOL | 0 | 0 | 复位 |
输出说明
| 序号 | 标记名 | 数据类型 | 缺省值 | 可视缺省值 | 描述 |
|---|---|---|---|---|---|
| 1 | Y | BOOL | 0 | 1 | 完成 |
| 2 | N | BOOL | 0 | 1 | 错误 |
工作区说明
无
质量及异常说明
无
算法说明
无